【导读】耗尽型pHEMT射频放大器凭借其高电子迁移率特性,在微波频段展现出卓越的增益和开关性能。然而,这类器件的负栅压偏置需求与漏极沟道的高导电特性,使得偏置电路设计成为影响系统可靠性的关键因素。不当的偏置时序可能导致瞬间过流而损坏器件,因此需要精心设计栅极与漏极的电压控制策略。本文将深入解析固定栅压与固定漏流两种主流偏置方案的优劣,并探讨其噪声特性对射频系统性能的潜在影响。
耗尽型pHEMT射频放大器凭借其高电子迁移率特性,在微波频段展现出卓越的增益和开关性能。然而,这类器件的负栅压偏置需求与漏极沟道的高导电特性,使得偏置电路设计成为影响系统可靠性的关键因素。不当的偏置时序可能导致瞬间过流而损坏器件,因此需要精心设计栅极与漏极的电压控制策略。本文将深入解析固定栅压与固定漏流两种主流偏置方案的优劣,并探讨其噪声特性对射频系统性能的潜在影响。
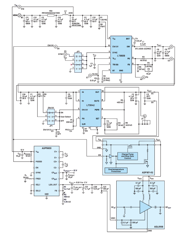
图1显示了耗尽型pHEMPT RF放大器的简化框图。流经器件的RF信号路径是从栅极到漏极,交流耦合电容将RF信号与漏极和栅极上的直流偏置电压去耦。主电源电压通过电感施加到FET晶体管的漏极。

图1.耗尽型RF放大器的简化架构。
耗尽型器件的一个重要特性是,当栅极电压等于0 V时,漏源电阻接近0 Ω。因此,要操作这种器件,必须对栅极施加负电压。在图1中,该电压通过片上电感施加。
这种偏置方法的一个缺点是,两个电源不能同时开启。在栅极偏置电压之前施加漏极偏置电压会导致漏极电流突然增加,从而很快烧毁器件。因此,必须首先施加负栅极偏置电压来夹断沟道??艉凸乇辗糯笃魇?,应使用表1中的步骤。

表1.放大器步骤
实践中可以跳过夹断步骤。例如,如果知道正常工作的最终栅极电压,那么可以立即施加该电压,而无需经过夹断步骤。
图2显示了耗尽型RF放大器建立并维持固定栅极电压的电源管理电路。它使用开关稳压器、低压差(LDO)稳压器和负载开关来产生漏极电压。栅极电压由 ADP5600 产生,该器件包含电压逆变器和LDO稳压器。漏极电流由负电压LDO稳压器的反馈电阻设置。为确保安全的电源时序,开关稳压器的使能(EN)引脚与负电压发生器的电源良好(PGOOD)信号相连。这确保了负栅极电压始终出现在漏极电压之前。

图2.固定栅极电压偏置。
此电路的主要缺点是没有考虑RF放大器VGATE与IDRAIN关系的器件间差异。漏极电流的器件间差异(假设栅极电压固定)可能很大,导致每个电路具有不同的漏极电流。漏极电流差异通?;嵊跋煅顾?OP1dB)和三阶交调失真(OIP3)(增益也会受到影响,但程度较?。?。这种方法的好处之一是漏极电流将根据RF输入功率和RF输出功率的变化而增加或减少。因此,如果RF输入功率较低,功耗也会较低,反之亦然。
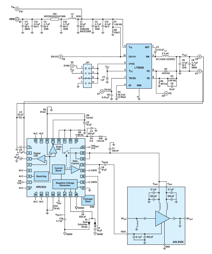
有源偏置控制是另一种方法。此技术不是固定栅极电压,而是固定漏极电流。图3中,有源偏置控制器通过测量漏极电流并改变栅极电压来调节漏极电流,使该电流即使在不同的RF输入条件下也能保持固定。此电路由 LT8608 降压稳压器和 HMC920 有源偏置控制器组成,后者可支持3 V至15 V的漏极电压和高达500 mA的总漏极电流。

图3.固定漏极电流偏置(有源偏置控制)。
HMC920内部的高电压、高电流线性稳压器(LDOCC引脚)可产生3 V至15 V的正电压和高达500 mA的电流。其输出通过内部MOSFET开关连接至VDRAIN端口,用于控制电源时序。为了设置功率放大器所需的漏极电压,必须使用公式1调整LDO稳压器的反馈电阻R5和R8:

其中,VDRAIN是所需的漏极电压值,IDRAIN是所需的漏极电流。常数0.5是内部MOSFET开关的RDS(ON)值。
内部电荷泵产生负电压VGATE。通过读取RSENSE处的电压,控制器检测漏极电流并改变VGATE处的电压。要设置漏极电流,必须使用公式2改变RSENSE(R4和R19):

当通过施加电源电压(VDD)开启HMC920时,会有一个信号发送至EN引脚以启动控制环路。VDRAIN最初会短接到地,以强制将其设为零。同时,VGATE处的电压最初会被拉低至最小电压VNEG。然后,VDRAIN将提高至设定的漏极电压值。RSENSE上将产生电压降,这会导致控制器改变栅极电压。关断期间,会有一个逻辑低电平信号发送至EN引脚。VGATE将降低至VNEG以切断放大器,VDRAIN处的电压将降至零。VGATE处的电压最终将达到零。此周期遵循正确的电源时序,以确保耗尽型放大器安全运行。它还具有过流和欠流报警、短路?;?、功率折返等安全特性。HMC920数据手册中详细解释了该偏置控制器的其他安全机制。
该偏置控制器用作 ADL8106 宽带低噪声放大器的电源管理解决方案。ADL8106的工作频率范围为20 GHz至54 GHz,标称漏极电压为3 V,静态漏极电流为120 mA。图4和图5显示了相关的开启和关断波形。

图4.开启时的电源时序波形。一旦施加VDD,EN变为高电平就表示控制环路启动。首先开启VGATE,然后开启VDRAIN。

图5.关断时的电源时序波形。当VDD被移除时,EN变为低电平。VGATE将再次降至最小电压VNEG,VDRAIN将降至零。然后,VGATE最终将达到零。
RF放大器RF输出端的杂散和噪声水平将取决于HMC920的输出噪声和杂散,以及放大器的电源调制比(PSMR)。图6显示了开关稳压器(LT8608)输入端以及VDRAIN和VGATE输出端口的PSRR曲线。图7和图8显示了VGATE和VDRAIN电压的输出频谱?;贏DL8106的PSMR,这些图中还包含了显示最大允许输出噪声和杂散的迹线。电源管理电路的输出噪声和杂散必须低于这些水平,以确保放大器的性能不会因电源管理电路而降低。

图6.LT8608 + HMC920的电源电压抑制比(VDD = 5 V,VDRAIN = 3 V,IDQ = 120 mA,VGATE = –0.64 V)。

图7.HMC920的VGATE和VDRAIN输出频谱以及ADL8106的最大允许噪声限值。

图8.HMC920的VGATE和VDRAIN输出频谱以及ADL8106的最大允许噪声限值。
使用外部负电源操作HMC920
在前面的示例中,HMC920的内部负电压发生器用于生成负栅极电压。此外也可以使用外部负电源,如图9所示。在这种情况下,ADP5600(逆变器和负LDO稳压器)用作产生栅极电压的负电源。与使用内部负电压发生器相比,其结果是噪声系数略低且增益略高。

图9.外部VNEG模式下的ADL8106和HMC920框图。

图10.使用HMC920的ADL8106在内部负电压发生器模式和外部负电压发生器模式下的噪声系数。

图11.使用HMC920的ADL8106在内部负电压发生器模式和外部负电压发生器模式下的增益。
该模式下的实际噪声性能仍然取决于所用外部负电压发生器所产生的输出噪声。从图7和图8中可以看出,在外部VNEG模式下使用HMC920也会产生噪声杂散,这些杂散仍低于最大允许电压纹波限值。要利用此模式,必须将VNEGFB引脚短接至地以禁用负电压发生器的反馈控制。对于增强型放大器(正栅极电压),VNEGFB和VGATEFB引脚都必须接地。
结语
耗尽型GaAs放大器因其宽带宽和高动态范围而广泛用于RF应用。但是,此类放大器需要负偏置电压,并且必须小心控制其电源时序??梢允褂霉潭ǖ母赫ぜ缪估雌谜庵址糯笃?。其好处是电流消耗是动态的,随着RF输出电平而变化。本文介绍的电路使用固定漏极电流,产生低噪声漏极和栅极电压并安全控制其时序,这些电压不会降低RF放大器的额定性能。这样器件间的性能差异会更小,因为每个器件都以相同的漏极电流运行。然而,这种方法的一个缺点是漏极电流是固定的,不随RF功率水平而变化。在决定固定漏极电流水平时应谨慎考虑,它必须足够高才能支持所需的最大输出功率水平,但又不能过高以至于导致电流浪费。虽然可以使用外部负电源代替HMC920的内部负电压发生器,但对噪声的改善作用微乎其微。
推荐阅读:
低延迟+AI超分:逐点半导体分布式渲染技术如何重新定义游戏画质




