【导读】本应用笔记介绍了如何实现一个非承诺、隔离式SPST(单刀/单掷)双极性电源开关,该开关可用于产生高达200A和75V的瞬变。该开关可用于测试电源和电源 IC。该开关专为测试快速电路而设计,可在数十纳秒内实现导通和关断时间。
本应用笔记介绍了如何实现一个非承诺、隔离式SPST(单刀/单掷)双极性电源开关,该开关可用于产生高达200A和75V的瞬变。该开关可用于测试电源和电源 IC。该开关专为测试快速电路而设计,可在数十纳秒内实现导通和关断时间。
介绍
在测试一般电源电路,特别是电源IC时,一个常见问题是需要能够产生瞬变并处理所需的大电流和电压脉冲的开关。这种开关必须能够连接到各种电路拓扑,具体取决于被测电源的类型及其应用。
在某些情况下,可以使用商业测试负载;否则,有必要开发一种独一无二的测试设置。如果开关的一侧连接到电源公共电源,而电源恰好也是系统公共电源,则设置设计很简单。如果没有,则需要设计自定义开关驱动程序,这可能非常复杂。一个足够通用的开关可以执行大多数电源瞬态故障测试将非常有用。这种开关的规格概述应包括最大电压和电流额定值,以及目前市场上大多数中档电源的测试需求。
开关应具有超过100A的电流能力,并能够承受至少75V的开路电压。它必须是双极性的,用于载流和保持电压,因为一些测试会产生振铃电流,而一些电源电路会产生双极性输出。导通和关断速度应在几十纳秒内,以便观察快速电路的响应。开关的串联电阻必须低。串联电感也必须非常低,这意味着物理尺寸小且电流路径较短。最后但并非最不重要的一点是,开关必须电气隔离,并且具有非常低的输出对地电容——如果要将开关插入电路而不扭曲其性能或响应,这是一个基本属性。
电路说明
图 1 显示了满足上述愿望列表中的大多数项目的开关。它采用侧对侧电容小于1pF的数字隔离器耦合器实现。它的总传播延迟为 80ns,输出上升时间约为 40ns。输出级由两个低R组成德森MOSFET 能够处理任一极性的 75V、200A 瞬变。
开关元件(两个输出MOSFET采用反串联连接)具有7mΩ串联电阻和25nH串联电感。在ON状态下,它充当两个极性电流(包括零交越)的线性电阻器,因此不会引入谐波失真,充当金属触点。
图1.该电路使能5V逻辑信号来控制一个非专用(隔离)电源开关(Q1–Q2),该开关能够在200V时处理75A脉冲。
对于吸收大于50A电流的低电阻负载,开关上升时间(定义为ON瞬态)主要由串联电感决定。对于较低电流范围,上升时间低于40ns,下降时间(关断瞬态)主要与负载阻抗有关。
电路隔离(开关)侧的电源是一组三个串联的3V锂硬币原电池(CR2025二氧化锰锂电池)。对于几千赫兹的开关速率,这种电池类型标称可用的 170mAh 应该支持连续使用一个多月。对于正常的测试台应用,如果保持永久连接,电池寿命应在三个月左右。
输入为0V至5V数字信号,其唯一要求是上升和下降时间小于20ns,最小脉冲宽度(ON或OFF)为50ns。当导通电流小于18A时,开关可以无限期地保持ON或OFF状态。
在图1中,IC1和IC2形成一个边缘检测器,根据输入边沿的符号,向T1初级的任一侧施加窄正脉冲。另一边仍然很低。因此,T1脉冲极性取决于施加到电路的输入信号边沿的极性。T1的次级连接在同相逻辑缓冲器(输入到输出)上,该缓冲器由双通道低边功率MOSFET驱动器(IC3)的一半组成。该缓冲器表现为双稳态电路(触发器),该电路响应T1初级端的正脉冲而设置,并响应负脉冲复位。然后,双稳态电路输出是电路输入(施加到边缘检测器的数字输入信号)的副本。
IC3的另一半和IC4的两个驱动器都并联连接。它们的输入连接到双稳态输出,它们的输出并联连接,驱动两个低R的栅极德森功率场效应管 (IRFB3077)。两个 MOSFET 以反串联方式连接,漏极连接到外部开关电源连接,两个栅极连接在一起,两个电源连接在一起。三个驱动器的并联提高了功率MOSFET的开关速度,因为IC2-IC3的每一部分都可以提供4A的峰值栅极电流,三者合计为12A。MOSFET 源极连接到电池的负极。
MAX5048的输入逻辑允许轻松实现边缘检测器,MAX5054 s(用作功率晶体管驱动器)的较低静态功耗延长了电池寿命。因此,在低端(控制和隔离,IC1和IC2)和高端(电源驱动器,IC3和IC4)包括相似但不同的IC驱动器。
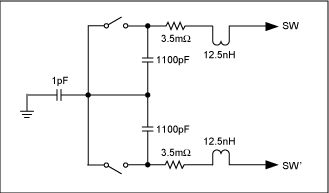
图2显示了电源开关的等效电路,包括主要寄生元件。与所有电源电路一样,开关的连续功率处理能力取决于提供的散热器。但是,由于包含散热器会大大增加寄生输出电容,因此该设计不包括散热器。作为处理200A脉冲时的补偿,脉冲宽度必须限制为8ms,开关占空比必须限制为最大0.5%。对于80A瞬变,脉冲不受封装限制,因此可以持续更长时间(长达50ms),但80A瞬变的占空比不应超过3%。
图2.这是一个电源开关电路,与图1电路相当,但包括主要的寄生元件。
在室温下切换无钳位电感时,图1电路在单个非重复脉冲中的能量吸收能力为280mJ,或在最大占空比为200%的情况下为1mJ/脉冲。
耦合变压器设计用于最小尺寸和绕组间电容:初级线圈一匝,次级两匝,缠绕在 Fair-Rite 2643000801 7.5mm x 7.5mm 铁氧体磁珠上。变压器结构还设置开关负载和开关控制电路之间的最大允许电压差。当使用普通电磁线绝缘结构时,它可以轻松承受 1kV,如果电线用特氟龙或类似的高质量、高介电刚性绝缘材料绝缘,则可承受超过 1kV。对于更高的电压隔离,还应审查封装设计的所有其他方面。
T1的铁氧体磁芯必须被认为是导电的;因此,不得允许它同时接触交换机的两侧。该开关没有联锁?;?,因此在使用之前必须验证锂电池的状况。未包括电路以保证通电时开关的状态(ON或OFF)。因此,在打开设置的任何其他电源之前,必须打开交换机的电源。由于开关状态是由施加在输入端的第一个转换强制的,因此在向设置的其余部分通电之前,开关应至少循环打开和关闭一次。
测试结果
在图3–5中,顶部波形是数字输入,底部波形是在5.0Ω阻性负载上观察到的25μs脉冲,通过开关连接到50V电源。由于波形是在短的极低电感薄膜电阻器上产生的电压,因此它们非常接近开关电流波形。图200的近似3A脉冲形状在其过冲和上升时间(60ns至80ns)方面都受到高电流路径中寄生电感和电容的影响。图4显示了该脉冲的上升时间和导通传播延迟;图5显示了下降时间和关断传播延迟。图6–8显示了5Ω负载和10A脉冲的相同波形,采用相同的50V电源工作。由此产生的上升时间更接近MOSFET的30ns至40ns固有开关上升时间,受封装和源极电感的限制。
图3.从图1中,响应控制信号(5)的2μs脉冲(1)出现在由0.25Ω电阻与50V电源串联的负载上。
图4.图3所示的上升时间和导通传播延迟,以40ns/cm扫描速率查看。
图5.图3所示的下降时间和关断传播延迟,扫描速率为40ns/cm。
图6.从图1中,响应控制信号(5)的2μs脉冲(1)出现在由5Ω电阻和50V电源串联的负载上。
图7.图6所示的上升时间和导通传播延迟,以40ns/cm扫描速率查看。
图8.图6所示的下降时间和关断传播延迟,扫描速率为40ns/cm。
总结
本应用笔记说明了简化电源测试的SPST双极性电源开关的设计。该开关能够承受开关瞬变期间产生的大电流和电压脉冲,可用于测试市场上大多数中档电源。它可以处理两种极性的75V,200A瞬变;它在数十纳秒内实现了开启和关闭时间;它具有低串联电阻和非常低的串联电感;它采用电气隔离,输出对地电容非常低。
免责声明:本文为转载文章,转载此文目的在于传递更多信息,版权归原作者所有。本文所用视频、图片、文字如涉及作品版权问题,请联系小编进行处理。
推荐阅读:



