本文将会根据DC/AC SCAN的概念展开描述,并将他们进行区别对比,让你更加全面的了解DC/AC SCAN测试技术。
SCAN技术,也就是ATPG技术-- 测试std-logic, 主要实现工具是:产生ATPG使用Mentor的 TestKompress和synopsys TetraMAX;插入scan chain主要使用synopsys 的DFT compiler 通常,我们所说的DCSCAN就是normal scan test 即慢速测试,测试频率是10M-30M ,AC SCAN 也就是at-speed scan 即实速测试,测试频率与芯片真实工作频率是一样的。
70年代到1995年这段时间里,由于芯片的工作频率很低只有20-100M,scan测试只有DC SCAN,我们就能捕捉到所有std-logic的制造缺陷。但是1995年以后,测试科学家和工程师发现通过DC SCAN测试没有缺陷的芯片在高工作频率下使用会有问题。其根本原因是随着制造工艺向深亚微米迈进,芯片的工作频率也提高到200M-1G,原来的SCAN测试方法和模型不再能捕捉到所有的std-logic的制造缺陷。大家的一致想法就是-“奔跑吧,SCAN” ,把SCAN的频率增加到与芯片的真实工作频率一致,同时使用新的TransiTIon atpg model来产生测试pattern.
下面我们介绍DC SCAN与AC SCAN的异同
现在的工业量产的高速芯片都会要求能做DC SCAN测试和AC SCAN测试,所以DFT工程师也要同时插入两种测试电路,产生两套测试patterns。
具体实现流程如下
1 读入没有插入scan的网表
2 使用Design compiler 插入scan chain和OCC (on chipclocking)???,同时插入mux, fix DRC
3 使用Testcompress 实现EDT压缩scan chain
4 使用Testcompress 产生测试DC/ACpattern,同时产生测试验证的Testbench
5 验证DC/AC patterns的正确性和电路的正确性
6 使用SDF,验证DC/ACpatterns相关电路的时序是否满足要求
7 使用DC/AC patterns (wgl文件)转换成ATE所需格式,在ATE上调试和使用
ATPG工具使用的TransiTIon faultmodel如下图
常用的OCC电路结构如下
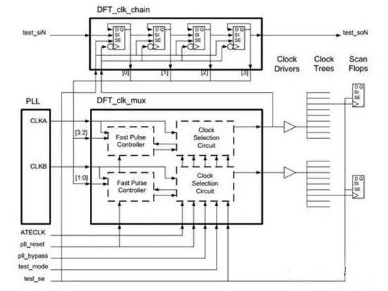
我们典型的插入OCC以后的电路如下图
推荐阅读:
一款全自动电饭煲系统的设计与实现
中国电动汽车百人会理事长陈清泰先生一行调研参观英飞凌无锡智能制造工厂
有机电解质如何提升锂硫电池稳定性的技术研究分析





