【导读】全球化照明技术和固态照明技术的趋势愈演愈烈,如今基于LED的固态照明的电抗特性引起的成本增多,使得功率因数产生不利影响,配送电流升高,电网承受的压力增大。
监管机构一直在与公用事业公司合作制定严格的标准来控制固态照明技术对电网的影响。由于基于LED的固态照明可以极大地降低实际的功耗,因此可以显著减少电网的碳排放量。但是,如果不对功率因数加以管理,电网仍将需要提供比实际负载所需高得多的功率级,从而抵消转向固态照明所带来的很大一部分好处。
以前的白炽灯具有近乎完美的功率因数。因此,与传统的交直流电源相比,固态照明一直坚持高得多的功率因数标准。在大多数情况下,对于75W以下的电源来说,它们不受任何功率因数标准的制约。然而对固态照明而言,从低至5W甚至更低功率开始就需要考虑功率因数限制了。
为了高效地设计基于LED的光源,设计师需要理解功率因素、LED驱动器对功率因数的影响,以及在LED驱动器设计中集成经济有效的功率因数校正的不同技术。
功率因数
功率因数是指有功功率与视在功率的简单比值,没有单位。有功功率是指在负载上使用的功率,测量单位是千瓦(kW)。视在功率是电网提供给系统负载的以伏-安(VA)为单位的测量功率。在一个高电抗系统中,具有角度参数的电流和电压彼此可以高度不同相。这将导致电网需要在任何给定时间点提供比真正的有功功率大得多的无功功率。

图1:有功功率(kW)与视在功率(kVA)的功率因数比值。
采用功率因数校正技术的固态照明可以减少从白炽灯变到LED照明的影响,方法是给LED驱动器增加相关的电路,校正电抗性输入阻抗,从而将功率因数提高到接近于1。
LED驱动器和功率因数校正
LED及其驱动器具有非线性的阻抗,因此固有功率因数非常低。为了解决这个问题,驱动器需要补偿功率因数,尽可能将它提高到接近于1。对于工业仓库或大型商场来说,只是考虑一盏LED灯及其对总功率因数的影响时,效果是很不明显的,但在一个大型商业场所中所有照明单元的总和将显著影响总的功率因数,因此需要实现对每个单独灯盏或驱动这些灯的每个镇流器进行功率因数校正。
功率因数校正有有源和无源两种方法。无源功率因数校正解决方案通常由无源输入滤波器组成,提供一定程度的成本好处,但由于无源功率因数校正只是针对特定的输入电压和电流状态进行优化,当这些条件改变时,功率因数还会下降。在可调光照明设备中,无源功率因数校正是不可接受的,因为在灯盏的整个亮度调节范围内功率因数变化非常大。这时就需要采用有源功率因数校正,以便在各种负载和线路条件下足以保持高的功率因数。
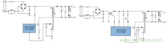
借助有源功率因数校正,有使用主电源转换电路补偿功率因数的方法(单级),以及使用独立的预调整器提供功率因数校正的方法(两级)。两种方法都有各自的好处。最明显的是,采用单级方法可以实现成本的最小化,因为部分功率因数校正在主电源转换电路中完成。判断哪种拓扑最适合最终应用要求更深入地分析每种转换器。

图2:单级和双级功率因数校正架构。
采用单级LED驱动器时,主电源级电路将输入电压转换为可用的直流电压和电流,再用于驱动LED。由于只有一个电源级,主电源级的驱动需要加以管理以便将功率因数增加到接近1。由于功率因数的测量取决于驱动器输入端相对主输入电压看起来有多线性,调制拓扑决定了转换器输入阻抗相对主电源呈现什么样的阻抗。
[page]
最大化功率因数的最佳方法是使用固定导通时间方法,它能有效地创建电压控制的电流源,或看起来高度阻性的输入阻抗。经过变压器初级的峰值电流直接正比于初级驱动的导通时间,因此这种方法本身就具有接近于1的高功率因数。虽然固定导通时间架构能够提供高功率因数的好处,但权衡起来考虑经常是不可接受的。正常工作于DCM模式时,峰值电流非常高,有两个主要结果,即无源器件上有高应力,LED上有大电流纹波。输入电容上的高应力可能降低这些关键元件的寿命,导致灯盏的工作寿命缩短。输出上过大的电流纹波则会降低输出光的质量,因为输出电容上会流过纹波电流,输出光将增加闪烁噪声,并降低发光效率,增加自发热损耗。
使用恒流模式工作代替固定导通时间可以减轻输出纹波电流,减小电路中无源器件的应力,但由于输入阻抗固有的电抗特性,功率因数会显著减小。
寻找结合了高功率因数和低纹波电流同时最大限度地减小对无源外部器件影响的替代方法是找到单级LED驱动器最佳低成本解决方案的关键。
iW3626就是单级高功率因数LED驱动器例子,它不仅是高功率因数驱动器,而且能够最大程度地减小输出纹波。实现技术位于数字引擎的核心,能够通过监视功率变压器的初级监视输入电压和电流以及输出状态。数字核心允许将驱动信号调制到主要的功率晶体管,本例中是功率双极面结型晶体管。本例中的专有调制技术允许最终用户将想要的最小功率因数编程






