【导读】随着电子电力技术的飞速发展,人们对于功率因数的要求也越来越高。因为一些存在冲击性的用电设备,很可能由于输入电流而产生严重的畸变,导致谐波被污染。所以,今天给大家带来的方案将会对大家提高功率因数上有很大的帮助!
早期功率因数校正采用在整流器后加滤波电感电容实现,功率因数一般只有0.6左右;在20世纪90年代,有源功率因数校正(APFC)产生,是在整流器和负载之间接入一个DC/DC 开关变换器,其基本原理是通过控制电路强迫交流输入电流波形跟踪交流输入电压波形,从而实现交流电流波形正弦化。并与交流输入电压波形同步,功率因数可提高到0.99以上。
APFC 电路拓扑
1、传统有桥APFC拓扑
传统Boost APFC 电路组成由整流桥和PFC 组成,如图1所示。工作时流通路径有三个半导体工作,功率因数低。当变换器功率和开关频率提高时,系统通态损耗明显增加,整体效率低,且控制电路较复杂。

针对传统有桥电路的问题,本文提出了既能提高PF而且通态损耗低的无桥电路,如图2所示。表1为有桥拓扑和无桥拓扑的对比。

从表1看出,当MOSFET导通和关断时,无桥APFC相对于有桥APFC 都节省了一个二极管。经过理论计算后得出,无桥拓扑APFC 在全功率输入时,可提高约1%的效率。而且无桥拓扑更利于电路集成化。但基本无桥Boost APFC 电路存在共模干扰严重、电流采样难的问题。

3、双二极管式无桥APFC拓扑
为了解决基本无桥Boost APFC 电路EMI 严重、电流采样难的问题,对基本无桥Boost APFC 电路加以改进,如图3所示,在基本无桥Boost APFC 电路上增加两个快恢复二极管VD3和VD4。

图3中,电阻Rs 为电感中的电流检测电阻,使电流检测电路减化。虽然Rs 在工作时会产生一定损耗,但只要阻值选择合适,检测电阻的损耗占整个功率损耗的百分比很小。这样交直流侧共地,达到抑制共模干扰的目的。
[page]
4、双二极管式无桥拓扑工作原理双二极管式无桥电路工作过程如下:
(1)电源电压正半周时,如图4所示,图4中粗黑线所示即为输入电压正半周时电流路径。

模态二:开关管VT1 关断,电感电流突变时产生的感应电动势使二极管VD1 正偏导通,电流经电感L1,VD1,VD3构成回路。此时电感释放能量,电容C 及负载RL 由电感和电源串联供电。
(2)电源电压负半周工作模态如图5所示,图5中粗黑线所示即为输入电压负半周时电流路径。

模态三:VD1,VD2截止??刂瓶毓躒T2导通,输入电流从电源正极经L2,VT2,VD3回到电源负极形成电流通路,给电感L2 储能。负载由储能电容C 提供能量。
模态四:开关管VT2关断,VD2导通,电流经电感L2,VD2,VD4构成回路。此时电感释放能量,电容C 及负载RL 由电感和电源串联供电。
APFC 控制方案
功率因数校正传统的控制方案有三种即峰值电流控制、滞环电流控制、平均电流控制。但传统的控制方案必须以乘法器为核心,使得控制电路复杂。
本文选用无需乘法器的新控制方法-单周期控制。
单周期控制的最大特点是:通过控制开关的占空比,让电路无论处在稳态还是瞬态都能使受控量的平均值恰好等于或正比于给定VREF,从而在一个周期内有效地抑制了电源侧的扰动。单周期控制技术在控制回路中不需要误差综合,具有系统响应快、开关频率恒定、电流畸变小、易于实现等优点,在APFC电路的新型控制技术应用广泛。
IR1150是一种CCM 控制芯片,它采用了IR公司特有的单周期控制技术,为APFC电路提供了一种低成本、设计简单的解决方案。该芯片内部主要由电压误差放大器、电流检测放大器、复位积分器、PWM比较器以及RS 触发器组成,另外还有7 V 参考电压和一些?;さ缏贰:诵牡缏肺指次黄?,如图6所示。

其控制环路包括电流内环和电压外环,电流环采用了内嵌式的输入电压信号,通过脉宽调制调节与输入电压相关的占空比,使输入平均电流跟随输入电压且为正弦波,只要电路工作在连续模式,这种跟踪关系就能维持。单周期工作波形如图7所示。

无桥APFC 电路仿真
1、仿真电路
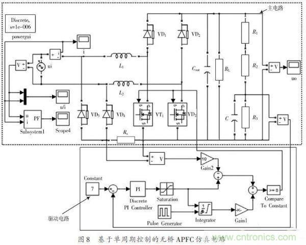
本文采用MATLAB Simulink中的SimPowersystems??榧锏哪?榇罱ㄎ耷庞性垂β室蚴U抡娴缏罚缤?所示。

仿真参数设计:输入交流电压15 V,50 Hz;输出直如图8所示,虚线框内为双二极管式无桥APFC 主电路。其中:ui是输入交流15 V 源,VD1~VD4 是快恢复二极管,VT1,VT2 是开关管。L1,L2 为升压电感,Cout是输出电容,RL 是直流负载,R1,R2 ,R3 是输出电压采样电阻,Rs 是输入电流检测电阻,Subsystem1是功率因数测量子系统。示波器u/i,示波器i,示波器uo,示波器PF分别用来测量输入交流电压电流,输入交流电流,输出直流电压,系统功率因数。
[page]
图8实线框内为单周期控制的驱动电路,其控制原理是调制电压Vm 由主电路输出电压经分压电阻R3 得到的反馈电压与7 V基准电压VREF 比较后所得,并分为两路:
Vm 与电流检测信号Iin Rs 经过运算得到Vm - Iin Rs;积分器对调制电压Vm 积分得到三角波∫Vm dt.
在脉冲来临时,积分器工作,然后以上两路信号进行比较,当Vm - Iin Rs >∫Vm dt 时,比较器输出为1,驱动开关管开通;当Vm - Iin Rs <∫Vm dt时,比较器输出为0,开关管关断。
2、仿真结果
图9(a)为输入电流波形,可以看到电路稳定后,基本为正弦波。图9(b)是对输入电流在0.102~0.103 s的仿真时间内进行局部放大,可以清楚地看到输入电流能及时地跟踪输入电压,达到功率校正的目的。


经过仿真分析,由图10看出输入电流波形为连续的正弦波,与输入电压波形同相位。由图11看出系统稳定后输出直流电压达到28 V,满足设计求。
由图12看出交流网侧功率因数高达0.999.由图13看出输入电流谐波畸变率为6.82%,满足谐波标准。所以,设计的单周期控制的无桥APFC达到设计目的。


总结:
利用无桥APFC,主电路所用开关器件少,电路效率高,而且利于电路集成化的特点,有效地提高了功率因数。而本文的控制方案不再需要乘法器,简单易于实现。从仿真结果看,本方案达到了功率因数校正的目的。
相关阅读:
浅谈开关电源发展的发展趋势
新型低功耗全电压大功率开关电源设计
工程师推荐:低谐波、高功率因数AC/DC开关电源变换器设计




