- 一种新型无源无损软开关Boost变换器
- Boost变换器的工作原理
- 元器件都是采用无源元器件
- 有源和无源软开关技术
1前言
开关电源目前存在五个挑战性的问题,能否更加小型化就是其中之一。使开关电源小型化的重要途径是提高开关频率。高频化能使变压器和电感等磁性元件以及电容体积和重量大为减少,从而提高变换器的功率密度。但是提高开关频率的同时也增加了开关损耗,并使电磁干扰更加严重。采用软开关技术可以降低开关损耗,使开关电源可以在低损耗情况下实现高频运行。其实现方法可分为有源和无源软开关技术。有源软开关技术在原有电路上附加有源器件(如开关),价格比较昂贵,工作时还要增加控制电路以对附加开关进行控制,电路复杂,可靠性比较差。相比之下,无源软开关电路简单,可靠性高,价格便宜。这些优点使得无源软开关近几年倍受青睐。对于PWM变换器,无源软开关通过降低有源开关的di/dt和dv/dt来实现零电流导通和/或零电压关断,以减少开关损耗。文献[1]对无源软开关技术进行了总结,并提出了无源无损软开关PWM变换器合成方法。根据这种方法,可以合成多种性能良好的软开关PWM变换器。本文对其中的一种合成新型软开关Boost变换器的工作原理及参数选择进行了分析,给出理论波形和仿真波形,并对其进行分析。
2工作原理
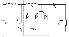
这种新型无源软开关变换器在Boost基本拓扑基础上附加了一个子电路,如图1虚框中所示。

图1新型无源无损软开关Boost变换器
子电路包括一个电感Lr,两个电容Cs、Cr,三个二极管D1、D2和D3。Lr提供主开关零电流开通条件,限制二极管D的反向恢复电流。电容Cs提供开关零电压关断条件。电容Cr为电感Lr能量恢复提供能量。这种变换器有七种运行模态。假设各种元器件为理想元器件,且Cs<Cr。下面对其进行分析。
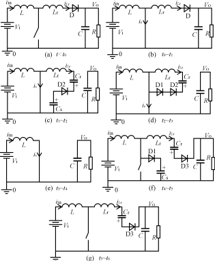
(1)t<t0
开关S处于关断状态,此时vcs=VO,vcr=0,iLr=iin。简化电路如图2(a)所示,波形图如图3所示。
(2)t0~t1
从t0开始,开关S导通,电流iLr线性下降,简化电路如图2(b)所示。t=t1时,电流iLr减少到零,二极管D关断,波形图如图3所示。这段时间为:t0-1=t1-t0=(1)
(3)t1~t2
从t1开始,Cs开始经D2,Cr、Lr和开关S放电,vcr从零上升,电流iLr从零反方向增加,简化电路如图2(c)所示,波形图如图3所示。在此过程中,电流iLr、电容电压vcs和电容电压vcr由下面公式决定。iLr=-sin(ωt)(2)vcr=〔1-cos(ωt)〕(3)vcs=VO+〔cos(ωt)-1〕(4)
t=t2时,Cs放电过程结束,vcs=0,波形图如图3。电容电压vcs从最大值降到零的时间ts由式(5)决定。ts=arccos(5)
(4)t2~t3
从t2开始,由于vcs=0,D1导通,电感Lr和电容Cr发生谐振,电感电流iL流经D1和D2,向Cr充电。电容电压vcr继续上升,简化电路如图2(d)所示。t=t3时,vcr达到最大值VCrmax,电感电流iLr降到零,波形图如图3所示。这段时间为:
t2-3=t3-t2=Tr(6)式中:Tr=2π为谐振周期。
(5)t3~t4
从t3开始,由于iLr=0,D1和D2关断,vcr保持在最大值VCrmax。变换器工作在PWM状态,且iL=is,简化电路如图2(e)所示,波形图如图3所示。t=t4时,开关S关断。
(6)t4~t5
从t4开始,由于开关S关断,电源Vi一路经L,D1向Cs充电,vcs从零开始上升;另一路则经L,Lr,Cr,D3向负载供电,同时电容Cr放电,vcr下降,iLr上升,简化电路如图2(f)所示。t=t5时,vcs达到VO。波形图如图3所示。
[page]
(7)t5~t6
从t5开始,vcs被钳在VO,即VCsmax=VO;电源继续经L,Lr,Cr,D3向负载供电,电容Cr继续放电。t=t6时,电容电压vcr降到零,同时电感电流iLr上升到Iin,iLr=Iin,简化电路如图2(g)所示,波形图如图3所示。

图2新型无源无损软开关Boost变换器的工作模态

图3 Boost变换器各电流和电压波形图
(8)t6~t7
从t6开始,变换器重新工作在PWM状态,简化电路如图2(a)所示。t=t7时,开关S导通,开始下一个周期的工作。
由上面各工作模态分析可知:当开关S导通时,由于iLr=Iin,电感电流不能突变,使得电流is从零开始上升;当开关S关断时,由于vcs=0,电容电压不能突变,把开关电压vds钳在零,当电源Vi对Cs充电时,开关电压vds才开始上升,从而实现零电流开通和零电压关断,并且最大开关电压Vdsmax被钳在VO。也就是说,这种新型无源无损软开关Boost交换器在没有增加开关应力的基础上实现了零电流开通和零电压关断。
3参数计算
附加子电路只给开关提供软开关条件,因而其参数的设置条件是:保证附加子电路提供软开关条件,但不影响原电路的工作。一般情况下,Cs的值小于10nF,而Cr的值是Cs的20倍以上。t1-2(也即ts,为Cs放电,vcs从VO降到零的时间)不宜太小,因为这段时间太小,开关电流上升的时间就短,di/dt将变大,使得EMI增大,也即电感Lr不宜太小。但是Lr也不宜过大,过大将使子电路的工作时间较长,增加了工作损耗,影响原电路的工作,并且也影响了电路零电流开通的条件。
[page]
4仿真结果
利用以上的电路原理,对一个带有这种附加电路的Boost变换器进行仿真。参数如下:Cr=400nF,Cs=10nF,L=200μH,C=40μF,R=50Ω,Vi=15V。在其他参数确定的情况下,可用Pspice中的参数扫描分析功能确定Lr的值。分析结果取Lr=50μH。仿真结果如图4所示。

(a)开关S电压和电流的波形

(b)附加电感Lr电流与开关控制信号的波形

(c)附加电容Cr电压与开关控制信号的波形
图4 Boost变换器各电流及电压仿真波形
由图4可知,当开关导通时,开关电压V(M1:d)(Vds)下降,由于电感Lr的作用,电流不能突变,使得开关电流is在开关电压V(M1:d)(Vds)降到零后,才从零开始上升,实现了开关的零电流导通。当开关关断时,由于电容Cs的钳压作用,开关电压从低电压上升,基本实现零电压关断。而电感电流iLr和电压vcr波形与理论分析的是一致的。
5结论
而本文分析的电路附加电感Lr插在二极管D支路,电感在开关关断时充电。由以上分析可知,两个附加电路功能一样,但在各个工作模态中对电路的作用却不一样。这种变换器外加元器件都是无源元器件,价格比较便宜,可靠性较强,损耗低,只需用一个控制电路对主开关进行控制,并且在不增加开关应力的情况下实现零电流开通和零电压关断。






