- 通过实验室测试探索平衡的好处
- 利用两个相同的电池组来评估两种基本的电池管理策略
- 控制电池与负载及电池充电器的连接
引言
随着电池作为电源使用而日益受到欢迎,又出现了一种同样强劲的需求,即最大限度地延长电池的使用寿命。电池不平衡 (即组成一个电池组的各节电池的充电状态失配) 在大型锂离子电池组中是个问题,这个问题是由制造工艺、工作条件和电池老化的差异造成的。不平衡可能降低电池组的总容量,并有可能损坏电池组。不平衡使电池从充电状态到放电状态都无法跟踪,而且如果没有密切监视,可能导致电池过度充电或过度放电,这将永久性地损坏电池。电池制造商按照容量和内部电阻对混合电动型汽车以及电动型汽车电池组中使用的电池进行分类,以在交付给客户的特定批次中,减少电池之间的差异。然后,再仔细挑选电池来构成汽车电池组,以改善电池组中每两节电池之间的匹配。理论上,这应该能防止电池组中产生大量的不平衡,但是尽管如此,普遍的共识是,当构成大型电池组时,既需要电池监视、又需要电池平衡,以在电池组寿命期内保持大的电池容量。
要理解平衡的重要性,第一步是利用两个相同的电池组来评估两种基本的电池管理策略。该测试将探究,在电池寿命期内,电池组的总容量是怎样受到影响的。为了评估这两种策略,要设计一个电池监视系统 (BMS)。该电池监视系统由 3 个部分组成:监视硬件、平衡硬件和控制器。用在测试中的电池监视系统能监视电池电压和电池负载电流、平衡电池,并能控制电池与负载及电池充电器的连接。
监视硬件
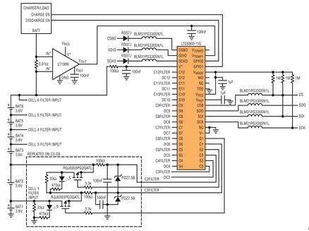
一个简单的电池监视器和平衡系统如图 1 所示。该电池监视系统的硬件是围绕高度集成的 LTC6803-1 多节电池监视 IC 设计的。每个 LTC6803-1 能测量多达 12 节电池,并允许以可连接多个 IC 的串行菊花链形式连接,从而使一个系统能通过一个串行端口监视超过 100 个电池。当设计一个电池监视系统时,某些规范应当给以特殊考虑,首先是电池电压准确度。当试图决定单个电池的充电状态时,电池电压的准确度至关重要,而且一节电池能否在接近工作极限的条件下工作,电池电压的准确度是限制因素之一。LTC6803 具 1.5mV 的分辨率,准确度为 4.3mV。这将允许该控制器就电池状态做出准确决策,而不论使用的是什么样的电池化学组成。其次,电池组不平衡的一个主要来源是,电池监视电路本身的电源和备用电流的差异。在汽车应用中,备用电流尤其重要,因为大多数汽车在大部分时间里都是熄火的,这时电池监视系统处于备用模式。LTC6803 仅具 12uA 备用电流,电流范围规定为 6uA 至 18uA,从而可保证在一个大型电池组中,最严重的不平衡为 12uA,这使每月不平衡低于 10mAhr。有两个 模拟/数字转换器 href="http://www.ednchina.com/ART_8038_195_NP_cfd0d3e0.HTM">ADC 输入可用来监视电池温度或其他的传感器数据。图 1 中显示的设计用 Vtemp1 输入测量电池电流。电流用 LT1999 测量。LT1999 是一款高压双向电流检测放大器,具 -5V 至 80V 的输入范围,而且在本文所述测试情况下,设置为监视电池组高压端的 ±10A。LTC6803 上的两个 GPIO 引脚用来控制一个有源负载和一个充电器。当充电结束或达到放电点时,这允许 LTC6803 断开电池与充电器或负载的连接。

图 1:6节电池监视系统的简化原理图。LTC6803 测量电池电压并控制外部电池放电晶体管。LT1999 测量至电池组的充电和放电电流。
平衡硬件
利用跨电池组中每一节电池的旁路电阻器和开关实现无源平衡硬件。平衡电阻器的使用一般采用两种方式之一 (图 2)。电阻器可用来导引充电电流绕过电池,以便具较低充电状态 (SOC) 的电池能以较高的速率保持充电,而不会使具有高 SOC 的电池有过充电和损坏的风险。该电阻器也可用来使具较高充电状态的电池泄放过多的电荷,以使这些电池与具较低 SOC 的电池实现均衡。

图 2:无源电池平衡的两种选择。电阻值决定主要功能
硬件设计的主要关注之处是确定合适的平衡电流,该电流由所用旁路电阻器的值设定。所需的平衡电流大部分取决于电池的容量、可允许的平衡时间、预期的不平衡程度以及电阻器将怎样使用。如果电阻器用来旁路充电器的电流,那么它将设定为分流几个安培的电流。如果平衡电阻器用来泄放过多的电荷,那么该电阻器的大小要满足所希望的平衡时间。无源平衡仅能纠正源自电池组加载的 SOC 不平衡,而电池组加载则是由电池监视电路、电池本身放电以及内部电阻效应引起的。如果持续监视,那么这些 SOC 不平衡的来源每天应该仅产生少量的不平衡。用于这次实验室评估的电池监视系统采用了一个 33Ω 的平衡电阻器,该电阻器设定大约 100mA 的平衡电流,就小型电池而言,这一平衡电流很大,但是这样的平衡电流允许平衡操作用更短的时间来完成。
控制策略
电池监视系统硬件的控制程序设计为既监视电池状态,又管理电池不平衡。该系统的无源平衡功能可以接通或断开,以决定平衡对电池组的影响。实验室测试在Turnigy公司制造的两个相同的电池组上以及通过多个充电 / 放电周期进行。为了比较方便,仅监视第一个电池组,以确保每节电池的电压都保持在正常工作范围。第二个电池组既受到监视,又接受周期性无源平衡。这个实验中使用的两个电池组由 6 个串联锂离子聚合物电池组成,总容量为 2.2AHr。单个电池的最大终端电压为 4.2V,最小终端电压为 3V。为了模拟实时使用情况并加速老化,两个电池组都在电池监视系统的监察下连续充电和放电。放电周期采用固定的 2C 至 3C、4.4A 至 6.6A 速率,同时电池以 1C 至 2C、2.2A 至 4.4A 的恒定电流充电。基本监视系统设定为监视单个电池电压的欠压和过压情况以及任何过流故障。在放电时,电池组中任何电池达到 3.005V 的欠压限制都会终止放电周期。在充电周期,如果电池组中的任何电池达到了 4.19V 的过压状态,电池充电就终止。每个电池组都重复充电和放电 100 个周期,以加速老化。
无源平衡的目标是调节电池组中所有电池的 SOC ,以便能够从电池组中安全地抽取最多的能量。无源平衡器不产生或向电池组提供电荷,这意味着,电池组中容量最低的电池将决定电池组的有用容量。为了最大限度地提高电池组的容量,平衡器需要确保使容量和 SOC 较低的电池完全充电和放电。仅当电池能完全充电和完全放电时,该电池存储的总能量才能使用,这意味着最薄弱的电池应该是最先完成充电和放电的电池。对无源平衡方法的主要担心之处是,能否识别具较高容量的电池。电池的 SOC 体现在电池的开路电压中,也是剩余能量的百分比指示器。两节电池有相同的 SOC ,不意味着这两节电池存储了相同数量的能量,与容量较低的电池相比,在给定 SOC 下,容量较大的电池存储的能量总是更多。
平衡软件控制算法用来利用充电器协调平衡,而且在充电周期开始时启动。既然无源平衡仅能从电池组去除能量,那么当电池组放电时,平衡就没有意义了。这也消除了使容量较低的电池和容量较高的电池 SOC 相等的可能性,这在放电时会降低可用容量。充电周期一启动,就将电池电压存储起来,然后才连接充电器。在充电周期开始时,平衡器应该决定哪一节电池的电压最低,这节电池将被称为 Clow。充电周期结束的标志是,某一节电池达到预定的最大电压限制,当充电周期结束时,电池电压再次存储起来。在两种情况下,电池电压都是用无负载电流测量的,而且经过了短期稳定。如果充电周期结束后,所测得的 Clow 电压不是最高电压,那么就需要平衡。充电周期之后 Clow 的电压设为 Vbalance。对于电池组中所测得的电压高于 Vbalance 的电池,要启动泄放电阻器。平衡开关应该保持接通,直到所有电池电压都等于 Vbalance 电压为止。达到平衡以后,电池恢复充电,以使电池完全充电。为了观察无源平衡的影响,做了两个测试,结果如下。
测试结果:电池组 1
电池组 1 经过了 100 个充电 / 放电周期,图 3 显示若干周期后记录 6 节电池的电压。该图显示,经过短暂停顿后,在一个完整的充电周期结束时所测得的电池电压。充电后,电池电压之间的不平衡与容量和内部电阻的小量变化有关。在第一个完整的周期中,测得的电池组容量为 2.072AHr,经过 100 个周期后,所测得的容量为 2.043AHr,随着周期数增加,容量有少量下降?;褂幸恢智魇?,即随着充电 / 放电周期数的增加,充电后电池的最终电压下降了,100 个周期以后,这种趋势尤其显著。这种趋势最有可能是因为电池老化引起电池内部电阻的小量增加导致的。内部电阻增加使电池更快地达到充电结束门限。尽管在工作时没有平衡,这个电池组在 100 个周期中自始至终保持着同样程度的不平衡。能像这个电池组一样,每节电池自然而然相互匹配的电池组相当罕见。

图 3:充电周期之后电池组 1 中电池的电压
测试结果:电池组 2
第二个电池组评估时采用了无源平衡算法。在进行任何平衡之前,电池组经过 10 次充电 / 放电。电池组 2 的初始电压如图 4 所示。与电池组 1 不同 ,制造商没有对这些电池的 SOC 进行很好的匹配。遇到这种类型失配的可能性要大得多。电池组 2 需要平衡,然后才能提供总的潜在容量。这种情况是更加典型的。

图 4:充电周期之后电池组 1 中电池的电压
5 号电池与其余电池之间存在很大和高于 100mV 的不平衡。这种不平衡对电池的容量有极大的影响。在一个完整的周期之后,该电池组显示所测得的容量为 1.765AHr。经过 10 个周期之后,不平衡依然存在,平衡算法启动。平衡器给所有电池放电,以与 5 号电池匹配,经过一个完整的充电周期之后,所记录的 SOC 为 2.043AHr,与初始 SOC 相比有 16% 的改进。平衡算法依然保持运行,但是在接下来的 50 个周期中,校正作用非常小,50 个周期之后,所测得的容量为 2.044AHr。
即使经过大量平衡周期之后,该电池组仍然没有利用全部可能使用的能量。主要限制是,该平衡算法没有考虑电池内部电阻这个因素。1 号电池有较高的内部电阻,总是在 5 号电池之前完成充电,从而使 5 号电池无法完全充电。在 50 个周期后,对平衡算法进行修改,以观察电池组容量是否能得到改善。平衡算法修改为,让放电电阻器跨电池两端连接,同时如果任何电池的电压高于 Clow,就连接充电器。这允许比较薄弱的电池在充电器断接之前获得更多电荷,也是图 2 中提到的导引充电电流方法的一个例子。这种充电策略的改变使可用容量提高到了 2.051AHr,并改善了平衡时间。该电池组再充电和放电 50 次,即总共 100 个周期,那么 100 个周期之后所测得的容量为 2.054AHr。电池组 2 的容量在测试过程中一直保持恒定,且当平衡策略改善后,容量提高了。即使最初某节电池与其他电池严重失配,这种改进依然可以实现。
结论
如果电池组物理上很小,电池节数很少,那么初始查验步骤就能保证在电池的寿命期内使电池保持很好的匹配状态。在小型电池组中,电池的负载和温度条件一般是很好匹配的。测试显示,少量不平衡将随着充电 / 放电周期数的增加而增大,电池组 1 损失了 1.4% 的容量。第二个电池组从一开始就显示需要平衡硬件,如果没有平衡硬件,电池组的效用就完全由电池制造商决定了,而且对电池组的误差根本无法校正。在有平衡系统的情况下,电池组 2 能够在测试中自始至终保持其容量,而电池组 1 的容量则稳步下降。总之,在整个工作寿命期内,平衡系统有助于扩大电池组容量。对平衡算法的改进可能包括使用电池特征数据以及特定电池的建模。这允许控制器更准确地确定电池组中各节电池的能量水平,从而甚至当使用相同的平衡电流时,也能使控制器更准确地平衡电池,并缩短平衡时间。



