- 金卤灯电子镇流器设计
- 通过限流来降低输出的电压
- 加运放实现恒电流输出
以节能为主的现代照明中,金卤灯以其优良的照明效果,较高的显色指数在商业领域得到了广泛应用,目前由于电子产品的不稳定性和制造工艺的制约,使该系列产品并未得到较为广泛的应用。本文是针对目前各厂碰到的一些电路结构的分析,并结合本人在电路设计方面的经验所得出的一些心得体会。
一.金卤灯的灯管
金卤灯作为高强度气体放电灯的一种,它包含了高压气体放电灯的一些典型特性,以民用 70w单双端灯泡为例:不同厂家或相同厂家的制造工艺,均有可能使灯泡的电气参数出现离散。主要体现为管压、管流以及金卤丸的微量元素的差别,和色温的误差,其中以灯管管压和管电流尤为明显。
二. 恒功率,用一个电子镇流器 , 点不同的灯泡会出现不同的功率。
如用不同厂家的灯泡有可能会出现更大的参数差别。所以对于电子式金卤灯镇流器,有恒功率的要求,即同一电子镇流器点不同厂家的灯泡会得到同一输入功率。例如点不同70w 金卤灯为输出70w,点150w 负载灯泡时的输出也为70w。镇流器不会因为灯泡的差别而影响输出功率,所以这个功能对于电子镇流器优为重要,这个功能可使不同的灯管在同一功率下能稳定地工作。(能均恒在多支灯同时使用的场合产生的光线误差并有效减少了该误差的存在——恒功率)。
三. 宽电压的输入。
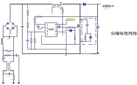
电路结构中的前端APFC 电路,它的应用除可以修正输入电压与电流的波形相位,还可以使输出的直流电压稳定在 直流400V,即输入100v~260v 交流变化时,电路的输出均为400v 直流,同时功率因素修整为0.99 以上,对于群体使用的TH D 的控制更具优势,平均可控制电流总谐波含量在8%,如电路调试良好可控在3%以内。APFC 分为DCM 和CCM 二种,DCM 为峰指电流型即通用常见的STL6561,SA7527 ,MC33262.。 CCM 型 IR1150 等。
DCM 大部分用于450w 以内的电路结构,由于DCM 是频率与脉宽均可调,电路结构相对简单,而且应用最为广泛的结构,该结构的缺点为在空载启动时,上冲电压较高,原则上输出电压会停留在400v,这个电压是由1 脚的电阻分压采样决定的,1 脚基准电压为2.5v,如电阻分压超过2.5v 芯片的输入会控制输出PWM 波形宽度会减小,会使电感的储能减少,从而减少输出能量,降低输出电压。

[page]
1. 这个部分的主要可靠性是来自于主电路的启动冲击电流以及MOS的导通角,如果采样电流过低,4 脚采样反馈不及时,会导致MOS 导通电流过大,以致电路失效。
2. 输出的电压过高(启动时),1 脚与2 脚去耦参数不匹配,空载电压会上冲到450-500V 以上,导MOS 的耐压超标导致电路崩溃。
3.在低电压时,MOS 的升压电流更大(PWM 输出导通较宽)MOS 温升较高。这时可将电压范围设定为接近值,例如:120v~260v 时同等负载测试时,可将电感的感量及匝数,按照260v 时的输入值,设定并最大可能减少次级匝数。在120v 时可将输入最低电压设定为110v最大限度增加电感感量,使母线在110v 满载时输出达到额定的400v。在260v 时设定次级是由于输入电压升高,输入电流减小会使次级电压下降,5 脚电流采样失效,使芯片进入重新启动(误以为空载)母线不断脉动的重新启动。110V 调试时感量大,可减少因输入电压低而导致的PWM 频率太高,带来的MOS 开关损耗,感量大时亦可有效减少峰值电流的值。另一减少MOS 温升的方式是并联一路吸收网络。电阻并联高速二极管后在串联一只电容可使MOS 开关时的尖峰反向电压得到有效吸收。(小功率无明显优势)。
4. 在 110v时为加大感量后,可以加大电流采样电阻,例:在调试 70w负载,110v时可接 80W负载试验,并适当最大化这一值,以保证在低压可有效预防启动时冲击电流过大(电流反馈速度更快)。
5. 器件的选择上有几点需要注意:
⑴ 电容: 要选取一些对于高频损耗较小,耐高温,容量误差较小的电容。例如:去耦电容的容量误差及随温度变化量的大小会决定启动和输出电压的精度。(华容及法拉,较为稳定,以经长期验证)。
⑵ 电阻 :分压采样的这个精度决定母线电压,所以要选取1%精度的金属膜电阻,电流采样最好采用无感(小功率无特殊要求)。
⑶ 二极管 :原则上开关时间越小的二极管损耗越小,但在实际使用时未能发现这一趋势,(日本新电源在大功率120v 250w 以上有明显优势)。
以上是器件选择的几点心得。
四、降压式限流:
Buck 电路在降压电路中有着广泛的应用,是通过限流来降低输出的电压,电路比较成熟,有较多成功案例。但是,Buck 比较适应峰值电流小而平均电流较大的场合。对于HID 灯来说有不少的缺点,曾经有过的调试经验得出结果为100w 以下的HID 比较合适。150w 以上不能接受,温升太高而且越是管压低管流大的灯负载越是明显。
Buck 电路目前绝大部分厂家是使用电源芯片UC3843-UC3845 这类。加运放实现恒电流输出,在加上母线电压400v 恒定,即实现恒定输入功率。
但由于UC3843 芯片为固定频率调节占空比的IC,最大占空比为50%,即如果是负载差别较大时,会从20%~50%之间去调节占空比来调节MOS 的开关时间,减少MOS 导通时间,在经L,C 平滑滤波来实现调节负载电压这一方式。那么如果是100w 负载时,50%的导通和25%的导通,25%的导通峰值电流会是50%的一倍,负载调整率越高越会使效率越低,温升越高,其可靠性就越差。如图:

原理:
UC3843 为电源专用芯片各脚工作原理如下:
8 脚 REF 5V 基准电压
7 脚 VCC
6 脚 PWM 输出
5 脚 接地
4 脚 Rt.ct.振荡且信号输入
3 脚 内部运放输入
2 脚 补偿
1 脚 过流?;?1V 有效
建议:做中大功率时采用其它功率调节结构,做50%占空比(固定)通过PFM 式调节输出电流或者双管正激式,这样在做中大功率时效果会更好。
双管正激式在大功率电源以及电子逆变焊机领域有着较多成功应用。值得借鉴其调整方式安全可靠,输出电压会更低,特别是大电流可靠性对于大功率金卤灯的低频驱动有着明显优势。在BUCK 电路各调节中,原则上频率越高时,峰值电流越小,但开关损耗越大,所以建议频率在30KH 左右,另电流输入中的采样电阻尽可能大些,太小在灯负载变化大时,会采样失败,功率失控,以致炸机。
L 的选择在降压式电路中的电感是储能及平滑波形的作用,所以对磁材可以用铁氧体磁芯和非晶磁环均可,感量可适当加大。感量加大可使MOS 的开关波形中的余振更小,更有利于MOS 的工作可减小MOS 的反向承受电压,(示波器可以测试MOS 的源漏极)。器件选择如上:(PFC 电路中的选取原则)
五、全桥输出:
目前应用较为广泛为IR2110-IR2153,L6569+6569,UBA2030~UBA2033。在HID 全桥中以半桥的高压吸收以及芯片排版等处理较为重要。例:在2153+2153.6569+6569 的主电路中,上管的自举电压中输出信号的处理有几点经验:
1. 上管的供电电压是由芯片Vcc 处12v 经外部二极管或内部二极管在下管导通时中线接地后,向VB 端充电。下管截上后,上管导通时,中线由对地OV 上拉到接近400v。此时,VB 端在中线上加11V(二极管减0.7v 后到电容上只有11v 左右)上管的驱动能量均由此电容的充电电流驱动,所以,电容的电压决定上管工作状态,如:容量较小在全桥驱动中,由于频率较低向电容的充电次数没有高频中的次数多,所以需相应加大此处电容容量以保证上管的驱动电压,在向上管输出1 时,在1 的后端电压最好能高过9v。否则上管的MOS 开关波形将会受损,开关损耗加大,易损坏??山酒腣cc 提到15v可改善此项,但也要根据不同MOS 调试,结果不同。
2. 尽可能做到芯片的单点接功率管的地,此项对在驱动MOS 的芯片输出波形上较为重要,以减小外界对芯片工作时的干扰,Vb 电容,RT.CT 布线要短,Vcc 滤波电容要尽可能靠近1 和4 脚。
3. 在中线上接一只二极管并于VB 电容端正端以防半桥中线振荡时带来的正向尖脉冲会损坏芯片悬浮地VSS,也就是电路启动或者正常工作时(特别是在灯泡未进入稳态的过程中)输出波形抖动对半桥的正向尖脉冲易损坏芯片。
4. UBA2030-2033,这是飞利浦针对全桥驱动专业设计的芯片有HV自供电功能比较先进和简单的电路驱动结构。由HV 降压滤波电容,RT.CT.VB 电容即可工作。如用简单的驱动,显然,UBA2030 的绝大部分优势并未显现。如减小低频方波对于镇流器以及电源冲击,以及噪声的处理,可用单片机生成PWM 波对UBA2030,以及全桥IR2110-+2153 实现接近正弦波的处理,即生成在纯方波之前和之后加一高速PWM 的小方波,以平滑全桥方波的前极和后极形成过渡电压波形即可,出现接近正弦波可有效减小,纯方波带来的低频噪音及对镇流器周边辐射。
5. 全桥MOS 中二个半桥对地电容以及二极管对尖峰吸收作用根据以往的经验,不要太过依赖MOS 中的自代的二极管,要加强全桥中的Lc 吸收。
6. 高压点火路线由于后极母线电压会随灯的击穿而降至灯电压,所以原则只要选择的放电管的雪崩值高于灯管电压而低于母线空载电压即可。一般选取230v~350v 之间,有半导体DISC,空气放电式,陶瓷放电式,可控硅触发式,自耦式等多种结构。目前以半导体式和自耦式居多。汽车的HID 以陶瓷放电为主。
⑴ 半导体式 放电次数较多,寿命较长。但放电能力有限,峰值电流不大,电压精度较好。
⑵ 空气放电 式受空气的湿度影响较大,对于放电电压要求不高的高压场合较为适用,可用于超高压的快速启动的二级放电。
⑶ 陶瓷管 来源于防雷管领域,优点顺态电流可上千A,寿命不长,有效寿命在5 万-10 万次左右,(视不同厂家效果不同,最好的是西门子),寿命末期电压值漂离较大。
⑷ 可控硅式 早期由于DISC 的半导体结构的不成熟而做的替代电路,由DB3 的分压决定可控硅的放电电压,寿命较长,但电流能量较小,开关速度较慢,对于高压钠灯较为适用,对于金卤灯对脉冲宽度有要求的场合不太适用,可改良结构但成本较高放弃。
⑸ 自耦式 将全桥的电线并联一104-474 电容.在电容中串入变压器的初级,全桥振荡时,电容二端电压突变充放电流流过变压器初级时,会在次级形成高压输出,升压能力由 MOS 的内阻以及电容的内阻决定,电流大小由电容容量决定,但电容越大,充放电电流越大,对全桥造成的负担越重,不利于长期灯工作,越小容量放电电流越弱,对长线点火不利,同一负载用自耦式104 和DISC 式全桥有10 度左右温差。(150Hz 70w)





