【导读】汽车应用的电气化和自动化趋势推动了域控制器的兴起,用以减轻线缆重量并将车辆架构简化为多个局部化的电源中心。设计人员可以利用这种新兴架构,将传统保险丝和机械继电器替换为更紧凑的电子保险丝 (eFuse),以提供更先进的?;すδ?,包括故障情况下更快速、更准确的响应。eFuse 将?;ず涂毓δ芗傻降ジ鲂〕叽绶庾爸?。
eFuse 是局部配电方案的重要组成部分,可为车辆的电子控制单元 (ECU) 等多个负载点提供关键的智能保护,如图 1 所示。这些 eFuse 负责?;ふ龀盗镜拇衅鳎ň嗬氪衅?、温度传感器等)、摄像头、低压电机(用于汽车座椅、车窗控制)及前大灯和尾灯免受过流事件的影响。
图 1:域控制器中使用 eFuse
设计人员面临的另一个挑战是印刷电路板 (PCB) 被限制在极小面积下,实现每个 ECU 网络内驱动多个独立(阻性、容性和感性)负载。每个 ECU 负载可能有不同的电流和电压范围要求,导致设计人员不得不使用多种 eFuse 型号。此外,根据严格的汽车要求规定,eFuse 必须能够承受接地短路事件,同时确保电源,和其他下游负载不受此类瞬变的影响。
安森美 (onsemi) 的新型 NIV3071 eFuse具有 8V 至 60V 工作输入电压范围,在紧凑的 5x6mm 封装中集成了 4 个独立通道,可以同时驱动多个并联负载。每个独立通道可支持 2.5A 连续电流,4 个通道并联时可支持 10A 连续电流。NIV3071 支持各种负载,包括阻性负载、感性负载和容性负载。NIV3071 可驱动大的容性负载,经测试在 Vin = 52 V、60ms 爬坡时间、Iout = 866mA、Ta = 25°C 时支持高达 1mF 容性充电??砉ぷ魇淙氲缪狗段?NIV3071 非常适合 12V 和 48V 汽车应用。
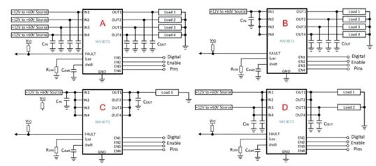
此外,汽车设计人员可利用 NIV3071 的灵活性以多种配置驱动各种负载,如图 2 所示。4 个独立通道可以工作在允许范围内的任意大小的不同电压下(通常为 12V、24V、36V 和 48V,但不限于此),如配置 A 所示。该器件也可以连接单个电源,即所有输入连接在一起(例如 48 V)来驱动 4 个不同的下游负载,如配置 B 所示。配置 C 显示了 NIV3071 并联4个通道驱动高达 10A 的连续电流,而配置 D 突出显示了 eFuse 驱动 2 个负载,每个负载最高可达 5 A。
图 2:NIV3071 配置
NIV3071 有助于实现稳健的设计,其能够承受输入电压 ≤60 V 的接地短路事件而不损坏,即使输入和输出上的线束电感高达 5 uH,也无需输出肖特基二极管的?;ぃ缤?3 所示。NIV3071 还支持各种负载的运行,包括 25°C 时为高达 1 mF 的容性负载充电。
图 3:NIV3071 稳健可靠,能够承受接地短路事件
NIV3071 eFuse 的性能优于传统保险丝和正温度系数保险丝 (PTC)。在短路事件中,eFuse 可确保下游负载在故障情况下始终受到保护。图 4 展示了 NIV3071 的快速响应时间,它能够最大限度地减少电流尖峰,同时确保连接到同一电源的所有其他电路具有稳定的供电 (VCC)。
图 4:NIV3071 稳健性 – 短路事件
总之,eFuse 是域控制器架构的关键要素,可确保整个车辆的局部 ECU 受到保护且稳健可靠。凭借宽工作电压范围和同时驱动多个并联负载的能力,NIV3071 可以在驱动多个下游负载的同时最大限度地减少?;し桨杆璧?PCB 面积。NIV3071 提供稳健的域控制设计,无需额外的分立?;さ缏?,它就能承受eFuse通路上连接线束电感达到5uH并且工作电压高达 60V条件下的接地短路事件,与之类似的工业版本 NIS3071 也已推出。
免责声明:本文为转载文章,转载此文目的在于传递更多信息,版权归原作者所有。本文所用视频、图片、文字如涉及作品版权问题,请联系小编进行处理。
推荐阅读:





