桃花源qm花论坛(品茶),凤楼阁论坛官网入口网址,一品楼品凤楼论坛最新动态,风楼阁全国信息2024登录入口

为什么数模转换器需要缓冲?

发布时间:2023-05-12 责任编辑:lina

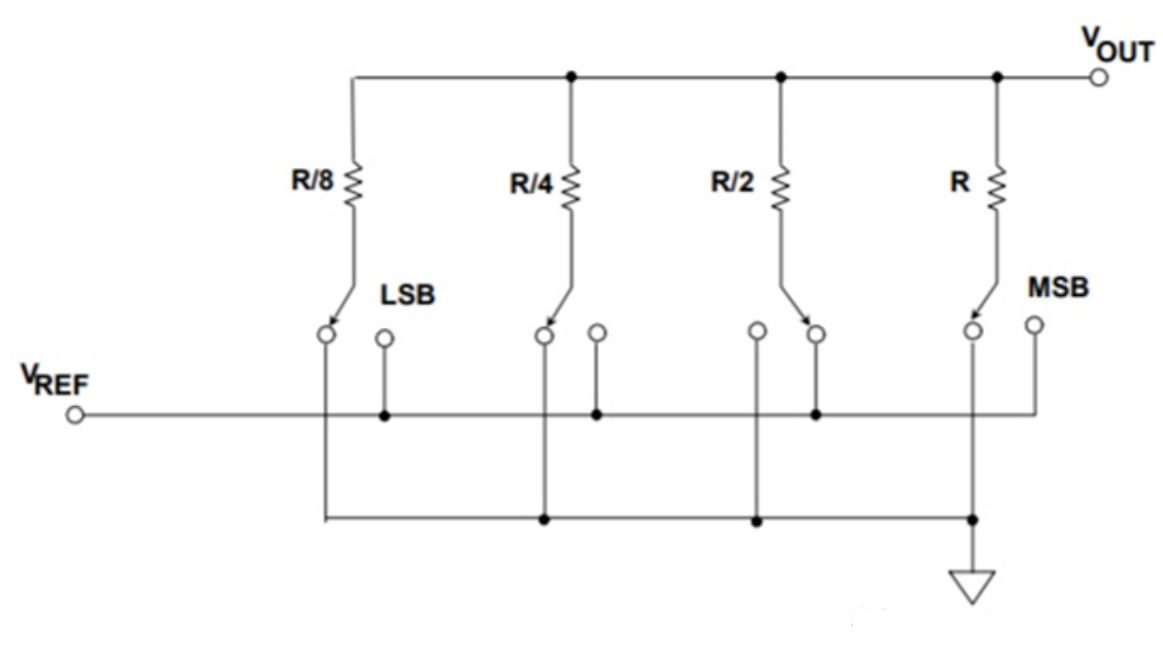
【导读】数模转换器 (DAC) 的模拟输出可以是电压输出,也可以是电流输出。输出阻抗是任何输出类型的重要参数之一。对于电压模式输出,一般会应用二进制加权电阻网络进行数模转换。


问:DAC 的输出缓冲与无缓冲


数模转换器 (DAC) 的模拟输出可以是电压输出,也可以是电流输出。输出阻抗是任何输出类型的重要参数之一。对于电压模式输出,一般会应用二进制加权电阻网络进行数模转换。


为什么数模转换器需要缓冲?

图1.电压模式二进制加权电阻DAC转换结构


如果没有缓冲,输出通常为高阻抗,这会导致对任何负载出现输出电压误差,这时可以通过添加“缓冲器”(运算放大器)来降低阻抗。


为什么数模转换器需要缓冲?

图2. DAC输出缓冲


电流输出DAC具有代码相关的输出阻抗,因此其输出必须在负载之前驱动虚拟接地运算放大器,以保持输出线性度。以亚德诺半导体(Analog Devices)的AD5545 为例


电流输出IOUT连接到运算放大器反相输入,因此运算放大器充当I-V转换器。


这样一来,VOUT仅会参考VREF值,因而提高了DAC的输出稳定性。


为什么数模转换器需要缓冲?

图3.电流模式二进制加权电阻DAC转换结构


鉴于“缓冲放大器”的必要性,厂商推出了缓冲内置产品,从而降低了零件数量和成本?!盎撼濉盌AC表示输出经过了缓冲(规格书上会予以注明),因此输出阻抗会很低。如果DAC未经过缓冲,则规格书中的相关参数将指定为“未加载”。


此外,厂商还向市场提供“无缓冲DAC”。这样做的好处是,设计者可以选择适合其应用的放大器,例如更高的电流驱动、更大的电源范围或更多的带宽、放大器等,因而提高了设计的自由度。


免责声明:本文为转载文章,转载此文目的在于传递更多信息,版权归原作者所有。本文所用视频、图片、文字如涉及作品版权问题,请联系小编进行处理。


推荐阅读:

多电压系统中的监控器

无需电感器的升压和反相:电荷泵电源

GPU 的预测瞬态仿真分析

通过LTC4217提高热插拔性能并节省设计时间

提高运动效率,助力工业碳减排


特别推荐
技术文章更多>>
技术白皮书下载更多>>
热门搜索
?

关闭

?

关闭