【导读】工业控制中,虽然用电设备通常工作在三相电源下,但很多情况下对工作电源要求很高。电压的波动会给用电设备造成过压、欠压、延时等现象,损坏用电设备,这样欠压、过压及延时电路?;さ纳杓圃谑导什僮髦芯推鸬搅酥匾淖饔谩?/strong>
通常电网产生的电压偏高,以及大功率电动机的起动,电焊机的工作,特别是大型电弧炉和大型轧钢机冲击性负荷的工作,均会引起负荷的急剧变动,使电网电压损耗随之产生相应变动,从而使用户公共供电点的电压出现波动现象。而上述情况所造成的电压波动,又会给用电设备造成不应有的过压、欠压现象。如长时间供给用电设备,则会极大的损坏用电设备。所以在用电设备使用中,会加入相应的?;さ缏?,以保证用电设备在正常的供电状态下使用。当供电线路出现过、欠压时,保护电路进行有效?;ぃ佣繁S玫缟璞赴踩T诵?。
设计思路
该?;さ缏吠ü运┑缟璞傅缪菇腥⊙觳?,如电压出现过压、欠压现象时(过压、欠压值可根据所需设定),保护电路内部执行继电器延时,释放(?;さ缏吩谡9ぷ魇蔽薰?、欠压情况下内部执行继电器呈吸合状态)。从而达到对用电设备的?;ぁ8帽;さ缏返墓ぷ髯刺既缤?所示。
图1 工作状态图
过压状态
当加入工作电压大于欠压状态最高值,小于过压状态最小值时,保护电路内部执行继电器呈吸合工作状态。当电网电压超出过压设定值时,此时?;て鹘胙邮北;すぷ髯刺?,延时T(时间)到达后,内部执行继电器由吸合状态转为释放。
欠压状态
当加入工作电压小于过压状态最小值,大于欠压状态最高值时,?;さ缏纺诓恐葱屑痰缙鞒饰瞎ぷ髯刺5钡缤缪沟陀谇费股瓒ㄖ凳?,此时?;さ缏方胙邮北;すぷ髯刺邮盩(时间)到达后,内部执行继电器由吸合状态转为释放。
延时工作
?;さ缏犯莨?、欠压设定值,对延时?;ぜ尤胧奔淇傻鞴δ?,以满足不同的过压、欠压?;?。具体可采用摩托罗拉公司的MC4541可编程定时集成电路来完成设定延时功能。通过它的1~3引脚为时钟振荡器外接电阻(1引脚RTC为定时电阻可调),电容(2引脚CTC定时电容)来实现延时。
具体延时时间T=1.2×2nRRTC×CCTC,由于定时集成电路12、13引脚为A、B(定时常数编程选择端可外接电平高低进行编程)A=0、B=0,2n=8192 T="1".2×8192×1×106×3.3×10-9=32(s),相应设定时间由RRTC来调整。外围6引脚MR为手动复位控制端,低电平“0”时,计时器工作延时,高电平“1”时,计时器自动复位导通。9引脚输出高或低电平选择端,10引脚MODE单定时或循环定时选择端分别选择“1”和“0”时,则8引脚Q输出端工作状态为通电吸合(输出高电平),当6引脚MR为低电平“0”时,计时器工作延时待延时结束后,8引脚由高电平跳变为低电平(外控继电器由吸合变为释放)。
?;さ缏芳际醪问柚?br />
?;さ缏饭共问柚梦?12V、424V、436V、448V、460V、472V??筛菪枨蠼泄怪瞪瓒ā?br />
?;さ缏非费共问柚梦?76V、364V、352V、340V、328V??筛菪枨蠼星费怪瞪瓒?。
保护电路延时时间30s可调。可根据过、欠压值来设定相应时间。
?;さ缏?/strong>
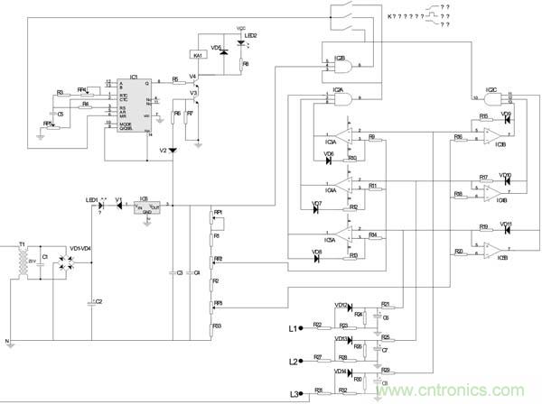
保护电路示于图2。

图2 保护电路
在正常工作情况下,被检测的相电压L1、L2、L3分别经三组电压检测电路(三组相同),将检测的电压信号取出与之设定的欠压、过压值进行比较。如相电压L1经R22、R23电阻分压,在R23电阻上取出经分压后的交流电压信号,再经VD12、C6整流滤波后,由R21分别加入IC5A的反相输入端和IC5B的同相输入端。并通过IC5A的同相输入端3(过压设定值)与IC5B的反相输入端6(欠压设定值)进行过压与欠压比较判定。如属正常工作状态时,则IC5A输出端1与IC5B输出端7均为高电平“1”,分别加入与门IC2A与IC2C的输入端1和11。其余两相电压L2、L3工作状态都与之相同。
当L1、L2、L3相电压都属正常工作电压下工作,则与门IC2C的输出端9、10均为高电平,经功能转换开关K与IC2B与门处理后,高电平加入IC16端(MR自动复位端)使之呈自动复位导通状态,?;は呗分蠯A1吸合,?;ごサ愠时蘸献刺酶帽蘸洗サ憷纯刂萍尤?串接)用电设备接触器的线圈回路中,从而达到设备的正常供电。如在检测比较回路中出现过压或欠压时,则IC5A与IC5B的输出端1和7会出现低电平“0”,分别会使与门IC2A与IC2C输出9和10呈低电平状态,使保护线路进入?;すぷ?。在电路中加入IC2B与门保证其无论是出现过压、欠压状态下,输出端6为低电平,经功能转换开关K加入到IC16引脚的MR手动复位控制端,使其延时,待延时结束,IC1输出端8引脚输出低电平,?;さ缏分蠯A1线圈失电,保护触点断开,此时用于加入用电设备接触器线圈释放,外接电源断开,从而保护其用电设备。
在欠压(RP3调整),过压(RP2调整)基准调节时,应结合RP1进行相应调节。通常在欠压调整时,三相线电压调至350±10V(此时相应的相电压低于AC220V,从L1、L2、L3取样的相电压处于欠压状态),将RP3调至中间位置,然后再微动调整RP1,此时内部继电器处于临界工作状态,功能开关应位于过压状态下。
在欠压处理上,IC5B(其IC4B、IC3B都相同)同相输入端加入电压并联正反馈(由R19、VD11),使其在欠压检测时,如工作正常因正反馈使5端电位升高,保证其工作状态稳定;同样在过压处理上,IC5A(其IC4A、IC3A都相同)也在同相输入端3加入电压并联正反馈(由R13、VD8),使其在过压检测时,如检测的过压值低于其设定值时,保证其工作状态的稳定。
在保护电路电源部分,因供电电源由相电压AC220V经变压器T1次级提供工作电压。电源处理时,在加入IC6三端稳压的输入端串接反向稳压管V1,并在驱动V3前端串接反向稳压管V2,可充分保证该相电压如处于欠压时,工作电源无法使其电路正常工作,从而保证KA1不能正常吸合,使?;さ缏反τ谇费贡;ぷ刺?/p>
总结
该?;さ缏肥舻缪谷⊙觳庑捅;さ缏?,因不受被?;さ缙骷吧璞腹β蚀笮∠拗频玫焦惴河τ?。在过压、欠压?;ど瓒ń戏奖?,且保护时间准确可调。可根据用电设备的电网质量情况进行有效?;?,确保用电设备以及电器产品不因电源质量不良而造成损坏。





