中心议题:
- 针对正负脉冲电源中对IGBT?;さ囊?/strong>
- ?;さ缏返目刂频缏?/strong>
正负脉冲电源的解决方案:
- 双重?;た刂频缏?/strong>
摘 要:针对正负脉冲电源中对IGBT保护的要求,提出并分析了一种廉价而简洁的、适用于各种?;さ缏返目刂频缏罚隽松杓剖毙枰⒁獾奈侍?。该控制电路对于实际操作中可能遇到的过载、瞬时过流、短路等现象能进行很好的监测和控制。
在材料?;ち煊颍壤胱犹灞砻娲?、阳极氧化、微弧氧化、脉冲电镀等新技术正在国内兴起。工业生产需要的特种电源以大功率正负脉冲电源为先进的一种。电源的研制过程中,绝缘栅双极型晶体管(IGBT)始终是功率开关器件的首选。他集MOSFET的输入阻抗高、驱动容易、开关速度快、无二次击穿和GTR的通态压降低、高压大电流化容易等优点于一体,是目前脉冲电源中的主要功率开关器件。IGBT的可靠工作是脉冲电源可靠工作的基础,在对IGBT的?;ぶ?,过流保护是关键技术之一,脉冲电源能否稳定、可靠地工作,很大程度上取决于过流检测?;さ缏飞杓频挠帕?。
1 典型控制方案
1.1 IGBT的失效机理
IGBT在短路和过流时,如不迅速加以?;ぞ突岬贾缕骷?,其主要原因有:超过热极限、发生擎住效应、器件过压击穿等。
(1)超过热极限 器件短路时的功耗将导致器件芯片温度迅速上升。若温度超过250℃,由于芯片材料硅的本征化将会导致IGBT迅速热击穿而损坏。
(2)发生擎住效应 IGBT结构上存在寄生晶闸管,在极大的短路电流下关断IGBT时极易发生动态擎住导致器件损坏。
(3)器件过压击穿 大电流下关断IGBT时极大的dI/dt在回路电路中产生的关断电压尖峰有可能使IGBT因雪崩击穿而损坏。
1.2 IGBT的特性曲线

图1是IGBT短路时的输出特性。他说明IGBT的短路电流Isc随电源电压VCC增加而增加,同时也随栅极驱动电压VGE增加而增加,因此栅极驱动电压VGE的幅值不宜过大。

图2是IGBT的允许短路时间tSC,短路电流Isc与栅极驱动电压的关系,由图2可知,当IGBT短路时,及时减小VGE可以使ISC减小和延长。

图3是IGBT的饱和导通压降VCES和集电极电流Ic的关系。该图表明,VCES和Ic近似成线性关系,因此,可以通过检测集电极电位来判断IGBT是否过流。
[page]
1.3 常用检测电路
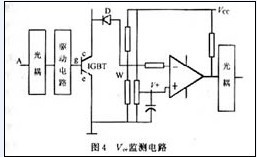
根据以上IGBT的3个特性曲线,利用通过检测集电极饱和压降来判断IGBT是否过流这一原理,可以派生出很多检测电路。其中较为常见的电路如图4所示[1]。

此电路由一比较器实现。图4中D为高反压快速恢复二极管,电位器W用于调整V+。当管子正常导通不过流时,Vce+Vd(Vd为二极管D的正向导通压降)低于V+,比较器输出高电平;当发生过流时,Ic急剧增加,使 Vce上升很多,有Vce+Vd高于V+,比较器输出低电平,通过光耦产生过流保护信号(低电平有效)。
虽然通过检测其集电极电压来判断IGBT工作电流是否过大的方法最直接,但在电路设计时遇到2个问题:
(1)IGBT通态时,Vce只有几伏电压,IGBT关断时,Vce却有几百伏电压,相差如此大的检测信号怎样协调统一。因检测电路直接与控制电路相连,所以不希望有强电信号进入,以免干扰和冲击控制电路。
(2)由于IGBT管在快速大电流能断状态下工作,要求检测电路输入阻抗高,输入电容小。鉴于以上两点,选择舍弃通过检测集电极电压来判断IGBT工作电流是否过大的方法,而考虑在主回路上直接进行检测。
2 双重?;た刂频缏?/strong>
2.1 主电路原理图
主电路为载波电路,如图5所示。

图5中I1,I2为采样电流,V1,V2为采样电压。I1,V1分别为正向电流和正向电压;I2,V2分别为反向电流和反向电压。
2.2 控制系统原理图控制电路如图6所示。

图6中LM358为反向放大器,LM324为比较器,PT为?;さ缏返目刂菩藕?高电平有效)。这里,比较器选择的依据是:由图2中IGBT的驱动栅压 VGE与Isc和允许过流时间tsc的关系知,当VGE=15 V时,该器件承受250 A的过流冲击时间仅为5μs。如果在过流开始时,将栅压降低到10 V,则承受过流的时间可延长到15μs,并且过流幅值也由原来的250 A下降到100 A。当然,由于VGE的降低,将导致IGBT导通压降升高,这将使管子的瞬时热损耗急剧增大。为了防止热损坏,这个时间应足够短,不允许因此而引起热损坏。事实上,过流?;さ缏返恼鱿煊κ奔渫ǔP∮?0μs。因此,选用廉价的LM324基本可以满足设计要求,他的具体指标如下:单电源供电,工作电压 3~ 30 V,输入失调电压低于5 mV,输入到输出传输时延5μs,100 dB带宽大于1 MHz。
2.3 实现功能
这里以反向采样电流I2这一支路为例进行说明?!?/p>
采样电流I2经LM358反向放大后在1脚输出,这里分别记LM358的管脚1,2,3,5,6的电压为V1,V2,V3,V5,V6,从图中显然有V1=V2=V6。这里V3为瞬时过流?;た刂频?,V5为持续过流?;た刂频恪?/p>
当V2<V3时,即没有过流信号出现,此时比较器1脚,7脚输出高电平,D1,D2截止,控制电路不工作。
当V3<V2<V5时,即有瞬时过流信号出现,比较器1脚输出低电平,7脚仍是高电平,D1导通,D2截止,即只有第一级比较起作用,此时,Q1,Q5导通,LED发光,PT为高电平,启动保护电路。在这种情况下,主回路每瞬时过流一次,LED便亮一下,而后熄灭。也就是说,当过流信号介于比较点V3和 V5之间时,可以实现过流一次?;ひ淮蔚墓δ堋?br />
[page]
当V2>V5时,即有持续过流信号出现(如短路时),比较器 1,7脚为低电平,D1,D2导通,两级比较都起作用,但起决定性作用的还是第2级比较。因为Q2,Q3组成可控硅式结构,当D2导通后,相当于给“可控硅”一个触发信号,Q3马上导通,紧接着Q2也导通,则有LED发光,PT为高电平。此时,即便取样电流I2恢复正常,D1,D2截止,但Q3与Q2仍是导通的,LED一直发光,PT一直处于高电平状态。这也就是说,当过流信号大于短路电流?;た刂频鉜5时,可以实现短路后长期?;さ墓δ堋?/p>
控制电路中D4的作用是:由于PT外接?;さ缏罚缏分械牡枷呱洗嬖谧欧植嫉绺?,而分布电感上的电流又会反向加在Q2,Q3上,导致Q2,Q3的损坏,故在此加上一个二极管,缓解导线分布电感上电流对开关的冲击。
当检测到瞬时过流信号时,可以通过延时关断一个周期的驱动信号,随后恢复之,进行?;ぃ坏奔觳獾蕉搪沸藕攀?,可以通过慢降栅压技术[4]来关断IGBT,从而进行保护。对于正向取样电流I1工作原理的分析与反向电流I2相同,在此不加赘述。
2.4 需要注意的问题
(1)电路中要求放大器LM358放大100~200倍,并且他存在失调电压,通常是10 mV左右,而待放大的信号也是很微弱的,一般情况下有几十个mV,但不能排除输入信号低于10 mV的情况。当这种情况发生时,可以在放大前先给输入信号叠加一个10 mV左右的信号以抵消失调电压的影响。如果实际应用中需要稳定性更好、精度更高、放大倍数更大的放大器,则可将LM358换成有正负电源供电的 TL082。
(2)在实际应用中,发现比较器LM324的响应速度还是不理想的,对于频率更高,功率更大的脉冲电源,建议使用 NJU7119(单电源CMOS比较器,工作电压1.8~5.5 V,工作电流100 mA,输出能驱动TTL,CMOS和各种电压电平,输入失调电压低于7 mV,传输延迟时间(tplh/tphl)为160/70 ns)或AD53519(双超快电压比较器,有很强的输入?;?,输入到输出传输时延300 ps,差分ECL兼容输出,差分锁存控制,3.0 dB带宽大于2.5 GHz,输出端上升/下降时间为150 ps)。
(3)Q1和Q3的基极和发射极间的电阻选取很重要,也就是R3和 R22的阻值是严格要求的,他们和比较点输出电压(如LM324的1脚和7脚)有密切联系。因为比较器和三极管的供电电压是一样的,而电路要求比较器输出的高电平VH与二极管管压降之和一定要大于Q1和Q3的基极电压VB,即:VH+VD>VB,所以可以根据实际需要来选择R3和R22的大小。
3 实验与结论
在本所自行研制的30 kW微弧氧化用正负脉冲电源中,此控制电路起到了很好的监测和控制作用,对于瞬时过流和短路情况的发生,都能给予及时的识别和相应的?;ぁ>な奔涞脑诵泻拖殖」ひ盏奶厥庖?,本设备完全能够应付各种过流现象的产生,确保电源安全可靠工作。
本文介绍的避开检测集电极电位来判断IGBT是否过流的方法,改用直接检测主回路分流器上电流来判断和控制过流,实现电路简单,成本低,可靠性高,动态性能好,已用于脉冲电源的控制单元。




