【导读】本文介绍新一代多路复用模数转换器(ADC)如何提供更多通道、更深入的信号链集成、灵活性和鲁棒性优势,以简化复杂系统设计,从而支持在先进工厂和生产设施中实现自动化和过程控制。
在现代生产设施中,适当的模拟前端(AFE)对于实现稳定可靠、精密准确的模数转换至关重要。由于不同系统和机器之间存在差异,通常情况下,可以使用可编程逻辑控制器(PLC)来控制许多复杂的参数。为此,将通过模拟输入??槔蠢貌煌拇衅骱托藕?。许多传感器(例如压力、流量、温度和称重量传感器)只能够提供所测参数量的模拟输出。因此,需要许多精密准确的模拟信号输入来生成数字输出。然而,模数转换只是工作任务的一部分。生产设施中的节点、传感器、模拟输入模块和PLC之间相互连接,生产环境中也充斥着电气噪声和其他干扰因素(如EMI)。因此,稳定可靠的ADC对于在如此恶劣的条件下有效运行至关重要。
新型多路复用ADC具有高集成度、高精度,高度灵活且稳定可靠
PLC包含许多模拟电压输入,用以监控其系统,因此通道数较多。例如,可以使用具有11个单端输入或6个带缓冲器的差分输入的ADC来实现高通道数。单端或差分输入特性使其可以与不同传感器轻松连接。此外,对于使用外部检测电阻进行电流测量的情况,将其中一些通道分配到较低输入范围非常有用。在现代多路复用ADC中,例如AD411x系列中的某些器件,此类检测电阻已集成到器件中。
AFE还集成了关键的无源元件,例如采用ADI公司iPassives?技术的高精度、低漂移、匹配的1 MΩ和10 MΩ分压器,因此无需昂贵的外部元件。这样,可以充分缩减解决方案的尺寸、重量和电路板空间,在实现更高密度的同时,空间利用也更加优化。

图1. 新一代多路复用ADC的内部结构
新型多路复用ADC(例如 AD4116 )是一款低功耗、低噪声、24位Σ-Δ型ADC,其中集成了极高阻抗AFE。图1显示了该器件的内部结构。为实现更高灵活性,输入可以独立配置。每种设置都允许用户使能或禁用缓冲器,校正增益和失调,选择滤波器类型,选择输出数据速率(ODR),以及选择基准电压源。
灵活选择不同的基准电压源,有助于轻松完成设计任务。这些多路复用ADC具有多种基准电压源选项,例如:内部低漂移2.5 V电压源,通过差分Ref+和Ref-引脚提供的外部基准电压源,或使用模拟电源(AVDD-AVSS)。对于外部基准电压源,此类ADC的两个基准输入端均有真正的轨到轨、集成精密单位增益缓冲器。这些缓冲器具有高输入阻抗,使外部高阻抗信号源可以直接连接到这些输入。
同样,使用该ADC的用户可以选择时钟源,例如内部振荡器、外部晶振或外部时钟,这种灵活性可简化设计过程。
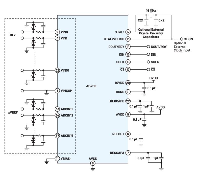
在模拟端,从外设接收外部电压的输入端是决定多路复用ADC稳健性的关键因素。使用5 V单电源时,AD4116等现代多路复用ADC可以实现高达±20 V的输入范围。该ADC甚至可以接受超出这些范围的输入电压而不会损坏器件,因为其绝对最大额定值为±65 V。然而,在该输入范围内,精度上可能会有所损失。TVS等外部?;て骷ㄈ缤?所示)可以在超出绝对最大额定值时?;DC。在数字端,CRC校验增强了接口的稳健性。
ADC输入端的RC低通滤波器(如图2所示)有助于抗混叠和噪声滤波。重要的一点是,滤波电阻与ADC的输入阻抗串联放置。此电阻会影响内部分压比,导致增益误差。不过,当ADC的输入阻抗非常高(例如10 MΩ)时,分压误差将非常小。例如,如果使用180 Ω,误差仅为0.0018%左右。此外,该误差可以通过系统校准或调整增益设置来消除。前者可利用新型多路复用ADC提供的校准模式来完成。这些现代ADC具有四种子校准模式:内部零电平、内部满量程、系统零电平和系统满量程。
除校准模式外,对于正常操作,还提供其他选项,包括连续转换模式、连续读取模式或单次转换模式。为了在功耗预算有限的系统中节省功耗,用户还可以激活待机或关断模式。
额外的集成功能
新型多路复用ADC的高集成度带来了更大的灵活性,尤其是在典型的自动化应用中。例如,有四个集成通用输入输出(GPIO)引脚,其中两个可配置为数字输入或输出,而另外两个可以单独配置为数字输出(GPO)。这些GPIO或GPO引脚可用于控制额外的外部多路复用器。利用外部多路复用器可以进一步增加通道数。另一个集成特性是可编程延迟??椋梢栽贏DC开始采样之前使能。此延迟可以使外部多路复用器或放大器稳定下来。默认情况下,新型ADC生成24位转换结果。但是,转换结果的宽度可以通过一个控制位减少到16位,以便简化某些微控制器的数据处理。
集成式温度传感器可以帮助监控器件工作的环境温度。它还可用于诊断目的,或者作为一个指标来判断应用电路是否必须运行校准例程以补偿工作温度的可能变化。

图2. 典型连接图。
结论
新型多路复用ADC精度高且易于集成,可满足现代生产设施和工业应用对高性能和鲁棒性日益增长的需求。与此同时,设计人员获得了更大的灵活性,可以更快速轻松地满足系统性能要求。
免责声明:本文为转载文章,转载此文目的在于传递更多信息,版权归原作者所有。本文所用视频、图片、文字如涉及作品版权问题,请联系小编进行处理。
推荐阅读:



