- 四象限光电探测器方案设计
- 本系统中采用ADS7864
- 采用锁存器74HC373来连接89C51和ADS7864
一、原理
四象限光电探测器实际由四个光电探测器构成,每个探测器一个象限,目标光信号经光学系统后在四象限光电探测器上成像,如图1。一般将四象限光电探测器置于光学系统焦平面上或稍离开焦平面。当目标成像不在光轴上时,四个象限上探测器输出的光电信号幅度不相同,比较四个光电信号的幅度大小就可以知道目标成像在哪个象限上(也就知道了目标的方位),若在四象限光电探测器前面加上光学调制盘,则还可以求出像点偏离四象限光电探测器中心的距离或θ角来。

图1 目标在四象限光电探测器上成像

图2方位探测器原理框图。
信号通过放大和调理后由由A/D转换器(本系统中采用ADS7864)采样转换成数字量送入单片机,由单片机处理后得到目标的方位,并根据实际系统的需要输出方位控制指令。
二、电路设计
根据实际系统的需要,A/D转换器用ADS7864,单片机用最常见的89C51。
这里对ADS7864作一介绍。ADS7864是TI公司生产的12bit高性能模数转换器,片上带2.5V基准电压源,可用作ADS7864的参考电压。每片ADS7864实际由2个转换速率为500ksps的ADC构成,每个ADC有3个模拟输入通道,每个通道都有采样保持器,2个ADC组成3对模拟输入端,可同时对其中的1~3对输入信号同时采样保持,然后逐个转换。由于6个通道可以同时采样,很适合用来转换四象限光电探测器的4路光电信号,剩下2个通道作系统扩展用。
*下面主要介绍电路中的信号采样转换和处理部分。
ADS7864前端调理电路
模数转换器的前端调理电路缩放和平移要采样的信号,通过调理后的信号适合A/D转换器的模拟输入要求。图3是ADS7864一个输入通道的前端调理电路,

图3 ADS7864前端调理电路
ADS7864模拟输入通道的+IN和-IN的最大电压输入范围为-0.3V~+5.3V(ADS7864 +5V供电)。图3的电路中使用了2个运放,A1用作跟随器,用来缓冲ADS7864输出的2.5V基准电压源;A2和四个电阻构成了信号调理网络,适当配置R1~R4电阻可以实现对输入信号Vi的缩放和平移以适合ADS7864模拟通道的输入要求。+IN端的输入电压表示如下:


ADS7864与单片机连接电路
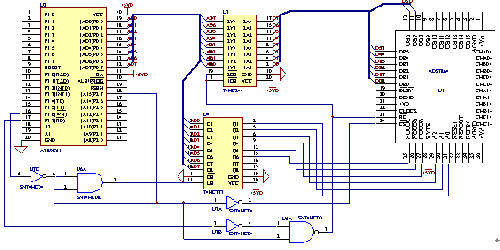
ADS786转换后的结果通过DB0~DB15输出,若将BYTE引脚接高电平,则每个结果分两个字节从DB0~DB7读出,用8位的单片机读取非常的方便。为了避免89C51对ADS7864的干扰,用一片74HC244缓冲器来连接89C51的P0口和ADS7864的DB0~DB7,控制ADS7864的信号/HOLDA~/HOLDC、A0~A2也是通过89C51的P0口输出,用一片74HC373来锁存这些控制信号。图4是89C51与ADS7864的连接电路图,其中略去了其它的一些电路连接。

图4 ADS7864与89C51的连接
系统采用89C51的P2.7寻址ADS7864,地址为8000H,同时用这个地址信号配合89C51的/WR和/RD信号作74HC244和74HC373的使能信号。要求当89C51的/RD=0,P2.7=1时才开启74HC244,读取ADS7864的转换结果;当89C51的/WR=0,P2.7=1时74HC373才锁存89C51 P0口上的数据信号,实现往ADS7864的控制端写数据,其它时候74HC244和74HC373都是关闭的,这样避免了89C51 P0口上的其它信号对ADS7864的干扰。采用锁存器74HC373来连接89C51和ADS7864的原因是为了在ADS7864转换数据的时候保持/HOLDA~/HOLDC、A0~A2端的电平保持不变,免得影响ADS7864转换数据的精度。74HC244和74HC373的使能信号真值表如下:

根据真值表,可以用图4中的逻辑电路来实现这两个使能信号。系统的最终目标就是获取数据,然后计算得出结果。89C51控制ADS7864转换和读取转换结果的代码如下:

启动转换后,在读取数据前需要延迟的指令周期数需根据89C51和ADS7864的运行速度来决定。有关计算目标方位的代码和算法这里就不再叙述。
三、 结束语
使用本文提出方案设计的方位探测仪器具有简单有效、灵活易扩展、体积小、使用方便等特点,可以应用在很多需要测量目标方位的领域。



