【导读】夏天现在正处于高峰期,我想现在可能是在工作空间附近安装风扇的时候了。然而,要做到节能,开关操作风扇不是一个好主意。因此,我想设计一个运动传感器风扇电路,可以感知我的运动,并根据我在工作区中的存在打开或关闭风扇。
夏天现在正处于高峰期,我想现在可能是在工作空间附近安装风扇的时候了。然而,要做到节能,开关操作风扇不是一个好主意。因此,我想设计一个运动传感器风扇电路,可以感知我的运动,并根据我在工作区中的存在打开或关闭风扇。
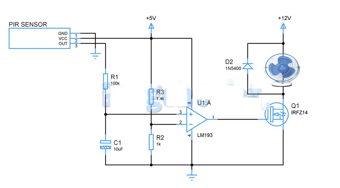
运动传感器风扇电路图:
运动传感器风扇
该运动检测器风扇电路的工作从 PIR
运动传感器开始。PIR(被动红外传感器)被广泛用于检测运动或运动。该传感器发射红外光束并测量距离内物体辐射的红外辐射。通过这种方式,它可以检测一定距离内的任何运动。当传感器前面没有移动时,它的输出将处于低电平状态。而如果有任何移动,输出会立即切换到3.3v的高状态。
我们必须知道传感器并不完美,甚至在我们接近工作空间之前也可能会有一些错误触发?;蛘?,在工作时,我可能需要从工作空间移动一点。在这些情况下,我们不希望风扇打开或关闭。因此,我们将使用
RC 定时电路在 PIR 传感器检测到运动后产生时间延迟,以确保它不是误触发。
??赝纾?/p>
当PIR传感器检测到运动时,其输出电压将等于3.3v。现在,电容器 C1 开始通过电阻 R1 充电。计算由 R1C1 值生成的时间段
T = R x C
=100k x 10 uF
T = 1 秒
当您观察电容器充电曲线时,在 1T 或 1RC 电容器的时间段内,最多只能充电施加电压的
63%。因此,在这种情况下,63.3v的3%将是2.1v。现在,这应该被视为比较器的参考电压,以便我们在PIR检测到运动后一秒钟激活电机。使用分压器R3和R2(1.4k和1k),我们将2.1v的固定基准电压馈送到比较器的反相输入。当电容电压超过此2.1v标记时,比较器提供高输出。
场效应管驱动器:
当比较器输出变为高电平时,它将激活MOSFET IRFZ14,同样激活直流风扇。LM193
的输出电流非常低,无法激活直流风扇。因此,必须使用MOSFET或达林顿晶体管添加驱动级。该额定值为 12v/ 1A 的直流风扇连接到 MOSFET
的漏极引脚。当比较器的输出变为高电平时,电流开始从漏极流向源极,从而打开风扇。
关闭:
只要 PIR 传感器感应到用户存在,此智能风扇就会保持打开状态。一旦用户离开工作区,PIR
的输出将切换回低电平状态,这将触发电容器放电。当电容器中的电压降至 2.1v 以下时,比较器将其输出切换回低电平状态,关闭直流风扇。
电路板设计:
这是此运动传感器风扇电路的PCB设计,该电路应使用直流适配器供电,并且您要控制的风扇应连接到“风扇端子”。
注意:
PIR 传感器的位置应以监视用户在工作区中默认位置的方式进行设置。
观察您将要使用的风扇的额定值,并相应地选择激活器(MOSFET或达林顿晶体管)。
该电路只需稍作调整即可修改为运动传感器灯或任何其他运动传感应用。
免责声明:本文为转载文章,转载此文目的在于传递更多信息,版权归原作者所有。本文所用视频、图片、文字如涉及作品版权问题,请联系小编进行处理。
推荐阅读:




