- 直接输出模式控制
- 低功耗、较高灵敏度和可靠性
- 标准的SSOP-24封装,芯片体积小,外围电路简单
- 小家电、数码产品、智能家居电子产品、手持设备等的触摸按键
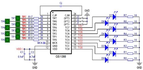
中广芯源推出了8通道触摸感应的触摸控制芯片GS1088,这是一款整合了8通道触摸感应的触摸控制芯片。该芯片能够通过直接输出模式控制,方便替代以往机械式按键。该芯片的工作电压为 2.0VDC-5.5VDC,在3V供电空载模式下,耗电量低于80uA低功耗模式。此外该芯片可以通过外部端口接高电平或低电平调整触摸灵敏度,具有较高灵敏度和可靠性防止外部噪声干扰一起误动作。

获取详细信息请登录http://www.zgsemi.com




