桃花源qm花论坛(品茶),凤楼阁论坛官网入口网址,一品楼品凤楼论坛最新动态,风楼阁全国信息2024登录入口

你的位置:首页 > RF/微波 > 正文

开启TekHSI高速接口功能,加速波形数据远程传输

发布时间:2024-10-28 来源:泰克科技 责任编辑:lina

【导读】自v2.10版本开始TekScope软件及泰克示波器(如4B系列MSO)引入了TekHSI高速接口技术,利用该项技术您可以以最高比SCPI快10倍的速度传输波形。这是因为SCPI标准的Curve和Curvestream的性能取决于仪器的具体实现,而TekHSI已经过优化,专为高性能和可扩展性而设计。TekHSI采用了优化的二进制协议,专用于高速数据传输。


自v2.10版本开始TekScope软件及泰克示波器(如4B系列MSO)引入了TekHSI高速接口技术,利用该项技术您可以以最高比SCPI快10倍的速度传输波形。这是因为SCPI标准的Curve和Curvestream的性能取决于仪器的具体实现,而TekHSI已经过优化,专为高性能和可扩展性而设计。TekHSI采用了优化的二进制协议,专用于高速数据传输。


在示波器上启用TekHSI


要开始使用TekHSI,首先需要在您的示波器上启用TekHSI功能(要求示波器的固件版本为v2.10及以上)。在支持的示波器(泰克4/5/6系MSO)上启用TekHSI,请导航到Utility(辅助功能) > I/O菜单,点击展开“HIGH SPEED INTERFACE(高速接口)”。启用该功能并根据需要定义自定义端口,如图1所示。


开启TekHSI高速接口功能,加速波形数据远程传输

图:在支持的示波器上启用TekHSI


作为TekScope PC用户,您无需在示波器上启用HSI。当您添加新的示波器时,在连接时,TekScope PC将执行检索过程,以识别该示波器是否支持TekHSI。如果支持,TekScope PC将使用TekHSI进行所有采集;若不支持,则会回退至SCPI曲线命令。


基于离线波形分析,缓解仪器资源压力


离线波形查看功能可让工程师在不使用示波器的情况下对已获取的数据进行分析,而示波器通常是一种昂贵的共享资源。利用离线软件,您可以轻松地与其他团队成员、供应商或客户共享数据。大多数示波器都采用大屏幕显示器,外形小巧。由于TekScope PC软件可在PC上运行,因此您可以在没有示波器的任何地方查看捕获的波形。


可扩展调试和分析功能,按需激活


TekScope PC搭配示波器是一款完美的工具,可扩展调试和分析功能,加快设计周期。


解码串行总线


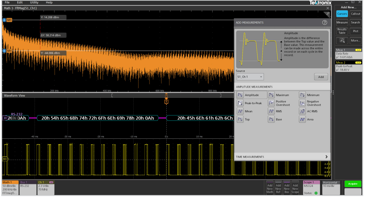
TekScope PC软件的入门版许可支持对三种常用串行总线的支持:I2C、SPI和RS-232。使用其它版本的许可将支持多达25种不同的总线,包括USB、以太网、MIPI DSI和SPMI等。这些总线广泛应用于嵌入式、汽车、消费、工业和国防等行业。通过分析串行总线事务,可同时进行多总线解码,并具有搜索/标记功能和可视化解码信息的不同方式。


开启TekHSI高速接口功能,加速波形数据远程传输

图:RS-232串行总线解码


抖动分析、功率测量或电机驱动等专业分析功能


您还可以根据测试需求选择专业附加软件包,其中包括抖动分析、功率测量或电机驱动分析等,使您能够分析在任何示波器上获取的数据,甚至是不提供这些分析选项的示波器。由于TekScope PC软件可以访问更多的计算资源,因此可以快速轻松地查看和分析多个波形。


使用TekScope PC软件分析来自多个仪器的数据和仿真数据,还可以消除因使用的算法不同或不同仪器软件的实现方法不同而导致的结果差异。帮助系统中还清楚地记录了测量算法,确保您对结果有信心。分析完成后,您可以生成报告,共享或存档结果。您可以通过包含图谱或配置细节等选项来指定报告中的信息。


开启TekHSI高速接口功能,加速波形数据远程传输

图:基于离线波形文件进行自动测量


远程控制和多台示波器同步


TekScope PC软件还允许您在同一屏幕上查看和分析来自多个示波器的数据、重新排列通道信息、堆叠组、缩放,以及在无缝界面中添加光标或测量值。该功能最多可支持四台示波器和 32 个通道。多示波器分析解决方案使您能够同时远程控制所有示波器的采集设置,而无需对每个示波器进行单独设置。一旦在 TekScope PC 软件上采集到数据,您就可以同时对不同示波器的所有通道进行测量和数据分析。


开启TekHSI高速接口功能,加速波形数据远程传输

图:同时对三台示波器的12个通道进行分析

 

免责声明:本文为转载文章,转载此文目的在于传递更多信息,版权归原作者所有。本文所用视频、图片、文字如涉及作品版权问题,请联系小编进行处理。


推荐阅读:

打造工业顶级盛会:意法半导体工业峰会2024在深圳举办

第104届中国电子展重磅推出半导体设备及核心零部件展

示波器并非千篇一律:ADC 和低本底噪声为何至关重要

采用IGBT5.XT技术的PrimePACK?为风能变流器提供卓越的解决方案

三极管电路输入电压阻抗

特别推荐
技术文章更多>>
技术白皮书下载更多>>
热门搜索
?

关闭

?

关闭