桃花源qm花论坛(品茶),凤楼阁论坛官网入口网址,一品楼品凤楼论坛最新动态,风楼阁全国信息2024登录入口

你的位置:首页 > RF/微波 > 正文

晶振怎么用,你真的知道吗?

发布时间:2024-10-27 责任编辑:lina

【导读】晶振应该是陪伴我们最多而我们却并非那么熟悉的元器件之一,其频率对于电路的运作很重要,今天我们详细介绍晶振的谐振频率调整与常见应用。


晶振应该是陪伴我们最多而我们却并非那么熟悉的元器件之一,其频率对于电路的运作很重要,今天我们详细介绍晶振的谐振频率调整与常见应用。


谐振频率的调整


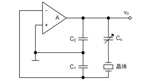
通常石英晶体产品给出的标称频率是外接一个小电容Cs(在石英晶体产品的技术手册中常称为负载电容)时校正的振荡频率,Cs与石英晶体串接如图1所示。利用Cs可使石英晶体的谐振频率在一个小范围内调整。

Cs的值应选择得比C大。


晶振怎么用,你真的知道吗?

图1 石英晶体串联谐振频率的调整


常见应用


石英晶体振荡器电路的形式是多种多样的,但其基本电路只有两类,根据晶体在振荡电路中的不同作用,晶体振荡器有并联型电路和串联型电路。

. 并联型电路中,石英晶体以并联谐振的形式出现,工作在略高于fs呈感性的频段内,用来作为三点式电路中的回路电感;

. 串联型电路中,石英晶体以串联谐振的形式出现,工作在fs上,等效为串联谐振电路,用作为高选择性的短路元件。


必须强调指出,晶体只能工作在上述两种方式,而不能工作在低于fs和高于fp呈容性的频段内,否则晶体的频率稳定度将明显下降。

以并联晶体振荡器为例,其交流通路如图2所示。


晶振怎么用,你真的知道吗?

图2 并联晶体振荡器


从相位平衡的条件出发来分析,电路的振荡频率必须在石英晶体的fs与fp之间,即晶体在电路中起电感的作用。显然,电路属于电容三点式LC振荡电路,振荡频率由谐振回路的参数(C1、C2、C3和石英晶体的等效电感Leq)决定。C1、C2直接并接在晶体两端,是晶体的负载电容;CS为微调电容,可调节并接在晶体上的负载电容,从而改变振荡器的振荡频率。


但应注意,由于C1>>CS和C2>>CS,所以振荡频率主要取决于石英晶体与CS的谐振频率,与石英晶体本身的谐振频率十分接近。石英晶体作为一个等效电感Leq很大,而CS又很小,使得等效Q值极高,其它元件和杂散参数对振荡频率的影响极微,故频率稳定度很高。


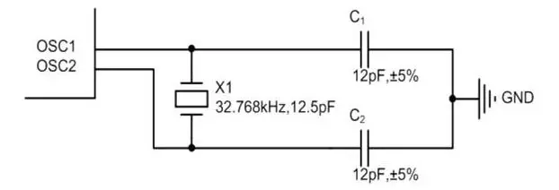
对于常见的应用场景,如IC的时钟电路,通常采用如图3所示的电路。


晶振怎么用,你真的知道吗?

图3 IC的时钟电路


其中C1、C2为晶体的负载电容,其值应该等于石英晶体产品的技术手册中规定的数值。


在实际电路中,除了采用微调电容外,还可采用微调电感或者同时采用微调电感和微调电容。在频率稳定度要求很高的场合,可将晶体或整个振荡器置于恒温槽内,并将槽内温度控制在晶体拐点温度附近,这样频率稳定度可提高到10^(-10)数量级。

本文转载自:ZLG致远电子


免责声明:本文为转载文章,转载此文目的在于传递更多信息,版权归原作者所有。本文所用视频、图片、文字如涉及作品版权问题,请联系小编进行处理。


推荐阅读:

如何在设计中轻松搭载GaN器件?答案内详~~

利用自动化技术赋能中国基础设施现代化

单结晶体管符号和结构

了解交流电压的产生

克服碳化硅制造挑战,助力未来电力电子应用

特别推荐
技术文章更多>>
技术白皮书下载更多>>
热门搜索
?

关闭

?

关闭