【导读】在单相小功率光伏并网系统中,有隔离型和非隔离型两种拓扑结构。隔离型有成本高、体积大等诸多缺点,因此非隔离型成为目前主流的拓扑结构,本文主要介绍非隔离型的全桥以及HERIC两种较为常用的拓扑结构。
在单相小功率光伏并网系统中,有隔离型和非隔离型两种拓扑结构。隔离型有成本高、体积大等诸多缺点,因此非隔离型成为目前主流的拓扑结构,本文主要介绍非隔离型的全桥以及HERIC两种较为常用的拓扑结构。
在非隔离型光伏系统中,电网和光伏阵列之间存在直接的电气连接。由于光伏阵列和接地外壳之间存在对地杂散电容,当并网逆变器功率器件动作时存在共模电压,进而可能会有共模电流流过寄生电容。共模电流不仅会引起损耗的增加同时也会导致安全问题,国家标准对并网系统的共模电流有严格的限制。因此下面的讨论从共模电压开始。
共模电压的产生以及定义
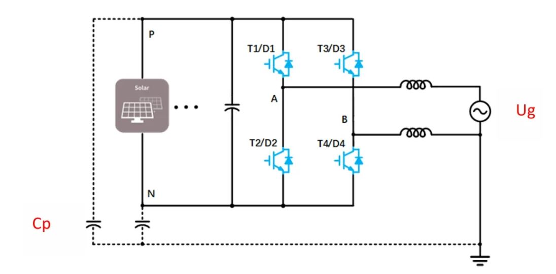
图1为典型的全桥无变压器拓扑结构图,图中Cp为光伏阵列对地寄生电容,根据共?;芈返缪狗匠炭梢约扑愠龉材5缪梗?/p>

上式中UA0为A点对直流母线0电位的电压值。
流过寄生电容的共模电流:

Ug是工频50Hz电网电压,而UA0、UB0是高频信号,因此在工程上共模电压可以简化为:

为抑制共模电流,通常采用的方法是维持共模电压不变。

图1.全桥结构以及共模电压分析
全桥拓扑结构
全桥结构通常采用单极性和双极性两种调制方式,由于采用的控制策略不同,共模电压也不同。首先看单极性调制方式,其控制原理图如图2所示,在电流的正半周期,S4一直保持开通的,S1,S2互补导通;而在电流的负半周期,S3一直开通,S1,S2互补导通。下面以正半周期为例分析其共模电压。
当S1,S4开通时,如a所示,电流从PV-S1-L1-L2-S4-PV,共模电压为Ucm=Udc/2;当S1关断,S2,S4开通时,处于续流状态,如b所示电流从L1-L2-S4-D2,共模电压为Ucm=0,??梢钥闯鲈诘ゼ缘髦浦?,共模电压在0和Udc/2之间变化,在系统运行过程中会产生共模电流。

图2.单极性调制共模电压分析
对于双极性调制而言,4个功率开关都是高频开关,桥臂对角S1/S4以及S2/S3分别互补导通。当S1,S4导通时,共模电压计算和单极性调制一样,Ucm=Udc/2。当S1/S4关断S2/S3开通,处于续流状态时电流的路径为L1-L2-D3-D2-L1,此时共模电压为Ucm=Udc/2。因此可以看出在双极性调制中,共模电压保持恒定,共模电流得到了有效抑制。
但是双极性调制中,4个功率开关都采用高频调制,其损耗比单极性调制大,另外一方面双极性调制中输出交流端电压在Udc和-Udc之间变化,而单极性调制中输出端电压在0到Udc或者0到-Udc之间变化,因此为减小电流纹波如果采用双极性调制就需要更大的滤波器。
HERIC拓扑结构
由于上述全桥结构都有一些应用上的缺陷,科学家提出著名的HERIC电路,从电路结构上增加了4个功率器件T5/D5,T6/D6。由于电流在正半轴和负半轴工作对称,这里只分析正半轴工况。在电流为正时,T6保持开通,当T1/T4同步开通时,电流流过T1-L1-L2-T4-T1,在T1,T4关断后,续流回路通过T6,D5,而不通过直流母线。在整个运行过程中共模电压保持不变Ucm=Udc/2。因此HREIC电路不仅可以抑制共模电流而且电流纹波小、效率高,成为无变压器单相光伏并网系统的主要拓扑结构。

图3.HERIC拓扑图
最后用图表简单小结一下这三种结构的优缺点,可以看出HERIC集合了两者的优点,在小功率太能应用中得到广泛应用。
(作者:杨勇,来源:英飞凌工业半导体)
免责声明:本文为转载文章,转载此文目的在于传递更多信息,版权归原作者所有。本文所用视频、图片、文字如涉及作品版权问题,请联系小编进行处理。
推荐阅读:
“固本强基”成效显著,元器件、设备企业积极报名第104届中国电子展





