【导读】在现代通信技术中,每当在传输高速信号的时候,特别是射频微波信号传输过程中,总是不可避免的遇到因为回波损耗和辐射损耗所造成的信号衰减。如何改善这一问题?技术型授权代理商Excelpoint世健的工程师Wolfe Yu对传输线理论进行了科普。
在现代通信技术中,每当在传输高速信号的时候,特别是射频微波信号传输过程中,总是不可避免的遇到因为回波损耗和辐射损耗所造成的信号衰减。如何改善这一问题?技术型授权代理商Excelpoint世健的工程师Wolfe Yu对传输线理论进行了科普。
各种传输线路的优劣分析
为了将电磁波束缚在一定横截面内导通,防止信号向外部空间辐射,人们通常采用一种被称为“金属波导”的导行系统。

图1 金属波导的导行系统
金属波导其实就是一个空心的金属管,它的特点是对于高频信号衰减少、传输效率高。但是波导的缺点是只能导通高频信号,对于中、低频信号无法传输。这和传统的双导线系统正好相反。
那么,是否有一种传输线,可以实现所有频段全覆盖呢?为了解决这个问题,科学家提出了新的解决方案——微带传输和同轴传输技术,本文主要讨论同轴传输技术。

图2 同轴线传输线的导行系统
同轴线传输是由分离导体柱构成,可以传播横电磁波,从两分离的导体柱结构和传递横电磁波的角度来看,同轴线传输技术信号衰减相对较少,覆盖频段宽,理论上可以覆盖全频段,是传输信号的较优选择。
同轴线传输还有一个优势,高频电磁波信号通过空间电场传输,主设备可以同时通过同轴线传输电能给从设备,这被称之为PoC(Power-over-Coax), PoC和PoE的工作原理类似。

图3 同轴传输线供电原理框图
信道均衡技术
信道码间串扰
在数字通信系统中,由于多径效应、信道带限等因素,在接收端会形成码元拖尾。拖尾部分与相邻码元叠加,形成码间干扰,导致采样信号畸变,判决错误。

图4 码间串扰引起信号丢失及采用信道均衡技术恢复码元
为了提高衰落信道中的通信系统的传输性能,工程师们往往采取的一种抗衰落措施,来消除或减弱宽带通信时的多径时延带来的码间串扰(ISI)问题,这被称为“信道均衡”。
传输线网络模型
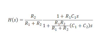
信道均衡是为了消除码间干扰,它的核心思想是对信道或整个传输系统特性进行补偿,通过补偿网络使传输线阻抗和负载阻抗相等。

图5 传输线等效模型
在高速传输系统中,传输线会产生很多寄生参数,可以采用阻容器件来建立等效分段传输模型。

根据信号的传输模型,高速信号在经过长传输线之后,输出信号会产生畸变。如果不对信号作处理,信号将无法准确识别,形成码间干扰串扰。

图6传输线信号畸变引起码间串扰
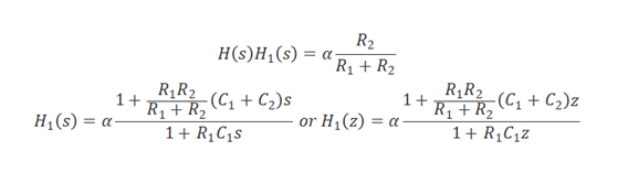
阻抗匹配的具体实现方法是,在传输线的基础上,再添加一个传递函数,使整个传输系统实现阻抗匹配,这被称为“全通滤波”或者“均衡电路”。

均衡传输实现方法
为了消除码间干扰,使电路达到均衡效果,一般采用两种方法,一种是预加重、另一种是去加重。
预加重技术就是增强信号上升沿和下降沿处的幅度,其它地方幅度不变。而去加重是保持信号上升沿和下降沿处的幅度不变,其他地方信号减弱。
根据上述分段传输线传输模型,一般会在发送端做前馈均衡FFE(Feed Forward Equalizer),在接收端做判决反馈均衡DFE(Decision Feedback Equalizer)。

图7 均衡传输技术建模
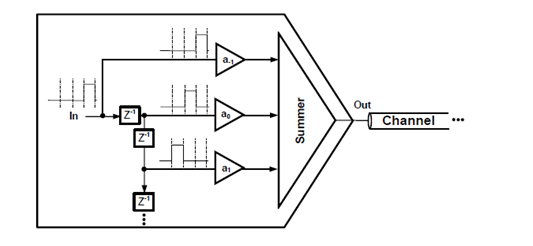
前馈均衡FFE是SerDes系统中最常用的均衡技术。通常SerDes的发送端会使用FFE技术对信号进行预均衡。FFE通过将延时的信号按不同的权重(w-1,w0,…,wn)相加??刂迫ㄖ氐拇笮〉髡馇慷?。

图8 前馈均衡的预加重原理
判决反馈均衡DFE也是通过数字高频滤波器实现的,与FFE不同的是,DFE是一种非线性均衡技术:判决后的信号为数字信号。因此,DFE可以只放大高频信号,而不放大高频噪声。
图9 判决反馈去加重原理
在DFE电路中,通常的做法,一般会在前级加上一个连续时间线性均衡CTLE(Continuous Time Linear Equalizer),CTLE的作用是作为高通滤波器和低通滤波器配合,实现信号的全通滤波。

图10 同轴均衡传输技术理论可以覆盖全频段
Microchip基于CoaXpress一揽子解决方案
Microchip推出的一种基于CoaXpress的视频传输方案就是基于均衡法的同轴传输。
EQCO125X40集成均衡器、CDR和电缆驱动。它可以实现在一根电缆或PCB跟踪对上发送/接收信号,在1.25 Gbps/12.5 Gbps 8b/10b编码下行传输,以及20.833 Mbps/41.666 Mbps 8b/10b编码的上行传输。在ADAS图传应用中,视频信号通过同轴线进行无损耗传输给高算力的平台做进一步处理,这种算法已经被越来越多的客户所接受。
图11 Microchip基于CoaXpress技术的图传解决方案
这颗芯片搭载在基于Microchip PolarFire视频平台上,客户可以利用Microchip提供的免费IP安装包轻松完成产品开发,缩短开发流程,其授权代理商Excelpoint世健能提供相应的技术支持和指导,帮助客户更高效地进行产品开发。
免责声明:本文为转载文章,转载此文目的在于传递更多信息,版权归原作者所有。本文所用视频、图片、文字如涉及作品版权问题,请联系小编进行处理。
推荐阅读:






