【导读】我们都知道示波器的探头需要校准补偿,但是不知道做这个操作的根本原因是什么,看到有篇文章讲解的很清楚,贴出来给大家分享下,希望有所帮助!
我们都知道示波器的探头需要校准补偿,但是不知道做这个操作的根本原因是什么,看到有篇文章讲解的很清楚,贴出来给大家分享下,希望有所帮助!
示波器输入电阻
示波器探头无法将电路信号送入示波器,咋一想,似乎直接连起来就能用了吧。
但是我们使用万用表测量示波器探头两端的电阻,居然有将近 9M 欧姆这么多,如下图所示:
而我们来看示波器,细心的朋友们会发现在示波器的 BNC 输入接口旁边一般都标记有 1MΩ的对地输入电阻参数。很多人可能不理解这个是代表了什么。

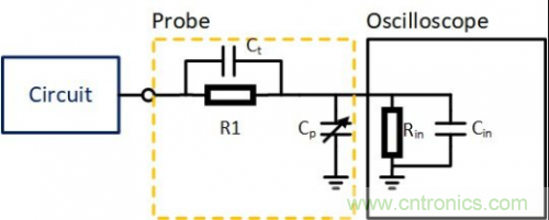
其实,在使用示波器探头测量电路的时候,由于不希望示波器探头的接入而改变被测电路本身的工作状态,因此示波器探头一定是高阻的,即输入阻抗比较大(兆欧级别)。而示波器是有一定的电压输入范围的,但是不同的测量场合又会有不同的电压,所以示波器探头会有不同的衰减比(1X,10X,100X……)。那么最简单的信号衰减实现就是电阻分压,如下图所示:

图中,R1 为示波器探头上的电阻, Rin 为示波器的输入电阻。一般 Rin = 1MΩ ,100X 下为 R1 = 99 MΩ ,10X 下 R1 = 9MΩ ,而 1X 下理论上应该为 0Ω ,但实际上 R1 约为几百欧,一般在 300 欧以内

示波器输入电容
那么按照上面介绍的电阻分压电路是不是示波器就能用了呢?不是的。
大家都知道,实际中,任何电路都不是理想电路,或多或少都有寄生参数。示波器与示波器探头的接口也不例外。由于示波器接口需要同时将信号与 GND 连接到示波器探头上(如下图所示,一般外圈的金属是 GND,可以起到与外部屏蔽的作用,内部的金属为输入信号),因此,输入的信号和 GND 之间就形成了电容。无论怎样改进示波器接口的设计,都无法消除示波器的输入电容的寄生参数。
一般示波器的输入电容典型值为 15pF,14pF,12pF 的都有,图中所示为 14pF。

有 R 又有 C,这不就是 RC 低通滤波器吗?

我们算下这个 RC 电路的截止频率。考虑 10X 的档位,R1 = 9MΩ,Rin = 1MΩ,Cin = 14pF , 截止频率为

这样一来,凡是高于 12.64kHz 的信号都被衰减到不能看了。那么如何解决这个问题?减小 Cin ,不可能,物理的限制就决定了 Cin 必然存在,而且 14pF 本身已经是一个相当小的容值了;减小 R1 和 Rin?过小的电阻必然会对测量的电路造成影响。似乎没有其他的办法了。但总归是有聪明人能够找到解决办法:补偿电容

只要满足

就能使得在比较高的频率下,仍然能够按照正确的 10:1 的衰减比进行信号的传输而不发生信号的畸变。
但是新的问题又来了,不同的示波器 Cin 不一样,即便型号一样,但是由于制造的参数不一致问题可能不同的示波器用同一个探头就不一定都能满足上面的比例关系。那岂不是要针对每一个示波器都要去单独制造特定的探头呢?怎么解决通用性问题呢?很简单,再增加一个可变电容。图中 Cp 所示。

这样一来只需要去调节探头上的可变电容的大小,并从示波器上看波形畸变情况,就可以解决这个问题。
示波器一般都会输出一个 1KHz,5V(或以下)的方波信号,该信号用作探头补偿校准。该信号常用一个方波符号加一个接地符号标示。我们可以将这个信号作为信号源。启动示波器,按下图所示,把探头的 BNC 接至通道 1,另一端接到方波信号输出端口。

当出现以下两种情况时,说明探头补偿不正确,需要使用“调节棒”对探头上的补偿电容进行调节。


用调节棒拧动探头螺丝孔内的螺丝,调节补偿电容,以得到正确波形。

也有的探头将其设置在探测头一端,如下图:

所以,当示波器更换新探头或探头长时间未使用时,我们应该对探头进行补偿校准。




