中心议题:
- 频段和功能的增加需要手机天线体积更紧凑,同时最大程度的降低功耗
- 手机天线存在失调问题会增大系统的功耗
- 可调匹配网络使射频前端适应天线的阻抗变化从而消除由此带来的功耗损失
- 射频-微机电系统与普通的变容二极管相比是构成可调匹配网络的更好选择
解决方案:
- 当天线的阻抗发生变化时,可通过改变变容二极管的电容量强制阻抗匹配发生变化
- 目前使用的变容二极管基于四种不同的技术,射频-微机电系统是其中之一
- 射频-微机电系统在线性和电能稳定性方面具有优势,调谐范围更大,几乎可以用于各种场合
越来越多的新型手机将集成更多的频带和操作模式,同时最大程度地降低电能消耗。这是保证手机能够满足所有移动通信标准的重要方式。举例来说,截至2008年年中,W-CDMA系统使用的频带有11个,其中5个频带也被GSM使用(表1)。

表1:当前手机的使用频带
表中所列频带分别在欧洲、亚洲和美国的不同地区被使用。手机将这些频带组合就对应的可以在相应的地区被使用。然而将这些频段和操作模式组合需要复杂的射频前端,因为每个频带都需要使用特殊的硬件。这意味着元件的数量以及对电路板空间的要求增加了,射频前端的功率损耗也增加了。同时,手机集成了越来越多的功能,如照相机、MP3播放器、收音机和电视调谐器。由于手机的体积越来越小,话机中的天线也必须更紧凑。
天线失调
目前,手机中用的最多的是作为谐振电路的平面天线。其缺点是其近场对外部效应如电话用户的影响过度敏感。这会极大地改变天线电阻值,对发送和接收质量会产生强烈的影响。电话的各种特色,如翻盖或滑盖手机、活动键盘和显示屏,使天线的性能更加复杂,因为各种共地负载也会影响其电阻值。
比如用户将手放在天线的发射区域,将会降低其共振频率,并因此使天线失调。因此,目前开发的先进的天线,即使在最恶劣的条件下,其输入电阻也不会超过3.5:1的电压驻波比(VSWR)。这相当于约1.6 dB的损耗或天线反射功率的30%。如果考虑到大量的双工器和相应的开关,电能会在整个前端(包括天线)区域耗散,因此将大大缩短电池的待机时间。
固定和可调匹配网络
固定匹配网络之前用在射频前端和天线之间,只匹配精确定义的天线电阻,现在也用于补偿天线电阻的小幅变化。另外,固定匹配不能补偿大的电阻变化,例如,天线电阻的有功电阻的变化系数达到4或电抗从3增加至50Ω??傻髌ヅ渫缡钦庖晃侍獾慕饩龇桨钢唬饫嗤缇哂械缱杩傻鞯挠攀?。另外,如果使用了反馈控制器,整个系统能够对天线的所有电阻变化起适应性反应。这种适应性调谐装置由4个功能单元组成(图1)。

图1:适应性匹配网络的功能单元(图中文字:适应性匹配网络能够连续校正天线电阻)
功能原理:探测器首先测量传输的射频信号。此结果通过一种算法实时计算天线的适应性匹配电路是否需要变化和需要哪些变化,并将信息传送至DC/DC转换器。该驱动器确定执行器(变容二极管)所需的电压,并通过改变变容二极管的电容量强制阻抗匹配发生变化。该过程不断重复直至达到需要的阻抗,如50Ω。该过程所需的四个功能单元都可以集成在一个射频??橹小?/p>
目前使用的变容二极管基于四种不同的技术:BST(钛酸锶钡)、CMOS、半导体变容二极管和射频-微机电系统。
射频-微机电系统技术的优势
射频-微机电系统与普通的变容二极管技术相比有许多优势,尤其是在线性和电能稳定性方面,以及更大的调谐范围,使该技术几乎可以用于各种场合。
爱普科斯使用静电可变电容性射频-微机电系统开关(图3)。使用直流电压可在“开”和“关”之间切换移动板(顶电极)的状态。在关闭状态下,顶电极与电介质层接触和底电极产生数皮法的电容。相反,在开启状态下,电容量极低,仅千分之几皮法。因此,射频-微机电系统开关在“高电容”和“低电容”之间切换。这两种状态之间的关系称为开关比。

图2:射频-微机电系统的工作模式(图中文字:顶电极和底电极之间的距离可临时设置,从而改变电容值及阻抗值)
单个电容性射频-微机电系统开关在1 GHz的条件下品质因数Q为250(图3)。该值明显超过其它技术的结果3至5倍。

图3:射频-微机电系统的Q曲线(图中文字:射频-微机电系统得品质因数Q为250,超过其它技术3至5倍)
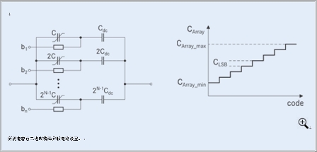
为实现可开关电容阵列,需要将几个开关并联(见图4)。通常,开关过程采用二进制编码。使用5个开关可允许32个电容值。凭借单个微机电系统元件的大开关比,可取得大的调谐比。

图4:射频-微机电系统阵列的原理(图中文字:所需电容由二进制编码并联电路设置)
总体调谐比约为10:1。使用BST或基于半导体的变容二极管(例如使用具有超陡峭掺杂剖面的元件)无法获得如此高的数值。
首个原型成功通过测试
一个试样用来检查天线适应性匹配电路的功能(图5)。它由如图2所示、集成在单个??橹械墓δ艿ピ槌伞?br />

图5:射频-微机电系统试样(图中文字:完整的适应性匹配网络在单个??橹惺迪?
一个简单的串联LC匹配网络补偿天线阻抗虚部的变化。二进制的5位射频-微机电系统阵列作此用途。高压驱动器生成微机电系统偏置电压,而失谐信息由匹配输入阻抗的相位产生。反馈回路使匹配输入阻抗达到所需数值。如例所示,控制算法则通过硬件执行:可将算法编入微控制器以增加灵活性。
图6显示的是由用户引起的平面反向F天线(PIFA)的变化。

图6:天线的阻抗变化(图中文字:各种用户动作产生与理想值不同的各种天线阻抗值)
选择适当的天线可允许只改变输入阻抗的虚部(无功)分量,从而使实部(电阻性)分量保持近似不变。与用户的相互作用使天线的电感性更强,从而改变共振频率。调谐比约为10:1的串联电容性射频-微机电系统阵列能够补偿这一强烈的电感响应,因此可以修正天线阻抗。
图7显示的是修正的天线阻抗(蓝色)。不使用适应性天线匹配,阻抗将会具有极强的电感性(红色)。在此图中,不匹配天线的阻抗在50 Ω至50 * (1+j) Ω之间变化,相应的VSWR分别为1:1或2.6:1。如果是后者,20%的能量已被反射或转化为热量。此功率消耗会极大地缩短电池的使用寿命。

图7:与射频-微机电系统的阻抗匹配(图中文字:使用可调匹配网络可使天线阻抗保持在理想范围内。(蓝色线))
使用适应性天线匹配单元可将VSWR值补偿至约1.2:1,相应的反射能量约为1%。
表2总结了测量的性能。目前适应性调谐电路的总能量消耗约为4.4 mW,但是将来可降低到低于1 mW。

表2:射频-微机电系统??榈男阅?br />
下一步是设计用于未来天线匹配??榈钠教?。第一个版本将由微控制器控制,从而保证适应性天线匹配??樵诒曜际只诙懒⒃诵?。调谐网络将会更加复杂,从而获得更大的调谐区域,并允许更多不同类型的天线运行。功率消耗和空间要求也会降到最低。



