【导读】工业应用中,功率半导体的驱动电源功率不大,设计看似简单,但要设计出简单低成本的电路并不容易。这就需要一个集成度高,外围器件少,功率密度高的DCDC辅助电源方案,减小线路板面积,这对避免受干扰,提高可靠性也有帮助。这是开发EiceDRIVER? Power 2EP系列的背景。
工业应用中,功率半导体的驱动电源功率不大,设计看似简单,但要设计出简单低成本的电路并不容易,主要难点有几点:
1. 电路要求简洁,占用线路板面积要小
一个EasyPACK? 2B 1200V 100A六单元IGBT模块,周长20cm,占板面积27cm2,很小,在四周要安排布置6路驱动和4-6路隔离电源并不容易,如果需要正负电源就更复杂。
2. 电力电子系统需要满足相应的安规和绝缘配合标准,保证合规的爬电距离和电气间隙,这使得PCB面积更捉襟见肘。
3. 对于中大功率的功率???,驱动板会放在??樯戏剑崾苋群椭泵娼锨康牡绱鸥扇?。
4. 微沟槽IGBT7的QG也比较大,需要更大功率的驱动电源。
这就需要一个集成度高,外围器件少,功率密度高的DCDC辅助电源方案,减小线路板面积,这对避免受干扰,提高可靠性也有帮助。这是开发EiceDRIVER? Power 2EP系列的背景。

2EP100R是全桥变压器驱动器集成电路,频率调节范围50至695kHz,占空比从10%到50%可调,可产生正负非对称输出电压,为隔离型栅极驱动器提供正负电源,在15V输入,+15V/-7.5V输出时,典型功率为5W,如果提高输入电压和占空比,输出功率可望达到13W。2EP还集成了可调节过流阈值、输出短路保护、过温?;ず蚒VLO?;さ裙δ?,使得驱动电路能正常可靠工作。
基本电路框图
从管脚6和7的内部电路可以看出,这是一颗全桥驱动器,除了低压、过温、平均电流和峰值电流检测和保护的功能外,振荡器和占空比有精度保证,还带有预充电、软启动功能。

典型应用电路
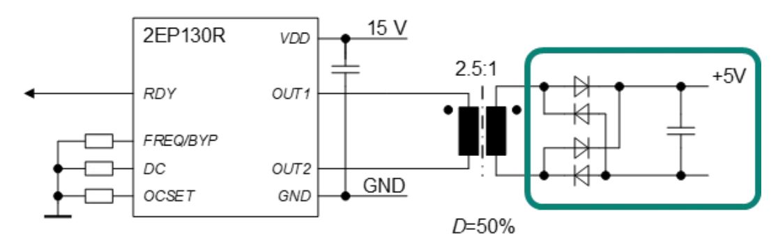
全桥整流
选择50%占空比,次级通过全桥整流就能实现单电源输出,当变压器匝数比2.5:1时,输出电压为+5V,优点是输出纹波小,缺点是需要四个二极管,每半周都需要流过两个二极管,两倍的整流二极管损耗,尤其当输出电压低的时候静态损耗占比大。

倍压整流
倍压整流比较容易设计,只要选择50%占空比,变压器匝数比1.8:1,次级通过倍压整流就能实现正负输出比固定为2:1,即15V和负-7.5V,这电压对于中功率IGBT??榍浅S押?。
单绕组输出的倍压整流会在变压器上引入不对称负载电流,这些不对称电流在输入端的电阻性元件上产生不对称压降,其结果是变压器正负电压的电压和时间乘积不相等,这将导致变压器磁芯的B-H曲线上的工作点发生偏移,变压器会部分饱和。
解决方法是在次级倍压整流的输入端串联电容器。更多的驱动电路实际上需要2-4-6路,双数绕组输出的变压器,只要将一对倍压整流的变压器同名端相反连接,由于一般情况下各个路负载相等,这样就可以平衡变压器,可能不需要串联电容器。

倍压整流原理和设计请参考评估板EVAL-2EP130R-VD带双输出倍压整流的2EP130R变压器驱动器评估板的应用手册,需要购买评估板和索取PCB参考文件等请填写表单。
峰值整流
峰值整流可以通过调节占空比,实现宽范围的正负隔离输出电压。
2EP占空比10%-50%可调,使得正负输出比范围为1:1到9:1,而变压器初次级绕组匝数比决定输出正负电压值,可以方便匹配IGBT、SiC MOSFET驱动电路设计需要。
由于占空比可能不是50%,电压波形的不对称占空比就会产生直流分量,造成变压器直流偏置从而饱和,所以我们需要在初级绕组串联一个隔直电容。
例子中,占空比DC取33%,变压器匝比TTR=1.25,所以输出电压是+15V/-7.5V,与倍压整流一致。峰值整流把隔直电容从初级移到次级,避免变压器饱和问题,器件也少,更推荐。
改变参数,DC=22%,TTR=1.5,输出电压是+15V/-4V,适合SiC MOSFET。
改变参数,DC=14%,TTR=1.4,输出电压是+15V/-2.5V,适合SiC MOSFET。

总结
对于IGBT驱动一般可以采用+15/-15V和+15V/-7.5V或+15V单电源驱动,DCDC电路可以采用全桥整流、全波整流和倍压整流,这些电路设计简单,容易实现。
对于SiC MOSFET,不推荐用太低的负压,对于IGBT来说,合理选择负压也可以减小驱动功率,尤其是新一代微沟槽IGBT的栅极电荷QG比较大,需要驱动功率也大,减小负压有积极意义。
实现任意负压建议采用峰值整流,2EP占空比10%-50%可调,使得正负输出比范围为1:1到9:1,而变压器初次级绕组匝数比决定输出正负电压值,可以方便匹配IGBT、SiC MOSFET驱动电路设计需要。
峰值整流原理和设计比较复杂,请参考评估板EVAL-2EP130R-PR和EVAL-2EP130R-PR-SIC的应用手册。需要购买评估板和索取PCB设计文件等请填写表单。
a) EVAL-2EP130R-PR:2EP130R变压器驱动器评估板,具有双输出峰值整流和可定制的输出电压,适用于MOSFETS和IGBT。
b) EVAL-2EP130R-PR-SIC:用于SiC MOSFET的双输出峰值整流2EP130R变压器驱动器评估板。
(作者:陈子颖,文章来源:英飞凌工业半导体)
免责声明:本文为转载文章,转载此文目的在于传递更多信息,版权归原作者所有。本文所用视频、图片、文字如涉及作品版权问题,请联系小编进行处理。
推荐阅读:




