【导读】如今,800V 电池被用来提高交流电机驱动的效率并缩短电池充电时间。电动汽车牵引系统中的 2L 逆变器有一些缺点:即输出电压的总谐波失真 (THD) 高、开关损耗增加、EMI 噪声高以及电机轴上的感应电压(主要用于电力)时出现的轴承电流问题。额定值高于 75 kW)克服了轴承润滑油膜的绝缘能力。这会导致电流流过轴承,从而产生凹槽——滚道上特有的凹槽和磨砂坑,从而损害轴承的负载能力。
机器学习架构的优点
3L 逆变器可以在高功率水平下运行,具有较低的谐波失真和开关电压应力,使其成为电动汽车应用的有力竞争者。
如今,800V 电池被用来提高交流电机驱动的效率并缩短电池充电时间。电动汽车牵引系统中的 2L 逆变器有一些缺点:即输出电压的总谐波失真 (THD) 高、开关损耗增加、EMI 噪声高以及电机轴上的感应电压(主要用于电力)时出现的轴承电流问题。额定值高于 75 kW)克服了轴承润滑油膜的绝缘能力。这会导致电流流过轴承,从而产生凹槽——滚道上特有的凹槽和磨砂坑,从而损害轴承的负载能力。
这些挑战可以通过机器学习架构来解决。与 2L 逆变器相比, ML逆变器提供额外的输出电压水平和低相电流纹波,具有更好的效率、功率密度、热性能和 EMI 行为。这种改进取决于较低的 THD 和共模电压 (CMV) 水平。此外,基于WBG的ML拓扑,特别是3L-T逆变器和3L-NPC逆变器,在更高的效率和EMI性能方面脱颖而出。
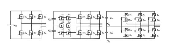
2L和3L逆变器型号
出于比较目的,考虑了三种拓扑:2L 逆变器以及 3L-T 和 3L-NPC 逆变器,如图 1 所示。
图 1(右)中的 3L-NPC 逆变器由三个支路组成,每个支路包含四个串联连接的开关(IGBT 或 SiC MOSFET)。每个开关上施加的电压是传统 2L 逆变器电压的一半。通过串联相等的总线电容器将总线电压分成两半,并且每个支路通过插入两个钳位二极管来完成,这提供了到中性点的连接。 2L 逆变器只能将输出连接到正母线或负母线,而 NPC 逆变器可以在输出上产生三种电压电平:直流母线正电压、直流母线负电压和零电压,以生成更正弦的输出波形,以实现减少谐波失真??悸堑ネ炔僮鳎盨 1和S 11导通时,输出连接至V DC;当S 11和S 44导通时,输出连接至中点电压V 0 ;当S 44和S 4导通时,输出连接至V n。由于S 11和S 44在一个周期内导通时间较长,因此它们比S 1和S 4承受的损耗更高,但开关损耗更少。
与 NPC 拓扑不同,T 型逆变器没有钳位二极管,从而减少了元件数量。由于采用单个外部开关器件(而不是两个串联器件),它还表现出较低的传导损耗,但同时,与 NPC 逆变器相比,这会导致阻断电压降低。因此,与 3L-NPC 相比,3L-T 逆变器在较低频率下表现更出色。 3L-T双向辅助开关在中性点和负载端之间提供可控路径;通过选择性地打开不同的开关可以获得3L输出。
电动汽车牵引模型
可以使用直流电源、三种逆变器拓扑和电动汽车上常用的永磁同步电机 (PMSM) 来构建数学模型。,PSIM 等特定工具生成所需的输出。 Altair 的 PSIM 是一款功能强大的软件,广泛用于电机驱动仿真和设计。
可使用数据表使用基本方程来计算导通电阻和损耗:
R on ( T ) = R 0 [1 + K ( T – T init )]; P sw = ( E sw,on + E sw,off ) f ; P条件= I D 2 R上( T )
其中K是 SiC MOSFET 在T时的导通电阻温度系数,T init是初始温度,f是开关频率,ID是漏极电流。总功率损耗包括因开通和关断而产生的开关损耗以及传导损耗。
由于逆变器架构之间存在差异,并且在 800V 总线的情况下,2L 拓扑需要 1,200V SiC MOSFET; 3L-T 电路的主开关需要相同的额定电压,辅助开关需要 650 V 的额定电压。相比之下,3L-NPC 逆变器采用 650V SiC MOSFET 和 650V SiC 二极管构建。
电磁JMAGRT模型是一种基于有限元分析的仿真工具,可用于评估PMSM的铜损和铁损。作者选择的电机功率为 150 kW,额定扭矩为 180 Nm。
效率比较
2L 逆变器中的硅IGBT 和 SiC MOSFET之间的比较表明,基于 SiC 的解决方案具有显着的优势。传导损耗和开关损耗降低了 80%,结温降低了 35%,从而使冷却系统更加简单,并改善了整个系统的重量、尺寸和成本。低扭矩、低速区域的效率提高了近30%,而在额定速度、额定扭矩区域,效率提高了2.8%。更有趣的是正在研究的三个逆变器中涉及 SiC MOSFET 的基准。
在评估效率时,我们可以考虑三种类型的扭矩曲线:逆变器效率、电机效率和整体驱动效率。相关的效率优势出现在低速区域,从 1,000 rpm 到 3,000 rpm。三个逆变器的效率在此范围内表现出的变化,特别是逆变器效率曲线。在20 Nm至150 Nm的扭矩范围内,3L-T在1,000 rpm时表现出更高的效率,比2L高出2.62%。由于高传导损耗,3L-NPC 在三种拓扑中表现出较低的效率,但当扭矩超过 150 Nm 时,它开始显着改善,终在略低于 200 Nm 时超过 3L-T。
无论如何,3L-T 和 3L-NPC 的开关损耗都低于 2L,证明了 ML 在电动汽车应用中的切实好处。此外,三种配置在高速(例如从 7,000 rpm 到 12,000 rpm)时的整体驱??动效率保持相同。这可以通过以下事实来解释:在高扭矩和高速度下,电机效率起着主导作用。顺便说一句,ML 逆变器能够产生谐波含量较低的输出电压,从而在电机中产生更多的正弦形磁通量,从而转化为更高的效率和更平滑的扭矩。逐渐施加旋转力反过来会产生更少的振动和噪音,从而提高整体性能和舒适度。
3L-NPC 在 150 Nm 的扭矩范围内实现了效率改进,表明该拓扑结构非常适合在高功率转换器中运行。
2L 与 ML CMEMI 行为
CMEMI 也称为共模噪声,当相对于公共参考地的两个导体上有不需要的电流流动时,就会出现 CMEMI(图 2)。这些电流具有相同的幅度和相位,但沿互连传输的信号可能不相同。 CMEMI 可能由多种来源产生,但基本机制是明确的:它通常是由通过杂散电容泄漏的噪声电流引起的。
共模电磁干扰。
图 2:CMEMI(来源:村田制作所2)
与 2L 逆变器相比,ML 逆变器有助于降低 CMEMI 噪声,因为 CMV(电源地线与三相负载中性点之间的电压)水平大幅降低,从而延长了轴承和电机绕组的使用寿命。在评估 CMEMI 性能时,可以构建之前看到的相同模型,其中逆变器和接地之间的寄生电容设置为 600 pF,电机和外壳之间的寄生电容设置为 2 ?F??梢酝ü┘恿礁隹仄德世唇斜冉希?0 kHz 和 50 kHz。
结果证实,高开关频率会增加 2L 和 3L-T 逆变器的 CMEMI 噪声幅度,遵循相同的趋势。另外值得注意的是,在相同频谱下,2L 逆变器中的 50 kHz 开关频率意味着比以 20 kHz 运行的 3L-T 逆变器噪声幅度高出 30 dBμV。实验还证明,基于SiC的3L-T逆变器在50kHz时的CMEMl噪声比20kHz时的2L低15至50dBμV。
免责声明:本文为转载文章,转载此文目的在于传递更多信息,版权归原作者所有。本文所用视频、图片、文字如涉及作品版权问题,请联系小编进行处理。
推荐阅读:
意法半导体披露 2027-2028 年财务模型及2030年目标实现路径
第104届中国电子展圆满收官!盛况空前,焕发电子行业新活力新生态!




