桃花源qm花论坛(品茶),凤楼阁论坛官网入口网址,一品楼品凤楼论坛最新动态,风楼阁全国信息2024登录入口

你的位置:首页 > 电源管理 > 正文

了解嵌入式驱动器中的电源模块

发布时间:2024-01-09 责任编辑:lina

【导读】将逆变器从控制柜转移到电机导致了新的逆变器设计要求。其中要求的是热管理。标准柜式逆变器在相当友好的环境中运行,没有特殊的 IP 保护要求,与电机不同,电机安装在生产线中靠近正在加工的货物的位置。相比之下,嵌入式驱动器使用内部逆变器,这要求电机和逆变器都防水、防尘,从而影响系统的热性能。


将逆变器从控制柜转移到电机导致了新的逆变器设计要求。其中要求的是热管理。标准柜式逆变器在相当友好的环境中运行,没有特殊的 IP ?;ひ螅氲缁煌?,电机安装在生产线中靠近正在加工的货物的位置。相比之下,嵌入式驱动器使用内部逆变器,这要求电机和逆变器都防水、防尘,从而影响系统的热性能。

在 IP65 ?;は低持校凶榧暮纳⒐β手荒芡ü浔砻妫ㄖ饕巧⑷绕鳎┡懦?。因此,嵌入式系统中使用的逆变器的设计必须限度地减少功耗,并使用良好的热界面将所有功耗组件连接到散热器。保持整体温度较低并避免系统内部出现热点,可确保整体系统的可靠性。


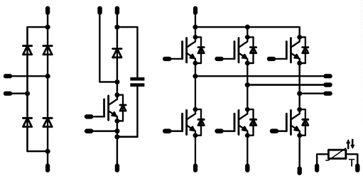
图 1.  CI + PFC 拓扑。图片由博多电力系统提供  [PDF]


此外,逆变器必须足够小以适应给定的环境,从而实现紧凑的电机设计和高安装密度。例如水处理、热泵和通风系统。系统表面积的减少使得优化热管理变得更加重要。同时,缩小整体系统体积需要智能系统分割,限度地减少功率部分、储能和逆变器控制板之间的互连。

所有应用的共同要求是整流二极管、无源或有源 PFC 以及电机的逆变器级,如图 1 所示。需要额外的 PFC 电路来满足 2012 年制定的能效指令,以开发具有以下功能的应用:更高的效率。

图 2 显示了嵌入式驱动器的两个应用,说明了集成逆变器实现的紧凑性。


图 2. 作为嵌入式驱动系统示例的 Wilo 泵和 ebm-papst 风扇。图片由博多电力系统提供  [PDF]


挑战在于将具有爬电距离和间隙要求的组件(需要 PCB 上的大量空间)移动到适用其他规则的新位置。这些组件包括 CI + PFC 半导体以及自举电路、分流器、缓冲电容器等部件。这就是电源??榉⒒幼饔玫牡胤健5缭茨?橥ǔL畛溆械缇倒杞?,介电强度为每毫米几千伏。用硅胶覆盖组件可以使它们封装得更密。

其中一个障碍是两条轨道之间的距离,当使用标准 Al2O3 DCB 时,该距离需要 >0.5 mm。对于功率半导体裸片来说,这不是一个问题,但对于电阻器、电容器和二极管等分立元件来说,这变得更具挑战性,对于 IC 来说更是如此。在这些情况下,Vincotech 的厚膜技术提供了有前途的解决方案,可实现小于 0.5 毫米的细间距。

Vincotech 为嵌入式驱动应用提供两种类型的??椋航霭β拾氲继宓?DCB ??楹突拱性春臀拊丛暮衲つ??。虽然两者都基于氧化铝,但它们的主要区别在于基材厚度以及两侧是否有铜平面。由于 Al2O3 是一种易碎材料,需要小心处理,因此厚膜基板的厚度约为 DCB 的两倍,约为 1 毫米。此外,它们具有更高的热阻,因为顶部和底部铜的缺失不允许热扩散。

厚膜模块基于一种技术,该技术允许在氧化铝基板上印刷不同的层,然后在 850 °C 下烧制。各种浆料可用于不同的用途,例如用于高功率轨道的低欧姆导体和电阻器浆料,范围从用于分流器的低值到用于各种电阻器功能的 MΩ 范围内的高值。

激光微调电阻器可提高其精度,而添加玻璃钝化层可提高其可靠性。


图 3. 比较基于 DCB 的??椋ㄗ螅┖秃衲つ?椋ㄓ遥M计刹┒嗟缌ο低程峁?nbsp; [PDF]


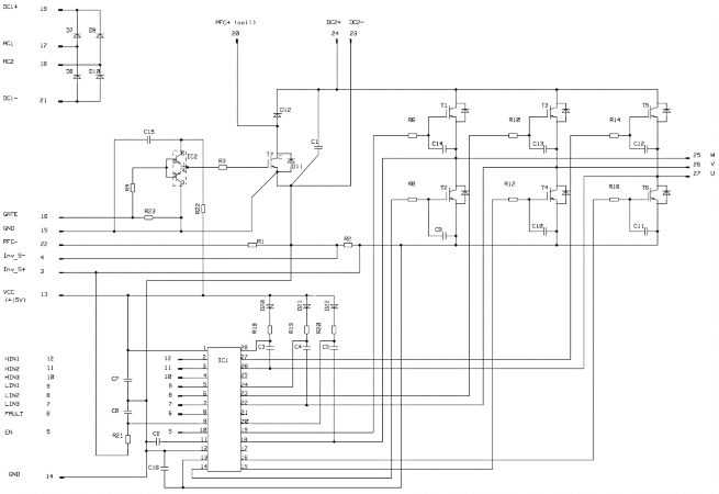
下图描述了集成到厚膜??橹械淖榧?。首先,与标准电源??榈那榭霾煌ぜ?IC 的实现包括二极管、电阻器和电容器(这种情况非常罕见)。,以栅极电阻和栅极-发射极电容为例。其他 Vincotech 厚膜产品具有不同的开启和关闭栅极电阻,以及可选的栅极发射极电阻,用于在没有电源的情况下对栅极进行放电。


图 4. 厚膜电源??榈哪诓康缏?。图片由博多电力系统提供  [PDF]


图 5.不使用 Cge(左)和使用集成 Cge(右)的 EMI 测量。图片由博多电力系统提供  [PDF]


该电路还包括一个 PFC 电路,该电路具有快速 650 V IGBT 或更快的 Si MOSFET 以及快速 Si 二极管,或者当需要更高的开关频率和效率时,还包括 SiC 二极管。

DC+和DC-之间的陶瓷电容器闭合电源电路内的高频环路。栅极和发射极之间的电容器进一步改善了 EMI,如图 5 所示。

电容器的放置会对测量值产生很大影响。

 

免责声明:本文为转载文章,转载此文目的在于传递更多信息,版权归原作者所有。本文所用视频、图片、文字如涉及作品版权问题,请联系小编进行处理。


推荐阅读:

超结MOS/IGBT在储能变流器(PCS)上的应用

无变压器UPS设计与基于变压器的UPS设计比较

如何使用单对以太网实施基于状态的监控

微型机器学习(tinyML)在电源管理系统中的应用

意法半导体公布2023年第四季度及全年财报和电话会议时间安排


特别推荐
技术文章更多>>
技术白皮书下载更多>>
热门搜索
?

关闭

?

关闭