【导读】电信行业在现代社会中发挥着重要作用,是全球即时通信的重要基础。无论是对于电话、短信还是网络命令,电信设备都能确保连接可靠。电信设备的正常运行离不开电源的支持,但这一关键因素却常常被人们忽视。
电信行业在现代社会中发挥着重要作用,是全球即时通信的重要基础。无论是对于电话、短信还是网络命令,电信设备都能确保连接可靠。电信设备的正常运行离不开电源的支持,但这一关键因素却常常被人们忽视。
本文重点介绍 Analog Devices 的 MAX15258,其设计为在单相或双相升压/反相降压-升压配置中支持多达两个 MOSFET 驱动器和四个外部 MOSFET。两个器件可以组合起来实现三相或四相运行,从而提升输出功率和效率。
满足更高功率需求
受技术进步、网络流量激增和电信基础设施扩建等因素的推动,电信行业对电力的需求持续增长。从第三代 (3G) 到第四代 (4G) 和第五代 (5G) 网络的演进,催生了先进的大功率设备。
5G 技术的部署对基站和信号塔的功率需求产生了重大影响?;荆绕涫浅鞘械厍幕?,需要更高的功率水平,以支持大规模 MIMO(多输入多输出)配置和波束赋形所需的更多天线和无线电单元。
冗余是另一个关键因素。电源必须考虑冗余设计,通常包括电池或发电机等备用电源,以确保在停电时维持不间断运行。
与前几代无线网络相比,5G 移动技术的部署给电源设备的要求带来了一些变化。要让 5G 兑现其可靠、高速和低延迟通信的承诺,必须满足一些条件。
功率放大器要求
· 支持广泛的频段,包括 sub-6 GHz 和毫米波 (mmWave) 频率,这对信号传播提出了独特的挑战。
· 适应更宽的信号带宽和更高的功率水平,并提供线性放大以防止高数据速率信号失真。
· 高效运行,最大限度地降低功耗和发热,尤其对于电池供电设备和偏远地区的小型蜂窝基站。
· 重量轻且外形紧凑,可安装在小型机柜中,如小型蜂窝基站和用户设备中。
· 采用先进的材料和技术,如由氮化镓 (GaN) 和碳化硅 (SiC) 制成的半导体器件,以提高功率密度、性能和工作频率。
电源转换要求
由于历史、实用性和技术方面的原因,电信系统通常使用 -48 VDC 电源。电信网络需要可靠的备用电源,以应对电网故障或其他紧急情况。铅酸蓄电池是常用的备用电源,也可工作于 -48 VDC。主电源和备用电源使用相同的电压,使得设计和维护备用系统更容易。此外,较低的电压(如 -48 VDC)对从事电信设备工作的人员更安全,可降低触电和受伤的风险。
电信设备的电源必须满足特定的运行要求,以确保可靠性和效率。以下是一些重要规格:
· 输入电压范围:电源应能承受较宽的输入电压范围。
· 电压调节:电源必须根据电信设备的要求提供稳定的调节输出电压。
· 高效率:电源必须具备高效率,以减少功率损耗和能耗。通常要求至少 90% 的效率水平。
· 冗余:为确保不间断运行,电源通常具备冗余功能,如 N+1,即使用额外的电源。如果一个电源发生故障,另一个电源可以立即接管并承担供电任务。
· 可热插拔:在任务关键型设施中,电源应支持热插拔,确保在更换或维护期间尽量减少?;奔洹?br style="padding: 0px; margin: 0px auto;"/>· 高可靠性:电源应配备?;せ?,以避免在过流、过压和短路等不利工作条件下造成损坏。
有源箝位正激转换器
有源箝位正激转换器 (ACFC) 是电源系统中常见的 DC/DC 转换器配置,主要用于将 -48 VDC 转换为正电压。ACFC 是一种电压转换电路,集成了正激转换器和有源箝位电路的特性以提高效率。这项技术广泛应用于电信和数据中心设备的电源系统中。
ACFC 的核心元件是变压器(图 1)。变压器的主绕组接收输入电压,从而在次级绕组中产生感应电压。变压器的输出电压由其匝数比决定。
有源箝位电路包含辅助半导体开关和电容器,用于调节和控制变压器漏感内包含的能量。当初级开关断开时,漏感中储存的能量会被重定向到箝位电容器,从而防止出现电压尖峰。这种做法可减轻初级开关的压力,提高运行效率。变压器次级绕组的电压由二极管整流,输出电压由输出滤波电容器来平滑。最后,ACFC 采用软切换,因此开关转换更平滑,产生的噪声更小。这就减少了电磁干扰 (EMI),降低了开关损耗。
图 1:ACFC 拓扑。(来源:Analog Devices)
ACFC 电路可减少电压尖峰和元器件承受的压力,从而提高效率,尤其是在高输入输出电压比的情况下。此外,它还能处理宽输入电压范围,因此适合输入电压不稳定的电信和数据中心应用。
有源箝位电路具有如下缺点:
· 如果不为占空比限定一个最大值,占空比的增加可能会使变压器饱和,或者给主开关带来更大的电压应力,因此必须准确选用大小合适的箝位电容器。
· ACFC 是一种单级 DC-DC 转换器。随着功率水平提高,电信等高能耗应用采用多相设计的优势更加明显。
· 有源箝位正激设计无法扩展到更高输出功率并保持相似的性能。
克服 ACFC 局限性
Analog Devices 的 MAX15258 是一款带 I2C 数字接口的高压多相升压控制器,专为电信和工业应用而设计。该器件的输入电压范围非常宽,升压配置下为 8 V 至 76 V,反相降压/升压配置下为 -8 V 至 -76 V。输出电压范围从 3.3 V 到 60 V,可满足包括电信设备在内的各种应用的要求。
这款多功能 IC 的典型应用是图 2 所示 5G 宏蜂窝或家庭基站的电源。热插拔特性由负电压热插拔控制器(如 ADI 的 ADM1073)来保证,该控制器由 -48 VDC 供电。同样的电压还为 MAX15258 降压/升压转换器供电,此转换器可提供高达 800 W 的输出功率。
图 2:5G 应用的电源级框图。(来源:Analog Devices)
MAX15258 设计为在升压/反相降压-升压单相或双相配置中支持多达两个 MOSFET 驱动器和四个外部 MOSFET。其还可以将两个器件组合起来,实现三相或四相运行。当配置为反相降压-升压转换器时,其内部高压 FB 电平转换器可以通过差分方式检测输出电压。借助专用基准输入引脚或 I2C 数字接口,可以动态设置输出电压。
可以使用外部电阻器来调节内部振荡器,也可以将稳压器与外部时钟同步,以保持恒定的开关频率。支持 120 kHz 至 1 MHz 的开关频率。该控制器还具有过流、输出过压、输入欠压和热关断?;すδ?。
OVP 引脚上的电阻器用来指定控制器相位数。此信息用于确定控制器如何响应主相位的多相时钟信号。在四相转换器中,MAX15258 控制器或目标的两个相位交错 180°,而控制器与目标之间的相移为 90°(图 3)。
图 3:四相配置 - 控制器和目标波形。(来源:Analog Devices)
在多相操作中,MAX15258 监控低压侧 MOSFET 电流以实现主动相电流平衡。作为反馈,电流不平衡被应用于逐周期电流检测电路,以帮助调节负载电流。这样做可以确保两相之间的电流公平分配。与正激转换器设计不同,使用该 IC 时,设计人员无需在设计计算阶段考虑可能存在的 15% 至 20% 的相位不平衡。
在三相或四相操作中,平均每芯片电流通过专用差分连接在控制器和目标之间传输。电流模式控制器和目标器件调节各自的电流,使所有相位均等地分担负载电流。
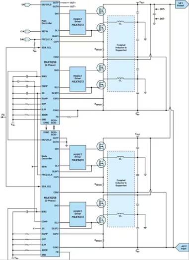
图 4 所示的四相交错反相降压-升压电源适合需要大功率的应用。CSIO+ 和 CSIO- 信号连接两个控制器,并且 SYNC 引脚也相连以保证时钟同步,实现相位协调的相位交错方案。
图 4:四相反相降压-升压 -48 VIN 至 +48 VOUT 800 W 电源。(来源:Analog Devices)
MAX15258 是一款低频升压转换器,因此能够减少开关损耗——这是转换器功率损耗的主要来源。每个转换器都在低损耗区域内以低频工作,结果是以总计等效的高频率提供高输出功率。因此,它是转换 -48 VDC 的理想器件。
该器件以稳定的占空比运行,能够以非常高的效率提供高输出功率。图 5 显示了基于耦合电感器的 MAX15258 800 W 参考设计在不同 VIN 和 VOUT 组合下的效率曲线。由于减少了传导损耗,图中清楚地显示效率超过 98%。
图 5:MAX15258 CL 800 W 参考设计的效率与输出负载电流的关系。(来源:Analog Devices)
总结
电源在电信行业中发挥着重要作用。有源箝位正激转换器 (ACFC) 能够实现高效率并大幅降低功率损耗,因此在电信电源设计中备受青睐。然而,其固有的局限性可能会妨碍它们在特定情况下的效能。为了克服有源箝位正激转换器的局限性,新一代电源技术应运而生,它们提供更高的效率、更大的功率密度和简化的控制机制。在电信行业,这些新颖的解决方案为实现更先进、更优化的电源铺平了道路。
免责声明:本文为转载文章,转载此文目的在于传递更多信息,版权归原作者所有。本文所用视频、图片、文字如涉及作品版权问题,请联系小编进行处理。
推荐阅读:
如何设计尺寸更小、更经济实用的 1080p 和 4K 超高清移动投影仪
贸泽电子隆重推出多款Skyworks Solutions, Inc.新品
彻底解决大众焦虑的隐私与安全隐患?知名大厂入局这种生物识别技术





