【导读】数字电源是一个技术术语,用于命名使用数字信号处理技术控制电源转换的方法。我们正处于一场革命之中,数字电源的优势正在应用于电源转换,并且在效率、功率密度、可靠性、稳健性和易用性方面正在取得真正的进步。尽管个数字控制理念已有 30 多年的历史,但我们现在才看到这项技术的广泛应用。
数字电源是一个技术术语,用于命名使用数字信号处理技术控制电源转换的方法。我们正处于一场革命之中,数字电源的优势正在应用于电源转换,并且在效率、功率密度、可靠性、稳健性和易用性方面正在取得真正的进步。尽管个数字控制理念已有 30 多年的历史,但我们现在才看到这项技术的广泛应用。
数字电源架构的演变
开关电源的调节和控制过程包括生成驱动一个或多个功率晶体管的脉宽调制(PWM)信号。在所有开关调节器中,PWM 信号在某种意义上都是数字信号。因此,考虑使用数字控制器来生成 PWM 是一个自然的想法。
一些早的数字电源控制器使用称为数字信号处理器 (DSP) 的专用微处理器和通用微控制器 (uC)。在这些控制器中,代表稳压电源输出电压的模拟信号被数字化,然后在 DSP 中处理数字信号。虽然 DSP 的处理能力非常强大,但为了实现高频开关电源控制所需的快速处理速度,需要高时钟速度。这些 DSP 所需的高时钟速度和固有的高偏置电流意味着功率转换过程中会消耗大量功率。此外,DSP 对于开关电源应用来说过于昂贵。见图1。
大约 10 年前,基于专用功能状态机的数字电源控制器开始出现,首先出现在学术界,然后出现在商业产品中。这些状态机专门设计用作数字开关电源控制器??刂破靼糜诠β首荒康牡淖ㄓ糜布馍?。它们经过优化,使得数字电源开始在广泛的应用中经济可行。这是数字电源历史上的转折点。现代数字电源转换器 ZL6105 的框图如图 2 所示。调节环路的关键元件是一个特殊的状态机——PID数字补偿器。
数字电源架构的优点
数字信号处理技术非常适合数字 PWM 信号生成,并允许实施先进的处理算法:滤波器、性能优化算法以及非线性控制和自动补偿。优化的低功耗电压设置 DAC 以及电压和电流监控 ADC 提供的遥测设施和信息比模拟世界控制器先进得多。所有这些使数字电源技术能够提供新水平的转换性能、功能和集成度。
提高效率
得益于数字控制,Zl6105 能够执行算法来优化顶部和底部 FET 栅极驱动器信号之间应用的死区时间。在同步降压转换器中,MOSFET 驱动电路的设计必须确保顶部和底部 MOSFET 永远不会同时处于导通状态。相反,两个 MOSFTS 长时间关闭会导致电流流过其寄生体二极管,从而降低电路效率。ZL6105 具有不断调整死区时间非重叠的算法,以限度地减少损耗,从而限度地提高效率。该电路将消除由于元件变化、温度和负载影响而导致的死区时间差异。
集成度和可靠性
可靠性是一个术语,用于描述电源不会发生故障的相对可能性。一般来说,任何系统(包括电源)的可靠性都会随着组件数量的增加而降低。现代数字电源控制器的一个优点是它们高度集成,并且需要更少的组件来实现全功能电源。
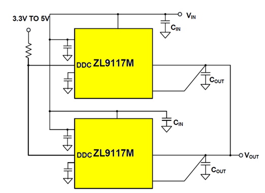
ZL6105数字电源控制器不仅集成了电源转换控制,还集成了电源管理、故障管理和遥测功能。诸如斜坡上升和下降排序、开关相位扩展、电流共享、故障扩展等同步功能是通过专有通信总线使用通信来执行的。主机的系统监控是通过 I2C 接口使用行业标准电源管理总线命令 (PMBus?) 执行的。所有这些都从设计中消除了数十个组件。在集成 FET 控制器(如 ZL2101)甚至完全集成的电源??椋ㄈ?ZL9117)中可以实现进一步的硬件集成,从而提高可靠性。图 3 显示了如何轻松地将两个 ZL9117 模块组合起来构建两相均流轨。
以方式监控和响应环境变化的能力增强了数字电源的稳健性。例如,ZL6105 监控内部芯片温度和外部温度。这使得控制器能够补偿温度敏感的测量结果,以实现的控制和监控。输入、输出电压和输出电流监控使 ZL6105 能够检测系统故障,并通过可配置的故障反应防止对电源和负载造成灾难性后果。
易于使用和自动补偿
稳定性是电源的关键运行要求。在稳压电源中,稳定性由反馈路径的特??性控制。电源工程师需要确保在所有负载条件、环境条件和组件特性变化下稳定运行。设计在所有这些条件下保持稳定的反馈环路是一项耗时的任务。
数字电源解决方案提供了模拟补偿的替代方案。数字补偿无需外部元件,只需改变数字寄存器中存储的增益值即可进行调整。数字滤波器不仅仅是模拟滤波器的替代品。数字滤波器可以执行远远超出模拟滤波器能力的功能。例如,在高 Q (>0.5) 二阶电路中,设备中的极点是复共轭极点,这可能需要补偿网络中的复共轭零点才能有效补偿。传统的模拟补偿器仅提供实零点进行补偿。另一方面,数字滤波器可以轻松提供复共轭零点来补偿高 Q 电源。
尽管如此,即使有这一优势,在许多情况下也不足以在所有条件下稳定和优化电源。初始电感器和电容器值可能会有 +/- 10% 的变化。这会显着改变控制环路,甚至导致电源稳定性显着降低。例如,电解电容器的电容和ESR等特性会随着温度而发生很大变化。真正需要的是一种自动补偿电源的方法。
Intersil 的 Zilker Labs 近发布了几款具有自动补偿功能的部件。所有这些都使用先进的数字算法来表征工厂并确定适当的补偿设置以实现稳定运行。
所有这些转换器都使用数字 PWM 控制器的专用状态机和嵌入式微控制器来监控电路、环境条件和配置文件,以实时设置和修改状态机操作。
在自动补偿过程中,微控制器通过系统地调整补偿系数,同时观察系统的响应,来调整状态机以稳定功率转换过程。虽然这确实会对输出产生轻微的扰动,但它几乎难以察觉,并且完全在允许的瞬态包络内。
在实际应用中,自动补偿很容易使用。只需启用电源,控制器即可完成所有工作。图 5 显示了典型电源在电源得到充分补偿之前(上)的瞬态响应。第二条迹线(下方)显示自动补偿后的瞬态响应。
自动补偿的另一个好处是该设备具有补偿算法的特征??梢栽诘缭吹恼鍪褂檬倜诩浼嗫卦鲆?、Q 和固有频率的值,并且可以在系统发生故障之前多次观察到设备的显着变化。这允许用户结合系统健康状况的预测诊断以提高可靠性。
自动补偿为设计工程师节省了大量时间,产生更稳定的电源,并有可能提高电源系统的可靠性和鲁棒性。
结论
与传统模拟控制器相比,数字电源控制在性能、可靠性、大量功能和易用性方面具有许多优势。从传统的模拟功率控制切换到数字功率控制既简单又有益。
免责声明:本文为转载文章,转载此文目的在于传递更多信息,版权归原作者所有。本文所用视频、图片、文字如涉及作品版权问题,请联系小编进行处理。
推荐阅读:
支持 OTA 更新的MCU很多 为何 ESP32这么受欢迎?





