【导读】电动汽车(EV)的主要目标之一是提高其动力转换装置的效率。电力转换的效率越高,电动汽车一次充电后的行驶距离就越远。例如,减少DC-DC(或DC/DC)转换器中的损耗,可使转换器和整车的能效提高、设计进一步简化并减少元件的发热。
电动汽车(EV)的主要目标之一是提高其动力转换装置的效率。电力转换的效率越高,电动汽车一次充电后的行驶距离就越远。例如,减少DC-DC(或DC/DC)转换器中的损耗,可使转换器和整车的能效提高、设计进一步简化并减少元件的发热。
DC/DC 转换器有多种类型,本文将重点介绍谐振 DC/DC 转换器。谐振转换器是一种基于开关的转换器,其中包含一个谐振槽,用于控制输入到输出的功率流。谐振转换器通常用于高压应用,以平滑波形、提高功率因数并降低高频功率开关(如 MOSFET 和 IGBT)造成的开关损耗。LLC 电路在谐振转换器应用中经常用到,因为它能在整个工作范围内实现零电压开关 (ZVS) 和零电流开关 (ZCS),支持更高的开关频率,减少元件占用空间,并降低电磁干扰 (EMI)。
图 1. 谐振转换器框图(资料来源:STMicroelectronics)
[https://www.st.com/content/ccc/resource/technical/document/application_n...
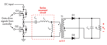
谐振转换器建立在谐振逆变器的基础上,该逆变器使用开关网络将直流输入电压转换为方波,然后将方波加到谐振电路中。 如图 2 所示,谐振槽由谐振电容 Cr、谐振电感 Lr 和变压器的磁化电感 Lm 串联而成。LLC 电路选择性地吸收方波特定谐振频率上的最大功率,并通过磁共振释放正弦电压。该交流波形经变压器放大或缩小、整流和滤波后产生转换后的直流输出电压,从而滤除一切高阶谐波。
图 2. 简化的 LLC 谐振 DC/DC 转换器(资料来源:Electronic Design )
[https://www.electronicdesign.com/power/llc-resonant-converters-raise-pow...
在为 DC/DC 转换器选择合适的谐振电容器时,电容器的均方根电流 (RMS) 是需要考虑的最重要参数之一。它影响电容器的可靠性、电压纹波和转换器的整体性能(取决于谐振电路的拓扑结构)。散热也受均方根电流(RMS)和其他内部损耗的影响。
事实上,在电动汽车转换器系统和其他大功率应用中,电容器的自发热是一个普遍关注的问题。对于谐振电容器,我们通常推荐具有稳定容值及高精度、低损耗的多层陶瓷电容器(MLCC)以防止过热现象的产生。楼氏电容(KPD)专业制造的MLCC相关系列产品可满足这一应用需求,欢迎垂询!
无论您需要哪种规格的电容器,选择经验丰富的电容器供应商与之合作都十分重要,他们了解电容器特性对温升和可靠性的影响从而能给到您最适用的建议。如需了解更多信息,请点击下方阅读原文与我们联系,或阅读我们的往期文章楼氏电容|在电动汽车应用中选择车规级多层陶瓷电容器时的注意事项,了解在电动汽车中选用MLCC时需考虑的因素。
本文转载自:Knowles楼氏电容微信公众号
免责声明:本文为转载文章,转载此文目的在于传递更多信息,版权归原作者所有。本文所用视频、图片、文字如涉及作品版权问题,请联系小编进行处理。
推荐阅读:
高通高级副总裁卡图赞:手机市场仍在缓慢复苏 第三代骁龙8适逢其时




