【导读】电动汽车设计必须面对这样一个现实——所有BMS问题在某种程度上都是相互关联而非孤立的(图1)。因此,当BMS随着电池的状况或状态发生变化而处理相应的问题时,便会产生一种「涟漪效应」。BMS体系结构的一大目标是尽可能地把这些子功能分离开,让每一项子功能都可以独立优化,从而有助于实现全局优化设计。
电子工程师只要和电动汽车 (包括纯电动和混合电动) 打交道,往往都要在工作中运用各种电池技术,它们一般都属于某种形式的锂离子化学。然而,如果要管理构成电池组的大量电池,仅凭这些技术是力不从心的,因此设计人员必须实施电池管理系统 (BMS),以此来:
? 保护单个电池和整个电池组不受损坏
? 延长电池寿命
一旦把这些目标具体化,你将会收获一份冗长的清单,包含电池保护、充电控制、充电状态确定、健康状态确定和电池平衡等功能。本文着眼于BMS的功能之一——电池平衡,它在电动汽车设计人员必须解决的严峻挑战中非常具有代表性。
电动汽车设计必须面对这样一个现实——所有BMS问题在某种程度上都是相互关联而非孤立的(图1)。因此,当BMS随着电池的状况或状态发生变化而处理相应的问题时,便会产生一种「涟漪效应」。BMS体系结构的一大目标是尽可能地把这些子功能分离开,让每一项子功能都可以独立优化,从而有助于实现全局优化设计。

图1:在电动汽车电源系统中,电池管理系统是最重要的子系统之一。这是一个涵盖硬件、软件和电池化学等方面的复杂系统,涉及许多与「正?!乖诵杏泄氐睦兹ê夂团卸?。图片来源:Maxim Integrated, "The Automotive Experience"(汽车体验)
此外,就如同大多数工程决策一样,能够实现给定目标的单一「正确」方法是不存在的。每种方法都需要在外形和包装尺寸、可替换单元、重量、数据完整性、系统置信度和成本之间进行权衡。具体采用何种方法,还取决于所要实现的目标,诸如更长的续航时间、更长的电池组寿命、电池组对个别电池表现不佳的容忍度,还有安全性的问题。因此,「最佳」的解决方案取决于设计中需要优先解决的问题。
电池平衡是一个复杂的问题
对于由多个电池组成的电池组而言,一个绕不开的事实就是每个电池之间总存在微小的差异,这种差异源自于不同的生产和运行条件(特别是温度梯度,对于大型电池组而言可能更明显)。每次充放电循环都会放大这种差异,致使性能较弱的电池变得更弱,直至最终失效,进而导致整个电池组过早失效。
电池平衡则尝试让电池组中所有电池上的电荷达成均衡状态,来补偿性能较弱的电池带来的影响。业界现已开发出多种电池平衡方法来解决这个问题。电池平衡方法还涉及电池化学的一个函数关系:锂电池更能够耐受混合电动汽车产生的「微」充放电循环,但却更容易受到电池间差异的影响。然而,铅酸电池组和镍氢电池组却天然地存在一种电池平衡机制,因为此类电池在充满电后,会通过放出气体来释放多余的能量,因而只需延长充电时间,就可以让性能较弱的电池也充满电。
主动平衡和被动平衡是最常见的两种电池平衡技术。实际应用中还存在电荷分流、无损平衡等其他方法,但任何一种方法都逃不过艰难的利弊权衡。不论主动平衡还是被动平衡,它们都始于监视每个电池的充电状态 (SOC)。该状态通过对流入和流出电池的电流进行「库仑计数」来测量,有时电池阻抗测量也可以作为一种补充。在某些情况下,只对每个电池上的电压进行测量即可。然后,开关电路会在充电过程中控制施加到每个单独电池的电荷,以均衡电池组中所有电池的电荷。
在主动平衡中,电池管理系统会将电荷从电量较高的电池传输到电量较低的电池。这个过程非常耗时,因为每个电池都必须得到评估,而电池总数可能会多达成百上千个。部分主动电池平衡方案采用的做法是停止对电量已满的电池进行充电,同时继续对性能较弱的电池充电,直至所有电池都充满,从而尽可能充分地利用电池的充电容量。
在被动平衡中,电量较高的电池多出的能量会通过旁路电阻自动消耗掉,直至其电压或电荷与性能较弱的电池上的电压相同。这是一种低成本做法,但旁路电阻会浪费一部分能量,并使整个电池组的性能完全取决于性能最弱的电池。无论采用何种方法,要挤出容量和性能的最后一个百分点,都将大大增加BMS系统复杂性、BOM大小、硬件大小和成本以及软件集成问题。
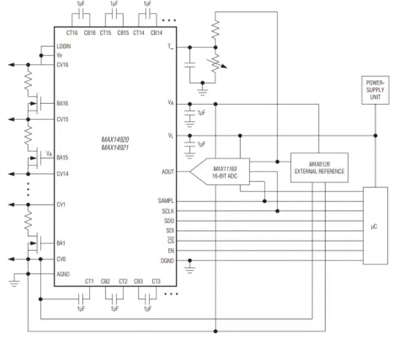
针对BMS和电池平衡面临的这项挑战,Maxim Integrated的MAX14920和与之类似的MAX14921两款电池测量模拟前端 (AFE) 集成电路可以对电池组中的电池电压进行准确采样,最高支持+65V电压;MAX14920最多支持12个电池,而MAX14921最多支持16个电池,除此以外两者完全一致 (图2)。该器件同时对所有电池电压采样,以准确确定充电状态和源电阻,这对于大型电池组而言是一项节省时间的功能。所有电池电压均在单位增益上进行电平移位,使之以接地电压作为参考,极大地简化了外部模数转换器 (ADC) 的数据转换修正工作。

图2:Maxim的MAX14920和与之类似的MAX14921电池测量模拟前端 (AFE) 集成电路旨在简化对电池组中诸多电池之间进行电池平衡这一关键任务。(图片来源:Maxim Integrated)
被动电池平衡可借助外部FET驱动器来支持。这两款产品中集成的诊断功能可进行断线检测以及发出欠压/过压警报,以进一步保障系统完整性。两款产品的BMS器件均由可实现菊链连接的SPI接口控制,因而通过单个SPI端口即可进行连接、寻址和管理,并且在SPI控制部分能够以任意顺序选择任何电池电压读数 (图3)。

图3:BMS的电池平衡功能可以通过Maxim MAX14920/MAX14921的SPI控制,以任意顺序选择任何电池电压读数。(图片来源:Maxim Integrated)
要监控电池,就必须面对准确性的问题,对于放电曲线非常平坦的化学物质尤其如此。这两款Maxim产品都具有很高的精度,非常适合监控锂金属磷酸盐等放电曲线平坦的电池化学反应。它们带有低噪声、低失调的放大器,可缓冲不超过+5V的任何差分电压,从而可以监控各种常见的锂离子 (Li+) 电池技术。
结合内部自校准功能,两款产品测得的电池电压误差均为±0.5mV。它们的额定温度范围宽达?40°C至+85°C,这是电动汽车工作环境所必需的。
大电流下的连接器选型不容马虎
对于以往接触过的「高功率」不超过数百瓦,或者只处理过10A以下电流的工程师而言,要想实现电动汽车电源互联,需要采用完全不同于过往的思路。在电动汽车设计中,大电流、高电压是各种子系统和组件之间的常态,为此设计人员必须选用合适的线对板和线对线连接器,在非常困难的振动、应力和温度条件下,满足颇具挑战性的功率容量、插拔寿命和机械强度要求。正因如此,在选用与电池子系统相关联的电源连接器时,其特殊性不容忽视。电动汽车环境中的大电流、高电压问题容不得任何「投机取巧」或「以后再说」的态度——这是必须在设计过程的早期就重点解决的问题。
Phoenix Contact的E-Mobility解决方案就是一种适用于电动汽车平台的连接器产品系列。该系列各种单品采用多种外壳样式和触点布局形式,支持AWG 12和AWG 16两种线规(具体取决于所选的触点布局),最高可支持25A电流;尺寸为12的触点可接受AWG 12 – AWG 14;尺寸为16的触点可接受AWG 14 – AWG 20。
组合充电系统 (CCS) 是一种用于电动汽车的标准化充电系统,支持常规交流充电和直流快速充电,这两种连接器均可以插入到CCS汽车端插座中。Phoenix Contact E-Mobility提供符合多种直流快速充电和交流充电连接器国际标准的各式充电插头。除了全面的产品组合外,Phoenix Contact还可以针对客户的特殊要求(甚至是标准未涵盖的要求)开发个性化解决方案。
Phoenix Contact可提供全方位的电动汽车充电解决方案,包括出自单一来源并符合Type 1、Type 2或GB/T标准的连接器,以及适用于各种E-Mobility应用的充电控制器,涵盖从家用和商用,到大型、公用电动汽车充电控制器,再到定制解决方案的各种应用场景。
总结
电动汽车所需的电力源自电池和电池组中无形但至关重要的化学反应,而在将电流输送到所需位置的路上,有形而又显眼的连接器和触点则构成了一个个关键节点,必须在诸多细节方面加以高度关注和谨慎处理。电动汽车中的器件在电压和功率水平、工作环境和用户期望等方面具有显著的特殊性,因而对便携式消费类设备并不构成多大影响的问题,在电动汽车中却可能关系重大,这些问题包括电池组在极端条件乃至非正常条件下的性能(包括散热处理、电池平衡)、连接器IR压降,以及如何让连接器在固定牢靠的同时又易于拔出,等等。这些问题必须从多个角度加以审视和解决,并且要明确关注目标的优先级、需要权衡的方面以及各种解决方案之间的相互作用。
(作者:Bill Schweber)
免责声明:本文为转载文章,转载此文目的在于传递更多信息,版权归原作者所有。本文所用视频、图片、文字如涉及作品版权问题,请联系小编进行处理。
推荐阅读:



