【导读】位置、速度和方向等电机旋转信息必须准确,以便在各种新兴应用中生产的驱动器和控制器——例如,在有限的印刷电路板上安装微型元件的拾放机(印刷电路板)面积。近,电机控制已经小型化,从而在用于医疗保健的手术机器人和用于航空航天和国防的无人机中实现了新的应用。
位置、速度和方向等电机旋转信息必须准确,以便在各种新兴应用中生产的驱动器和控制器——例如,在有限的印刷电路板上安装微型元件的拾放机(印刷电路板)面积。近,电机控制已经小型化,从而在用于医疗保健的手术机器人和用于航空航天和国防的无人机中实现了新的应用。更小的电机控制器还支持工业和商业设施中的新应用。设计人员面临的挑战是满足高速应用中位置反馈传感器的高精度要求,同时将所有组件集成到有限的 PCB 空间中以安装在微型外壳内,例如机械臂。

图 1. 闭环电机控制反馈系统。(:Analog Devices, Inc.)
电机控制
如图 1 所示,电机控制回路主要由电机、控制器和位置反馈接口组成。电机转动旋转轴,使机器的手臂相应地移动。电机控制器告诉电机何时施加力、停止或继续旋转?;芈分械奈恢媒涌谙蚩刂破魈峁┳俸臀恢眯畔?。该数据对于用于组装微型表面贴装 PCB 的贴片机的正确操作至关重要。所有这些应用都需要关于旋转物体的准确位置测量信息。
位置传感器的分辨率必须非常高——足以准确检测电机轴位置,正确拾取微小元件,并将其准确放置在电路板上。此外,更高的电机转速会导致更高的环路带宽和更低的延迟要求。
位置反馈系统
在低端应用中,增量传感器和比较器可能足以进行位置感测,而高端应用则需要更复杂的信号链。这些反馈系统包括位置传感器、模拟前端信号调理、模数转换器 (ADC) 及其驱动器,然后数据进入数字域。
的位置传感器之一是光学编码器。光学编码器由发光二极管 (LED) 光源、附在电机轴上的标记盘和光电探测器组成。该圆盘具有不透明和透明区域的蒙版图案,可以遮挡光线或允许光线通过。光电探测器感测产生的光,并将开/关光信号转换为电信号。
当圆盘转动时,光电探测器连同圆盘的图案会产生 mV 或 μV 级别的小正弦和余弦信号。该系统在位置光学编码器中很典型。这些信号被馈送到模拟信号调理电路,通常由分立放大器或模拟可编程增益放大器 (PGA) 组成,以将信号增益至 1 V 峰峰值范围——通常适合 ADC 输入电压范围动态范围。然后,同步采样 ADC 的驱动放大器会采集每个放大的正弦和余弦信号。
ADC 必须在其通道上进行同步采样,以便在完全相同的时间点获取正弦和余弦数据点,因为该组合提供了轴位置信息。ADC 转换结果被传递到专用集成电路 (ASIC) 或微控制器。电机控制器在每个脉宽调制 (PWM) 周期查询编码器位置,并根据收到的指令使用此数据驱动电机。过去,系统设计人员必须权衡 ADC 速度或通道数以适应受限的电路板占位面积。

图 2. 位置反馈系统。(:Analog Devices, Inc.)
优化位置反馈
不断发展的技术需求导致了需要高精度位置检测的电机控制应用的创新。光学编码器的分辨率可以基于光盘上刻有精细光刻的槽的数量,通常是数百或数千。
将这些正弦和余弦信号插值到高速、高性能 ADC 将使我们能够创建更高分辨率的编码器,而无需对编码器盘进行系统更改。例如,当以较慢的速率对编码器正弦和余弦信号进行采样时,捕获的信号值较少,如图 3 所示;这也限制了头寸上限的准确性。

图 3. 采样率。(:Analog Devices, Inc.)
在图 3 中,当 ADC 以更快的速率采样时,会捕获更详细的信号值,并确定更高精度的位置。ADC 的高速采样率允许过采样,进一步提高噪声性能,消除一些数字后处理需求。同时,它降低了 ADC 的输出数据速率;也就是说,允许较慢的串行频率信号,从而简化数字接口。电机位置反馈系统安装在电机组件中,在某些应用中可能非常小。因此,尺寸对于适合编码器模块的有限 PCB 区域至关重要。在单个微型封装中出现的多通道组件适合节省空间。
光学编码器位置反馈设计实例
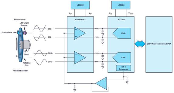
图 4 显示了优化的光学编码器位置反馈系统的示例。该电路可以连接到类型的光学编码器,其中来自编码器的差分正弦和余弦信号可以由电路捕获。图 4 显示了驱动 ADC的 ADA4940-2 前端、双通道、全差分放大器,在本例中为 AD7380,这是一款双通道、16 位、全差分、4 MSPS、同步采样 SAR ADC,封装在小型 3 mm × 3 mm LFCSP 封装。

图 4. 优化的反馈系统设计。(:Analog Devices, Inc.)
片上 2.5 V 基准将允许该电路的组件要求。ADC 的 VCC 和 VDRIVE 以及放大器驱动器的电源轨可以由 LDO 稳压器供电,例如LT3023和LT3032。当连接这些参考设计时——例如,使用一个 1024 槽光学编码器,在编码器盘旋转一圈时产生 1024 个周期的正弦和余弦——16 位 AD7380 以 216 个代码对每个编码器槽进行采样,整体增加了编码器分辨率高达 26 位。
4 MSPS 吞吐率可确保捕获详细的正弦和余弦周期,并确保编码器位置是的。高吞吐率可实现片上过采样,从而减少数字 ASIC 或微控制器向电机提供编码器位置的时间损失。片上过采样允许额外的 2 位分辨率,可与片上分辨率提升功能一起使用。分辨率提升可以进一步提高高达 28 位的精度。
电机控制系统对更高精度、更高速度和小型化的要求越来越高。光学编码器用作电机位置传感设备。为此,光学编码器信号链在测量电机位置时必须具有高精度。高速、高吞吐量的 ADC 可准确捕获信息并将电机位置数据馈送到控制器,从而在位置反馈系统中实现更高水平的精度和优化。
免责声明:本文为转载文章,转载此文目的在于传递更多信息,版权归原作者所有。本文所用视频、图片、文字如涉及作品版权问题,请联系小编进行处理。
推荐阅读:



