【导读】在插电式电动汽车 (PEV) 系统中,充电器可分为三个级别:AC Level 1 (<1.92 kW)、AC Level 2 (<19.2 kW) 和 DC Level 3 (>19.2 kW)。1由于其体积和重量,不建议在高功率 3 级系统中使用车载充电器。
在插电式电动汽车 (PEV) 系统中,充电器可分为三个级别:AC Level 1 (<1.92 kW)、AC Level 2 (<19.2 kW) 和 DC Level 3 (>19.2 kW)。1由于其体积和重量,不建议在高功率 3 级系统中使用车载充电器。
本文将为功率高达 22 kW 的非车载非隔离式直流快速充电器提出两种拓扑结构。该充电器的典型??榉桨赴ㄒ桓?AC/DC 整流器级,然后是一个 DC/DC 转换器。AC/DC 级通常使用单相或三相应用来实现,具体取决于电网要求。三相选项提供了为电网接口和 DC/DC 级共享相同硬件的好处。在此处阅读原文。
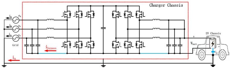
漏电流
漏电流是非隔离直流快充的典型问题。图1中的红线表示漏电流可以流过电网地和EV底盘的路径。2,3此问题的一个常见解决方案是引入隔离式变压器(电源转换级)。然而,与非隔离式拓扑相比,隔离式系统的成本要高得多,体积也更重/更大。此外,变压器会造成额外的功率损耗,从而降低效率。
图 1:EV 充电系统中的漏电流路径
根据 IEC 61851-1 标准,电动汽车充电器不强制使用变压器,4如果电动汽车系统中包含剩余电流装置 (RCD),则无需额外的电气隔离。基于上述因素,建议采用非隔离式直流快速充电器来解决漏电流问题,而无需使用额外的变压器。
充电器配置
提议的充电器解决方案符合国际 (IEC) 和美国(IEEE、NEMA)标准。对于 IEC 标准,电源电压为 240 V 或 400 V(三相),线路频率为 50 Hz。在建议的直流充电器中,选择 390 V 和 650 V 作为直流母线。
基本的两级开关臂、Supper 和 Slower,以及 LC 滤波器构成了建议的充电器。鉴于其高额定电流和电压,Wolfspeed C2M0025120D SiC MOSFET 被选为电路的主要开关??悸堑娇焖俪涞绲墓β始侗?3 要求和设备的额定电流,为电网接口侧选择了32A rms额定开关臂电流。下一节解释了选择额定电流值 (32 A rms ) 的基本原理。
综上所述,二级双向非隔离直流快速充电器的设计一直基于图2所示的配置选项。
图 2:快速直流充电器配置选项
拓扑结构
针对所提出的充电解决方案引入了单相和三相两种拓扑结构。
对于单相拓扑,可以使用图 3 中的公式确定相电流,其中U grid、I grid和α分别是单相电压、电流和功率因数。根据这个等式,在给定功率要求和电网电压的情况下,可以计算出所需的电流。
图 3:单相拓扑的相电流计算
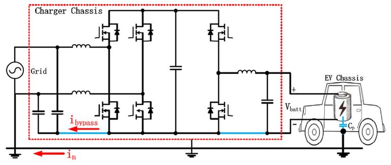
相应的拓扑结构如图 4 所示。
两个开关臂在 AC/DC 侧组合形成一个全桥整流器。DC/DC 转换器只需一个开关臂即可为电池提供直流电源( 8 kW)。
图 4:非隔离单相充电器的拓扑结构
与前一种情况类似,当功率率和电网电压已知时,可以确定相电流,如图 5 所示。然后可以评估并联开关臂的总数 (32 A rms ) 。
图 5:三相拓扑的功率计算
在图 6 中,显示了相关的拓扑结构。三个开关臂构成三相整流器的交流/直流侧。三个开关臂并联用于 DC/DC 转换器为电池提供直流电源( 22 kW)。
图 6:非隔离式三相充电器的拓扑结构
可以看出,AC/DC 和 DC/DC 转换器共享相同的直流母线。
硬件设计
实验硬件由以下部分组成:
三相逆变器板,基于六个 C2M0025120D SiC MOSFET、六个 CRD-001 栅极驱动器、九个直流总线电容器 (B32774D8505K) 和一个直流电压传感器 (RP1215D)
组件板,基于九个三相电容器(B32774D8126K000,12 μF)、三个电压传感器(RP1215D)、三个电流传感器(CKSR 25-NP)和三个功率继电器(T9SV1K15-12)
三相平面电感器,专为非隔离式快速充电器应用而设计
微控制器:TMS320F28377S MCU 用于为 AC/DC 转换器和 DC/DC 转换器生成 PWM 信号。
?;ぷ爸茫何俗远卸鲜涑龊偷绯刂涞牧?,在电池本身和DC/DC转换器之间安装了一个直流断路器(M9U21240)。在电网接口和 AC/DC 转换器之间,连接了一个断路器 (F204A-63/0.03) 和 RCD (M9F22463)。交流断路器将防止在电网和接口之间流动的交流电流发生过电流。如果电网漏电超过阈值,RCD 会检测到并断开电网与逆变器的连接。
AC/DC 侧的对称电路示意图如图 7 所示。逆变器板和元件板由高压区域隔开,距离为 8 mm,提供 800-V 隔离。
图 7:电网侧三相充电机示意图
除了硬件保护外,软件?;び糜谠诔鱿忠馔馇榭鍪苯贸涞缙鳌?/p>
建议的拓扑结构的优点
所提出的两种非隔离拓扑都是无变压器的,这大大减少了充电系统的空间和重量。所有组件都可以放置在一个 450 × 400 × 200-mm 的封装中,而估计的 0.6 kW/L 功率密度显着高于目前市场上竞争的快速充电设备。
与独立充电器相比,所提出的拓扑通过消除变压器造成的损耗来提高效率。图 8 显示了 DC/DC 转换级的评估效率。
图 8:经测试的 DC/DC 级效率
峰值效率达到99.3%,而在额定功率为22kW时,峰值效率为98.8%。额定功率下的平均效率为 98.5%。零序电流控制可以避免漏电流,因为网侧电容器的公共点连接到直流母线。泄漏电流将被限制在较低水平并满足标准要求。
(出处:powerelectronicsnews)
免责声明:本文为转载文章,转载此文目的在于传递更多信息,版权归原作者所有。本文所用视频、图片、文字如涉及作品版权问题,请联系小编进行处理。
推荐阅读:
瑞萨电子将与Fixstars联合开发工具套件用于优化R-Car SoC




