【导读】本文主要介绍全新双向DC-DC转换器的设计与分析。这项全新的拓扑及其控制策略彻底解决了传统双向DC-DC转换器(电源容量及效率有限)中存在的电压尖峰问题。该转换器不仅可用作电池组和DC母线接口,而且还可双向(电池充电方向和母线支持方向)高效工作。
本文主要介绍全新双向DC-DC转换器的设计与分析。这项全新的拓扑及其控制策略彻底解决了传统双向DC-DC转换器(电源容量及效率有限)中存在的电压尖峰问题。该转换器不仅可用作电池组和DC母线接口,而且还可双向(电池充电方向和母线支持方向)高效工作。此外,本文还分析了电路及系统实施中每个区块的工作原理。实验结果显示双向都能实现高效率。300W输入(为电池充电)1500W输出(支持母线)样机为电池充电的效率高达92.9%(300W),支持母线的效率达93.6%(1500W)。重新配置或并联可轻松实现更高的功率级别。
介绍
作为电池制造工艺的一部分,电池单元或电池组必须通过测试,才能确保其能适当保持电池容量和正常功能。实施这类测试系统的标准方法包含电源电路和负载两部分,其中电源电路可以正确的方式为电池充电,而负载则可用于在测试电池放电全过程。在该配置中,系统效率为0%,即用于测试电池的所有能量均已耗散。
使用双向DC-DC转换器,可将耗散的能量返回系统,从而实现电池测试充电能量的循环利用。返回的能量随后可用于测试后续的电池单元,所产生的功耗只来自于充放电电源转换效率的损失,不会因放电的负载而产生功率损耗。
高效率DC-DC转换器的另一个应用是作为电池备份系统(BBU)的接口。在发生电力故障时,诸如数据中心之类的信息系统通常需要在断电几分钟后的一段时间内持续运行,然后经由备份电源(如发电机)恢复供电。在此期间,一般采用电池组来维持设备的功能。电池组放电时,该电池组上会出现压降,因而需要电源转换接口来维持适当的母线电压。此外,电池组还需要电源来补充和维持事件后损耗的电量。如果在一个单体双向DC-DC转换器中能实现电池充电和母线接口功能,就能获得极大的成本及尺寸优势。
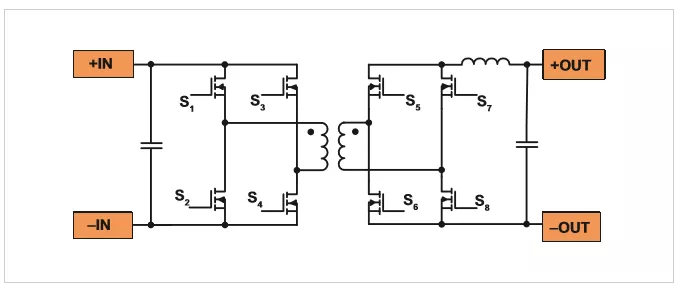
图1:现有的隔离式双向图1:现有的隔离式双向DC-DC转换器拓扑
图1是广泛使用的现有隔离式双向DC-DC转换器拓扑??墒紫冉淙隓C电压逆变成AC电压,然后再通过变压器变压并整流成输出DC电压。该拓扑不适合大功率应用,因为漏感储能和放电会导致开关MOSFET的高压尖峰。为解决该问题,这一拓扑派生出大量版本[a – j]。但其中大部分拓扑都是着眼于通过阻尼电路或钳位电路来降低该电压尖峰的应用,这有一定的改善作用,但不能从根本上解决问题。
本文主要介绍全新双向DC-DC转换器的设计与分析。它是双向的,因此不需要其它的DC-DC转换器或AC-DC转换器来为电池充电。本文使用电池备份系统应用来说明转换器的工作原理。
全新高效率隔离式双向DC-DC转换器
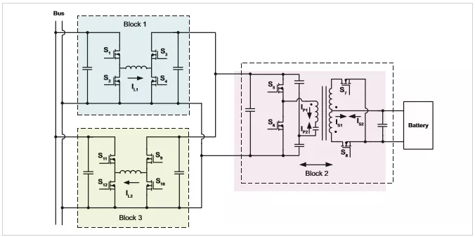
图2显示了这种全新隔离式双向DC-DC转换器的拓扑结构。它包含3个功能区块:区块1、区块2和区块3。区块2不仅对输入与输出电压具有隔离作用,而且还能在它们之间提供固定比率的电压升降。它是双向的,电流可双向流动。区块1和区块3提供准确的调压,除输入输出电压方向相反外,它们是功能相同的区块。对于区块1来说,电池位于输出端。对于区块3而言,母线位于输出端。
区块2
区块2的功能是提供隔离以及固定比率电压升降。通过在变压器上增加一个小电容,这个小电容的自然谐振频率和变压器的漏感可提供零电流开关[k – l]。利用YC侧电流的固有谐振频率,MOSFET可在其谐振部分的过零点开关。当谐振电流达到零时,S5、S6、S7和S8就会始终开启和关闭。当S5和S7开启(t1至t2期间)时,YC侧谐振电流IP以正弦波的形式流动,直至其达到零为止。然后,S6和S8会开启,并且YC侧谐振电流IP仍保持正弦波的形状,以相反的方向流动,如t2至t3期间所示。如图3所示,相同的开关序列可在两个方向的运行,因而该电路自然是双向的。
这款转换器中的开关损耗接近于零,因而该转换器能在极高的开关频率下工作,频率高达几MHz,因而可实现超高的功率密度。此外,在二次侧上实现完全零电流开关(ZCS)并在YC侧实现部分ZCS(误差是由磁化电流引起的,而且YC侧上的零电压开关(ZVS)已用于使开关损耗可忽略不计),还可实现极高的效率。
区块2采用谐振来实现零电流开关,因此能有效解决开关MOSFET上的高压尖峰问题。[a–j]中的其它拓扑只能在降低电压尖峰幅度方面提供改进。区块2的谐振频率可高达几MHz。因此,区块2能在极高效率的情况下,实现极高的功率密度。
区块1/区块3
区块1/区???能提供JQ稳压的功能。它们具有相同的拓扑方式,在系统层面提供双向工作,因此方向是相反的。以区块1为例,如图4所示,DY阶段S1和S4开启,流经电感IL的电流会以与VIN成正比的速度上升。随后S3开启、S4关闭,进入第二阶段;IL可能会是平直的,也可能会下降或上升,主要看输入与输出间的压差。随后,S2开启、S1关闭,转向第三阶段;IL会以与VOUT成正比的速度下降。ZH,S4开启、S3关闭,进入第四阶段;很小负电流通过电感器。在这一转换过程中,可将零电压开关升降压控制器用于实现零电压转换[m – n]。
由于采用ZVS开关,因而也能在区块1/区块3中实现高效率和高功率密度。
在本应用中,该转换器的简单控制方法是:将区块3的稳压VOUT设置为相对较低的母线电压—低于大多数时候的额定母线电压,但仍能支持母线负载。在该配置中,母线电压大多数时间比区块3的稳压VOUT高,因此区块3只消耗无负载功率。同时,大多数时候,母线通过区块1和区块2为电池充电。母线电压突然消失时,区块3会立即加载工作,而且电流会流过区块2和区块3,支持母线。
该配置的优势在于可在双向工作获取高效率和高功率密度时,特别是这种母线电池接口应用。
它需要为电池充放电模式提供不同功率级别。处于电池充电模式时,所需的功率级应该比支持母线模式低很多。实际上,ZH把充电功率限制在某个水平以下,以确保安全。在该配置中,区块3的n可进行并联,以实现该母线功率级,而区块1的1或m(m可能明显小于n)应能足以提供充电功率。因此,尽管独立的区块1或区块3不是双向的,但它们一起工作,将涵盖两个方向,总体尺寸/功耗与区块1的n接近。由于支持母线和充电电池的功率比很高,因而该配置的优势非常显著。
图2:全新隔离式双向图2:全新隔离式双向DC-DC转换器的拓扑(把图中模块改为区块)
图3:区块图3:区块2:YC及二次谐振电流的双向流动:(a)充电电池方向;(b)支持母线的方向
图4:区块1:电流以ZVS间隔流经电感
实验结果
将48V用作母线电压,12V用作电池电压。因此区块2的转换比例需设计为4:1。
当VIN=48V,功率为300W,区块2的模块转换比率为4:1时,负载超过50%后,测试的效率超过96%,峰值效率为96.2%。当负载低于50%时,效率下降,但负载为10%时仍能实现85.5%的效率。所有这些测试都是在室温条件下进行的。图5(a)显示了在不同输入电压和负载条件下的效率矩阵测试??山淙氲缪股杓莆?6-55V,这样6.5-13.75V的电池电压就能反向支持母线。这一宽范围可实现更多的电池配置,更为重要的是,有助于延续电池为母线提供支持的时间。
图5(b)是区块2??樵谥С帜赶叻较虻氖笛樾什馐越峁疚慕涠ㄒ逦聪?。本实验采用深循环船用铅酸12V电池(部件号24DC-1,140分钟的电池容量,寒冷及海洋情况下启动电流超过500安培)通过区块2??槲赶咛峁┲С帧R蛭绯刂斩说缪顾孀殴┑绲缌鞯纳仙陆?,因而VIN会从11.7V(IOUT =0.6A ? 4)降至10.9V(I OUT=6.3A ? 4)。峰值效率为96.9%。请注意,支持母线方向的效率甚至比电池充电方向的效率还要高,这对于该应用而言非常有利,因为在反向条件下,电池支持母线所需的功率级要比充电电池方向高很多。支持母线方向的更高效率将简化高功率应用的热管理设计。
对于500W的区块1/区块3模块,实验效率测试结果如图6所示。峰值效率为97.3%。
这些模块可通过控制电路使能功能,使得禁用的功耗明显低于无负载功耗。在25?C温度下,额定电压为48V时,与500W区块1??榛蚯?模块搭配使用的4:1转换比率区块2模块,其典型禁用的功耗是0.04W无负载功耗是5.3W。
图5:区块2模块(300W,4:1比例)在以下方向的效率实验结果:(a)电池充电、(b)支持母线
图6:区块1/区块3??椋?00W,室温)的效率实验结果
系统实施
针对该应用构建了这一双向DC-DC转换器的7?9英PCB样机,如图7所示,三个区块3模块(每个???00W)并联,五个区块2??椋扛瞿??00W)并联。
图7:系统实施
如图2中的拓扑所示,简单并联??椴⒔浞旁谝黄?,该转换器就可工作了。将区块3模块的稳压VOUT设置为相对较低母线的电压,该电压比大多数时候的额定母线电压低,但仍足以支持母线负载。采用这种方式,无需增加系统控制电路。一旦处在支持母线模式下,所有五个区块2??槎伎闪⒓创淼缭?。该配置的不足之处是:所有模块都时刻保持工作状态,而且其中一些??樵谄浯蠖嗍ぷ魇奔浯τ谇岣涸兀崭涸毓淖刺?/p>
为节省这种轻负载/空负载功耗,可以在??椴恍枰3止ぷ髯刺?,将其禁用。一旦母线电压消失,一些??樾枰咏媚J交指吹狡粲媚J?。在此期间,母线电压由储能电容提供支持。需确保为母线添加足够的电容,以在??榭焖僦仄舻氖奔淝淠谔峁┲С?。该电路板中的系统级控制电路可用于禁用/启用???,以消除不必要的功耗。
在电池充电方向,可以禁用区块2的四个模块,并可禁用区块3的三个???,这可提供300W的电池充电电源。
在支持母线的方向,区块1的模块可以被禁用,这可提供1500W的支持母线电源。在这个配置中,该系统能够以300W/25A为电池充电,以1500W/31A支持48V母线。凭借140分钟的电池容量,它从完全放电到完全充满电,所需时间为2.3小时,随后它还能为母线(1500W负载)提供28分钟的供电。重新配置或并联可轻松实现更高的功率级别。
在正向和反向模式下,区块1/区块3??槎急3?7.3%效率,区块2的??榈男士纱?6.2%。0.78W是区块1/区块3??榈慕霉?,0.04W是区块2模块的禁用功耗。因此在该电池充电模式下,峰值效率为:
而在支持母线模式下,峰值效率为:
结论
本文主要介绍全新双向DC-DC转换器的设计与分析。它可用于双向(电池充电方向和支持母线的方向)连接电池组和DC母线。此外,本文还分析了电路及系统实施中每个区块的工作原理。实验结果显示,该方法在两个功率流向都实现高效率。我们为该应用构建了一款300W输入(电池充电)1500W输出(支持母线)双向DC-DC转换器样机。凭借140分钟的铅酸电池容量,它从完全放电到完全充满电,所需充电时间为2.3小时,随后它还能为母线(1500W负载)提供28分钟的供电。利用电路板上的系统控制电路,该样机能够以92.9%的效率(300W)为电池充电,以93.6%的效率(1500W)为母线提供支持。重新配置或并联可轻松实现更高的功率级别。
免责声明:本文为转载文章,转载此文目的在于传递更多信息,版权归原作者所有。本文所用视频、图片、文字如涉及作品版权问题,请电话或者邮箱editor@52solution.com联系小编进行侵删。
推荐阅读:



