桃花源qm花论坛(品茶),凤楼阁论坛官网入口网址,一品楼品凤楼论坛最新动态,风楼阁全国信息2024登录入口

你的位置:首页 > 电源管理 > 正文

利用氮化镓芯片组实现高效率、超紧凑的反激式电源

发布时间:2021-10-27 来源:Chris Lee,Power Integrations产品营销总监 责任编辑:lina

【导读】目前市面上出现了一个新的芯片组,它由具有耐用的750V氮化镓(GaN)初级侧开关的反激式IC方案与创新的高频有源钳位方案组合而成,能够为手机、平板电脑和笔记本电脑设计出额定功率高达110W的新型超紧凑充电器。此芯片组来自Power Integrations,包含内部集成PowiGaN?开关的InnoSwitch?4-CZ零电压开关(ZVS)反激式控制器和提供有源钳位解决方案的ClampZero?产品系列。这些新IC可用于设计效率高达95%且在不同输入电压条件下保持恒定的反激式电源。

 

目前市面上出现了一个新的芯片组,它由具有耐用的750V氮化镓(GaN)初级侧开关的反激式IC方案与创新的高频有源钳位方案组合而成,能够为手机、平板电脑和笔记本电脑设计出额定功率高达110W的新型超紧凑充电器。此芯片组来自Power Integrations,包含内部集成PowiGaN?开关的InnoSwitch?4-CZ零电压开关(ZVS)反激式控制器和提供有源钳位解决方案的ClampZero?产品系列。这些新IC可用于设计效率高达95%且在不同输入电压条件下保持恒定的反激式电源。


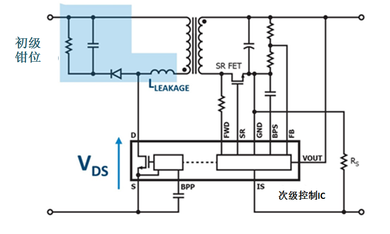
这种InnoSwitch4-CZ/ClampZero组合为反激式电源设计带来了耳目一新的新性能。由于变压器中存在初级漏感,初级侧需要有源钳位电路。当初级侧开关关断时,漏感换向会导致电压过冲,从而损坏MOSFET。一种常见的解决方案是使用无源电阻-电容-二极管(RCD)钳位来?;OSFET(见图1)。钳位将漏感能量转移到钳位电容中,并在电阻中以热量的形式耗散。RCD钳位会降低反激效率,但可为MOSFET提供?;?。


利用氮化镓芯片组实现高效率、超紧凑的反激式电源

图1. 无源初级钳位RCD解决方案需要耗散大量的热量并且会限制反激式电源的效率


在每个开关周期中,钳位中的能量都会损失。这迫使设计者限制最大开关频率,而这又需要使用更大的变压器。因此,无源钳位解决方案会降低反激效率或导致电源体积更大和/或温度更高。更有效的方法是用有源钳位代替无源RCD网络。


有源钳位


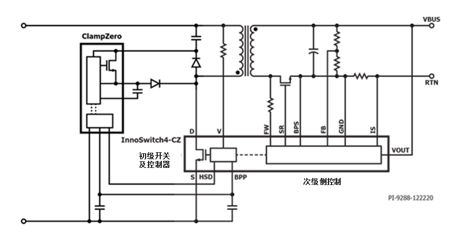
有源钳位不消耗能量,而是再循环漏感能量,从而提高效率并减少热量产生。在有源钳位设计中,RCD缓冲器中的电阻由开关代替。如果使用ClampZero,开关则是PowiGaN器件(见图2)。初级开关关断后,次级控制指示ClampZero开关开通,并在初级开关开通前将钳位电容储能传输至次级。再循环钳位电路使得漏感电流得以换向,还可确保初级开关上的电压在其开通前为零(ZVS)。


利用氮化镓芯片组实现高效率、超紧凑的反激式电源

图2. InnoSwitch4-CZ/ClampZero反激方案


在传统的有源钳位设计中,初级MOSFET和有源钳位开关以互补方式进行工作(因此这些钳位电路被称为“互补模式有源钳位”电路)。在这种工作模式下,变换器只能工作于非连续导通模式或临界导通模式,不能工作于连续导通模式。当需要宽输出电压范围的设计(如USB PD和PPS充电器)时,这对设计者来说是一个挑战,导致设计出电源在高输入电压下的导通必须非常不连续。然而,InnoSwitch4-CZ/ClampZero芯片组克服了这个限制。


InnoSwith4-CZ和ClampZero


InnoSwitch4-CZ和ClampZero IC芯片组采用复杂、非对称的非互补有源钳位控制方法,实现智能的零电压开关,同时支持非连续和连续导通工作模式,可提高设计灵活性,并在所有工作条件下实现效率最大化。新型反激式开关IC具有优异恒压/恒流精度,不受外围元件参数公差的影响,并且在提供输入电压检测等安全及?;すδ艿那榭鱿?,其空载功耗小于20mW。


InnoSwitch4-CZ产品系列采用薄型InSOP?-24D封装,同时集成了750V开关、初级和次级控制器、ClampZero接口、同步整流以及符合安全标准的反馈电路。高达140kHz的稳态满载开关频率降低了变压器尺寸,进一步提高功率密度。 


InnoSwitch4-CZ/ClampZero芯片组适合于高效、紧凑的USB PD适配器、高密度反激式AC/DC电源和高达110W的高效恒压/恒流电源。InnoSwitch4-CZ IC支持可变输出电压和电流特性,并具有完善的保护功能,包括用于输出过压和欠压?;さ淖远仄舳蛩婀收舷煊Ψ绞健⑹淙肭费贡;ひ约八婊虺僦凸卤;ぁ?/p>


设计范例


设计者可以将InnoSwitch4-CZ和ClampZero IC与Power Integrations之前推出的MinE-CAP? IC产品搭配使用,以设计出超紧凑型反激电源。MinE-CAP是对InnoSwitch4-CZ和ClampZero IC的自然补充;它可大幅缩小输入大容量电容的尺寸,而不会影响输出纹波、工作效率且无需重新设计变压器。 

与传统技术(如极高开关频率工作)相比,MinE-CAP可实现同等或更大的整体电源尺寸缩小,同时可避免与极高频设计相关的复杂EMI滤波和变压器/钳位耗散增加的挑战。MinE-CAP还能精确地管理交流上电时的浪涌电流,从而无需使用功耗较大的NTC或大型慢熔保险丝。 


Power Integrations推出的DER-928设计范例是一款适用于手机和笔记本电脑的超紧凑型60W USB PD 3.0充电器。设计特色如下:

●使用了具有高压PowiGaN开关的InnoSwitch4-CZ有源钳位反激式开关IC (INN4073C)

●使用了ClampZero有源钳位IC (CZ1062M)

●使用了MinE-CAP大电容小型化IC (MIN1072M)

●输入:90VAC - 265VAC

●USB-C PD输出:5V/3A;9V/3A;15V/3A;20V/3A


利用氮化镓芯片组实现高效率、超紧凑的反激式电源

图3. DER-928设计范例:使用InnoSwitch4-CZ、ClampZero和MinE-CAP芯片组的60W超小型USB PD充电器,体积仅有24.4立方厘米(44平方毫米 x 高12.6毫米)


在上述设计中,用130μF输入电容替换100μF大电容可将峰值功率提高到90W。其他性能特性包括:

●轻松符合DOE6和CoC v5 2016能效标准

●提供输出过压和过流?;?/p>

●内部集成热关断?;ぬ匦?/p>

●空载输入功率<60mW,微控制器功耗为20mW

●具有高功率密度的紧凑设计:30.3W/in3,不含外壳(即,60W/1.77in X 1.77in X 0.63in)


InnoSwitch4-CZ/ClampZero解决方案所包含的芯片组可提供65W至110W的输出功率(见表1)。它们可用于适配器或敞开式设计,支持85-264VAC输入电压,也可通过添加功率因数校正(PFC)前端电路支持385VDC工作。


利用氮化镓芯片组实现高效率、超紧凑的反激式电源

表1. InnoSwitch4-CZ和ClampZero产品系列


总结

Power Integrations的InnoSwitch4-CZ/ClampZero芯片组使设计者能够为手机、平板电脑和笔记本电脑设计高达110W的超高密度充电器,这些设计在以前是无法实现的。InnoSwitch4-CZ IC可提供可变输出电压及恒流特性,非常适合于高效紧凑型USB-PD适配器和高效恒压/恒流电源。它们在提供输入电压检测等安全及?;すδ艿那榭鱿?,空载功耗小于30mW,并且可提供高达95%的效率,即使在不同输入电压、系统负载和输出电压下也能保持非常恒定的高效率。


免责声明:本文为转载文章,转载此文目的在于传递更多信息,版权归原作者所有。本文所用视频、图片、文字如涉及作品版权问题,请电话或者邮箱editor@52solution.com联系小编进行侵删。



推荐阅读:

IOTE 2021国际物联网展深圳站顺利闭幕!

低压差线性稳压器(LDO)在摄像头应用中的创新设计

常见9大功放电路

领航者峰会回看:传感、模组、平台到应用,物联网基建建设正夯

2022厦门国际照明展览会

特别推荐
技术文章更多>>
技术白皮书下载更多>>
热门搜索

关闭

?

关闭