桃花源qm花论坛(品茶),凤楼阁论坛官网入口网址,一品楼品凤楼论坛最新动态,风楼阁全国信息2024登录入口

你的位置:首页 > 电源管理 > 正文

如何设计高性能和低功耗的电机控制系统?

发布时间:2021-01-26 来源:Brett Novak/Bilal Akin 责任编辑:lina

【导读】数字电机控制的首次推出旨在克服传统模拟系统在处理漂移、组件老化和由温度引起的变化等方面的挑战。 灵活的软件算法不仅消除了与组件有关的容差问题,还使开发者能够动态地适应环境条件随着时间的变化。
 
摘要
 
数字电机控制的首次推出旨在克服传统模拟系统在处理漂移、组件老化和由温度引起的变化等方面的挑战。 灵活的软件算法不仅消除了与组件有关的容差问题,还使开发者能够动态地适应环境条件随着时间的变化。 例如,使用数字化实施现在不仅能够完全打开或关闭风扇电机,还能根据系统温度调整风扇速度。 此外,系统还能够自行校准,从而不需要安排常规的手动维护。
 
本文概述了电机控制设计方面的事项,例如多个电机控制、磁场定向控制、功率因数校正和传感器控制。 此外还介绍了当今的微控制器 (MCU) 如何使各种广泛的应用具有更大精度、更小功耗和更低成本。
 
当今的微控制器 (MCU) 可使各种广泛的应用具有更大精度、更小功耗和更低
成本,包括:
•带有风机和压缩机的白色家电和设备,例如洗衣机和冰箱
•HVAC(取暖、通风和空调)系统
•用于电机控制、电源逆变器和机器人的工业伺服驱动
•汽车控制系统,包括动力转向、防锁死刹车和悬架控制
 
TI 了解开发者在设计这些高性能电机控制系统时面临的挑战。 制造商寻求引入先进的控制算法以实现产品差异化,而日益增加的政府法规要求更高效的功耗 和减少 EMI。
 
为了帮助开发人员应对这些多种多样的挑战,TI 提供了 TMS320C2000™ Piccolo™ MCU 系列。 Piccolo MCU 具有优化的架构,集成了专用外设,能够:
•使用实时算法获得更精确的控制
•通过功率因数校正 (PFC) 获得更高的功效和更好的控制
•支持通过单芯片控制多个电机
• 通过无传感器控制简化设计
•降低系统复杂性和成本
 
Piccolo 的优点
Piccolo MCU 利用 TI 的高性能 TMS320C28x™ 内核,提供以单一独立控制器控制系统所需的所有性能和外设。 通过充足的余量和专用外设,Piccolo MCU 使开发者能够实现更先进的控制算法,在进一步提高性能的同时降低系统成本。
 
Piccolo™ 架构已针对数字控制应用进行了优化,具有先进的架构特性,增强了高速信号处理能力。 Piccolo 的主 CPU 内核具有单周期 32×32 位乘法及累积单元等内置 DSP 功能,大幅度提高了计算速度。 此外,诸如 ADC 和 PWM等控制外设设计得非常灵活,能够轻松适应几乎任何用途,而需要的软件开销极小。 例如,模数转换器所具有的自动序列发生器允许开发者进行编程,以循环通过特定次序的样本,这样当应用程序需要时值已就绪。 使用更智能的控制外设和强大的 CPU 内核,控制环路运行更紧密,既改进了控制算法的动态特性,又减少了干扰行为。
 
TMS320F2803x 和 F2806x Piccolo MCU 上集成的控制律加速器 (CLA) 是一个 32 位浮点数学加
速器,它能有效承载主 CPU 内核的高速控制环路。 CLA 在不经过 CPU 内核的前提下通过
对外设的直接访问和响应外设中断的能力实现此过程。 与独立内核相似,CLA 有自己的
指令集和内存空间,可以完全独立于 CPU 进行操作。
其他重要的 Piccolo MCU 特性包括:
•3.3-V 单电源支持全部功能的运行
•双内部高精度振荡器;无需外部晶体
•12 位 A/D 转换器具有 16 通道,最大采样频率为每秒 4.6 兆样本
• 多达 19 通道的 PWM 输出,具有可配置自动死区
•19 个 PWM 通道中有多达 8 个可以在高分辨率模式下工作,其可以低至 150 皮秒
•增强型正交编码器脉冲 (QEP) 和增强型捕捉外设 (eCAP) 可以简化传感器解码
 
精确和准确控制
 
Piccolo 架构提供极佳的处理功能,达每秒 4000 至 8000 万条指令 (MIPS)。 这样的高性能使开发者不仅能够同时监视和控制多个电机,还能够执行更复杂的控制算法以实现更高的精度、更流畅的性能和更低的功耗。 例如,单一 Piccolo MCU 能够在控制两个电机的同时维持有源 PFC 控制,并且仍然有足够的处理能力来执行高级电机控制算法,例如无传感器的磁场定向控制 (FOC)。
 
脉宽调制 (PWM) 在产生供应给电机或高性能电源的电压或电流中发挥重要的作用。 控制算法的最新改进使开发人员能够实施高度精确的算法,以提供与系统行为实时变化相适应的动态控制。 FOC 具有很多优势,包括低速的全电机扭矩功能、出色的动态行为、跨越很大速度范围的高效率、对扭矩和磁通的解耦控制、短期过载功能和四象限操作。但是,FOC 也要求比标准的控制方案明显更加复杂的计算。
 
 
如何设计高性能和低功耗的电机控制系统?
图 1. 如果组合 Clarke 和 Park 变换(如上述定义),我们可从三相旋转域移至固定域:仅需实时控
制 DC 数量。
 
如何设计高性能和低功耗的电机控制系统?
图 2. 定子电流矢量去耦为扭矩和通量分量,以执行磁场定向控制。 

FOC 原理是通过对电机的相电流进行采样来控制定子磁场的角度和振幅分量,然后进行转换,使其易于控制。 电机的三相电流通过 ADC 读入系统。 这些相电流处于三相旋转域内,并使用 Clarke 变换将其转换为二维旋转域。 由此,可使用 Park 变换将这两个相位转换到固定域内,如图 1 所示。 Clarke 和 Park 变换可被可视化为彼此的矢量投影,如图 2 所示。 Park 变换会产生通量分量 Id 和转矩分量 Iq。 永磁电机的电机转矩仅取决于转矩分量Iq。 因此,最便捷的控制策略即是将通量分量 (Id) 设置为零,这将最大限度地减少转矩电流比并提高电机效率。 电流分量的控制需要具备有关瞬时转子位置的知识。 转子位置既可使用无传感器技术计算,也可使用传感器测量。 由于 Park 变换的输出位于固定域中,因此可使用 PID 回路等传统技术进行控制。 然后可将 PID 回路的输出输入到逆向 Park、逆向 Clarke 中,然后直接输入到电机驱动器。
 
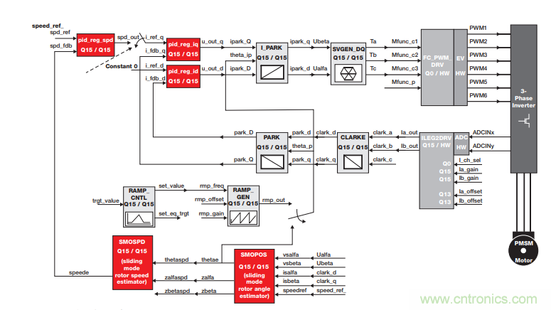
图 3 下页 所示为完整的 FOC 电机控制系统,该系统使用无传感器技术以获取转子位置。 三相逆变器的 ADCINx 和 ADCINy 输出是三个相电流之二;第三种很容易计算。 如上所述,相电流从此处输入 Parke 和 Clarke 变换中。 此无传感器系统根据三相电流的反馈使用“SMOPOS”和“SMOSPD”计算转子位置,消除了使用昂贵传感器的需求。
 
FOC 是一种针对使用永磁 (PM) 电机的系统而设计的重要技术。 PM 电机在白色家电中的普及度日益增加,它们具备更高的功率密度且不易磨损,因此效率非常高??⑷嗽苯鲂杼峁┘父鍪噶亢托较蚓涂墒迪质涑龅氖凳毙藕鸥?。 FOC 等先进的控制机制是提高性能但不增加成本的重要技术。 Piccolo™ 架构大幅简化了对称 PWM 波形的生成。 利用 Piccolo MCU,开发者可以轻松引入更改精确的控制,同时仍然为 PFC 留出足够余量。 事实上,TI 是第一个以 2–6 美元的价格点在单芯片上同时支持 PFC 和 FOC 功能的公司。
 
如何设计高性能和低功耗的电机控制系统?
图 3. 适用于永磁电机的完整磁场定向控制系统。
 
功率因数校正
 
PFC 可确保电流波形遵循电压波形,不论负载或输入条件出现任何变化,它都能将输出直流电压调节为常量。 当以有源数字方式执行 PFC 时,PFC 能更加精确,并能消除电压和电流之间的所有相移。 减少谐波电流含量非常具有吸引力,因为它表示已抽运且未使用的无功功率。 功率因数的重要性在于这一事实:公用事业公司向客户提供伏安,却以瓦特计费。 低于 1.0 的功率因数要求公用事业公司生产的伏安数大于提供实际功率(瓦特)所必需的最小伏安数。
 
此外,PFC 还用于平缓功耗和调节输出电压。 例如,当冰箱中的压缩机开启时,它会在电力网中产生巨大的负载,通常表现为压降。 这类功率峰值和谐波会损害脆弱的电子系统。 当系统达到峰值时,如果没有 PFC,它们倾向于抽运未消耗的功率,因而会降低总效率。 此外,即使是在动态负载下,PFC 也能让直流总线电压保持稳定。
 
PFC 对动力传动链下游也有进一步影响。 由于电力公司需要生成更大的功率电容以适应峰值,因此,行业鼓励电子产品制造商采用 PFC 等技术来平缓功耗。 在某些情况下,必须采用 PFC - IEC 60730 要求欧洲市场出售的白色家电中必须采用 PFC。
 
PFC 的模拟或无源实施被锁定为单个模式,对操作条件变化的反应能力有限。 相反,有源或数字控制的 PFC 能作用于并适应操作条件的变化。 例如,当空调即将打开压缩机时,PFC 能在瞬时中断时主动补偿较大的负载。 这不仅能减少生成的瞬态数量,还能使功率使用更为高效。 数字 PFC 的灵活性也使开发人员可使用可能比 PFC 无源实施更复杂的 PFC 拓扑。
 
不可小觑高分辨率 PWM 和 A/D 转换器对有效 PFC 的重要性。 维持模拟和数字域交汇处的信号完整性极其重要,因为这些交界处出现的任何错误都会降低性能。
 
多个电机的控制
 
许多系统都使用多个电机。 例如,HVAC 系统需要管理一台压缩机和一台风扇。 大多数实施要求每个电机和其他电机使用独立的控制器以实施 PFC。
 
C2000™ Piccolo™ MCU 是第一种能够使用单芯片通过 PFC 管理两个电机的控制器。 许多MCU 没有为控制多个电机及执行主动 PFC 所需的计算能力或集成外设。 例如,控制电机可能需要工作频率高达 20KHz 的控制回路。 另一方面,PFC 需要约为 50 至 100KHz 的工作频率。 为了可靠地执行此类高频控制算法 - 这种情况下为两个控制电机和一个管理 PFC -MCU 必须能够在几乎无延迟的情况下迅速有效地处理计算。
 
控制多个电机的能力不仅可以降低系统成本,还可以提高总功率效率和性能。 对于操作双电机的应用,两个电机都受相同 MCU 的控制,这一事实能够让控制器协调一台电机相对于另一台电机而言的加速速度。 此外,由于两个电机都抽运相同的电流源,也可以对 PFC 实施进行协调以取得更佳结果。
 
无传感器控制
 
另一个潜在成本节约方面在于无传感器反馈。 可使用建模技术来精确地确定电机位置或速度,而非使用速度和/或位置传感器。 要控制 PM 无刷直流电机,位置和速度信息至关重要。 在当今许多系统中,传感器都用于收集此数据,将此作为控制算法的输入。 但是,从规模、成本、维护和可靠性角度来看,这些传感器并不具有吸引力。
 
对于某些应用,传感器绝对必要。 例如,用于医院呼吸机的氧气泵需要足够的精度来确保固定流速。 使用自定义电机时,创建精确的模型可能会非常困难。 对于非常低速的系统应用,可能不存在足够的反馈来支持无传感器实施。
 
然而,对于许多应用(包括白色家电)而言,这种精度并非必要,因此,可引入无传感器控制以降低系统成本。 例如,当永磁同步电机处于使用状态时,可使用名为滑模观测器的动态模型替代传感器,该观测器的实施既强大又简单。 此外,可通过最坏情况下极低的速度误差实现较高的功率效率。
 
消除传感器的使用需要控制器模拟电机的状态,这样便能正确估算出相应的位置/速度。 为了保持足够的模型精度,需要对电压进行精确的高频监控。 对于这项工作,Piccolo MCU 提供了集成的 12 位 A/D 转换器,可以为大多数应用提供正确的精度水平。
 
对于不需要传感器的应用,Piccolo MCU 设计为支持正交编码器和测速发电机。 对于需要编码器的应用,Piccolo 器件包含集成的增强型正交编码器脉冲 (QEP),它可以自动将光编码器脉冲转换为速度和方向,同时仅使用两个数字输入和一个 16/32 位内部定时器寄存器。 QEP 是 TI 致力于通过降低系统复杂性来加快开发速度的另一个例子。 通过自动处理脉冲解码并输出位置和速度,QEP 让开发人员免去了必须亲自创建此代码的过程,这样,他们便能够集中精力让自己的应用与众不同。
 
Piccolo™ MCU 的 QEP 在下述方面特别具有多用途性:它几乎可以连接任何正交编码器,包括需要时钟信号、生成自己的时钟信号以及不使用时钟的解码器。 不采用 QEP 的 MCU要求开发人员使用 GPIO 捕获脉冲,然后在软件进行解码,这种方式会使维持高频控制环路的实时可靠性复杂化。
 
存在各种类型的测速发电机;一些提供与电机速度成比例的直流电压。 通过将某一Piccolo MCU 的 A/D 转换器输入接口连接到测速发电机的输出接口,可以轻松计算出这一速度。 对于使用简单霍尔效应传感器来输出若干电机每转脉冲数的低成本电机,软件驱动器通?;岵饬柯龀迤德什⒏俚缁较?。
Piccolo MCU 可以使用其集成的增强型捕捉外设 (eCAP) 简化此软件驱动器的设计。
 
eCAP 触发霍尔效应脉冲上升沿和下降沿的关闭,并自动计算脉冲间的宽度和周期。 此
外,eCAP 在需要读取之前能捕获多达四个脉冲。
 
降低系统成本
 
理想的系统可以将模拟和数字技术整合在一起,并充分利用某一价格点的可用处理能力。
 
Piccolo MCU 架构背后的关键基础之一,是在单芯片上集成的功能的数量。 通过在数字域执行任务,可以减少元件数。 这直接降低了系统成本,提高了可靠性。 不足之处是 MCU必须能够具有成本效益地吸收增加的负荷。
 
在所有速度范围上实现有效控制,使开发者设计的电源器件的容量能够与应用需求达到最佳匹配,从而提高功率和成本效益。 这也能带来更流畅的操作和更佳的性能,可减少影响工作寿命的转矩脉动和振动等问题。
 
对于无传感器应用,可以显著节省成本。 不使用传感器除了可以从系统 BOM 中去除这些传感器外,还可以省去安装传感器接口。 不仅制造商的系统更加便宜,故障点也减少了。
 
自我监测的价值远远超出仅将以前的模拟功能迁移到数字化实施。 多达 16 个 A/D 通道,外加可编程自动序列发生器,简化了对整个系统中的不同电流、电压和传感器的监测过程。 用于增加电机精度和性能的数据也可以用来诊断潜在问题。 例如,通过观察机械振动的频谱,系统在故障早期即可以识别、预测系统故障并采取行动。
 
无与伦比的开发平台
 
功能强大的数字控制系统的创建工作变得空前简单。 TI 的电机控制和 PFC 开发者套件以及双电机控制和 PFC 开发者套件以 Piccolo MCU 为基础为开发者提供一个可加快电机控制系统的开发和故障排除速度的平台。 这些直观的套件甚至可以让不熟悉 PFC 的开发者学会如何将 PFC 与所有类型的电机控制应用整合在一起。
 
利用电机控制和 PFC 套件可以直接访问 Piccolo™ 架构的所有增强功能和特性。 广泛的软件库和详尽的文档可以指导开发者使用实时算法完成整个电机控制系统的创建工作。套件还使开发者能够迅速确定实施基本电机控制所需的处理资源。 以此为基准,他们便能够利用先进的算法来使用剩余的处理容量,实现更高的精度、性能和功效以及多电机控制和大量其他选择。 通过这种方式,开发者可以根据具体应用限制和要求设计出专门优化的系统架构。
 
C2000™ Piccolo MCU 具有广泛的配置线路图,可以确保开发者能够找到在性能、内存和外设方面最符合其应用需要的处理器。 TI 还提供电压和电流传感所需的所有模拟组件以及范围广泛的标准和高端电机驱动器。
 
TI 了解开发者在设计高效益低功耗电机控制应用时所面临的挑战。 通过 Piccolo 系列MCU,TI 提供了无可比拟的高性能集成外设组合,使开发者能够使用单个处理器实现双电机控制,并为精度控制算法、先进的功效和无传感器反馈留出足够余量,同时还降低了系统成本。
 
如何设计高性能和低功耗的电机控制系统?
图 4. TI 的电机控制和 PFC 开发者套件方框图。

(来源:德州仪器,作者:Brett Novak,C2000 MCU 营销经理;Bilal Akin,系统应用工程师)
 
免责声明:本文为转载文章,转载此文目的在于传递更多信息,版权归原作者所有。本文所用视频、图片、文字如涉及作品版权问题,请电话或者邮箱联系小编进行侵删。
 
 
推荐阅读:
下一代Wi-Fi HaLow有望为明日的无线监控摄像头提供动力
如何使用移相电路计算相位?
偏置电流源电路的对与错
为何时钟信号比数据信号更容易引起辐射超标?
全包围栅极结构将取代FinFET
特别推荐
技术文章更多>>
技术白皮书下载更多>>
热门搜索

关闭

?

关闭