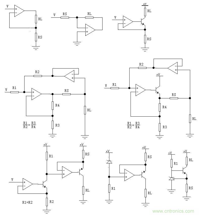
【导读】对比几种V/I电路,凡是没有三极管之类的单向器件,都可以实现交流恒流。加了三极管之后就只能做单向直流恒流了。

这几种电路都可以在负载电阻RL上获得恒流输出。
第一种由于RL浮地,一般很少用。
第二种RL是虚地,也很少使用。
第三种虽然RL浮地,但是RL一端接正电源端,比较常用。
第四种是正反馈平衡式,是由于负载RL接地而受到人们的喜爱。
第五种和第四种原理相同,只是扩大了电流的输出能力。人们在使用中常常把电阻R2取的比负载RL大的多而省略了跟随器运放。这种电路也是对地负载。
后边两种是恒流源电路。
对比几种V/I电路,凡是没有三极管之类的单向器件,都可以实现交流恒流。加了三极管之后就只能做单向直流恒流了。
第四和第五是建立在正负反馈平衡的基础上的。如果由于电阻的误差而失去平衡,会影响恒流输出特性,也就是说输出电流会随负载变化。
而其他几种电阻的误差只会影响输出电流的值,而不会影响输出特性。
如果输出电流大或者嫌三极管的集电极电流和发射极电流不相等,可以把三极管换成MOSFET。
推荐阅读:






