桃花源qm花论坛(品茶),凤楼阁论坛官网入口网址,一品楼品凤楼论坛最新动态,风楼阁全国信息2024登录入口

你的位置:首页 > 电源管理 > 正文

揭秘:紧凑电机控制系统中,栅极驱动器怎么设计呢?

发布时间:2019-11-07 责任编辑:lina

【导读】由锂离子供电的高功率密度、高能效、三相无刷直流 (BLDC) 电机可用于开发无线电动工具、真空吸尘器和电动自行车。然而,为了给更紧凑的机电产品节省出空间,设计人员面临进一步缩小电机控制电子器件的压力。
 
由锂离子供电的高功率密度、高能效、三相无刷直流 (BLDC) 电机可用于开发无线电动工具、真空吸尘器和电动自行车。然而,为了给更紧凑的机电产品节省出空间,设计人员面临进一步缩小电机控制电子器件的压力。
 
这项任务并不简单。除了将驱动元件压缩到狭小空间这个显著的难题外,还有因所有器件靠的更近而造成的热管理问题,当然还有电磁干扰(EMI)问题。
 
电机控制电路设计人员可以采用新一代高度集成的栅极驱动器来实现更纤薄的设计。它是电机控制系统最关键的元件。
 
本文将先探讨 BLDC 电机的运行,然后再介绍合适的栅极驱动器以及如何使用它们来克服紧凑电机控制系统所面临的设计挑战。
 
打造更好的电机
 
由于在商业上面临着能效和节省空间的双重压力,电机设计得到了迅猛的发展。数控 BLDC 电机代表了这一发展的一个分支。这种电机的普及要归功于电子换向技术的应用。在该技术的帮助下,BLDC 电机的效率要远高于传统(有刷换向)直流电机。如果两种电机以相同速度和负载运行,BLDC 电机的效率会比传统电机高 20% - 30%。
 
这种改进使得 BLDC 电机能够在给定功率输出条件下变得更小、更轻、更安静。此外,BLDC 电机还拥有其他多种优势,包括更好的速度比扭矩特性、更快的动态响应、无噪声运行以及更高的速度范围。与此同时,工程师们也在推动设计向着更高电压和更高频率发展,因为这可让紧凑型电机完成与大型传统电机同样的功能。
 
BLDC 电机成功的关键在于其电子开关模式电源以及电机控制电路,这种电路可以产生一个三相输入,进而产生能够拉动电机转子转动的旋转磁场。由于磁场和转子以相同频率旋转,因此这种电机被归类为“同步”电机?;舳вΥ衅骺纱锒ㄗ雍妥拥南喽晕恢茫繁A丝刂破髂芄辉谑实笔笨糖谢淮懦?。此外,它还采用了“无传感器”技术,通过监控反电动势 (EMF) 来确定定子和转子的位置。
 
在三相 BLDC 电机中,依序施加电流的最常见配置是以桥式结构排列三对功率 MOSFET。每对功率 MOSFET 均充当逆变器,用于将来自电源的 DC 电压转换为驱动电机绕组所需的 AC 电压(图 1)。在高压应用中,通常使用绝缘栅双极晶体管 (IGBT) 代替 MOSFET。
 
如何匹配门极驱动器,来增强型GaN功率晶体管?
 
图 1:数控三相 BLDC 电机通常使用三对 MOSFET 进行控制,一对 MOSFET 为一个电机绕组提供 AC 电压。(图片来源:Texas Instruments)
 
晶体管对包括低压侧器件(源极接地)和高压侧器件(源极在接地和高压电源轨之间浮动)。
 
在典型布局中,使用脉宽调制 (PWM) 控制 MOSFET 栅极,可以有效地将输入 DC 电压转换为调制驱动电压。其中应使用至少比预期最大电机转速高一个数量级的 PWM 频率。一对 MOSFET 可以控制一个电机相位的磁场。
 
电机控制系统一个完整的电机控制系统包括电源、主机微控制器、栅极驱动器以及采用半桥拓扑结构的 MOSFET(图 2)。微控制器用于设置 PWM 占空比并负责开环控制。在低压设计中,栅极驱动器和 MOSFET 桥有时会集成在一个单元中。然而,对于高功率单元,为方便热管理,栅极驱动器和 MOSFET 桥会分开布置,这样可以针对栅极驱动器和桥采用不同的工艺技术并最大限度地降低 EMI。
 
如何匹配门极驱动器,来增强型GaN功率晶体管?
图 2:基于 TI MSP 430 微控制器的 BLDC 电机控制示意图。(图片来源:Texas Instruments)
 
MOSFET 桥可由分立器件或集成芯片组成。将低压侧和高压侧 MOSFET 集成到同一封装的关键优势是,即使两个 MOSFET 存在不同的功率耗散,集成后也可以使上下 MOSFET 之间实现自然热平衡。无论是集成式还是分立式,每对晶体管都需要独立的栅极驱动器来控制开关时序和驱动电流。
 
此外,可以使用分立元件来设计栅极驱动器电路。这种方法的优势在于,工程师可以根据 MOSFET 特征精确调整栅极驱动器并对性能进行优化。不过,这种方法也存在缺点,它需要高水平的电机设计经验以及容纳分立解决方案所需的空间。
 
??榛缁刂平饩龇桨柑峁┝肆硪恢盅≡?,市场上有各种各样的集成式栅极驱动器。较好的模块化栅极驱动解决方案包括:
高度集成解决方案,可最大限度地减少器件所需的空间
高驱动电流解决方案,可降低开关损耗并提高效率
高栅极驱动电压解决方案,可确保以最小内阻(“RDS(ON)”)导通 MOSFET
高水平过流、过压和过热?;そ饩龇桨?,可确保系统能够在最坏情况下可靠运行
 
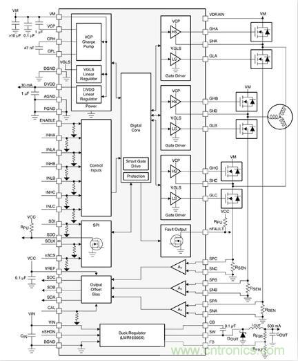
像 Texas Instruments 的 DRV8323x 三相栅极驱动器系列之类的器件不仅能满足高能效 BLDC 电机的要求,还能减少系统的元件数量,同时降低成本和复杂性。
 
DRV8323x 系列有三种型号。每种型号都集成了三个独立的栅极驱动器,能够驱动高压侧和低压侧的 MOSFET 对。栅极驱动器包含一个电荷泵,可为高压侧晶体管产生高栅极电压(最高支持 100% 占空比),还包含一个线性稳压器,可为低压侧晶体管供电。
 
TI 栅极驱动器包括感应放大器。如果需要,可以对放大器进行配置,以放大通过整个低压侧 MOSFET 的电压。这些器件可拉出最高 1 A 和灌入 2 A 的峰值栅极驱动电流,其采用单电源供电并具有 6 V 至 60 V 的超宽输入电源范围。
 
例如,DRV8323R 版驱动器集成了三个双向电流检测放大器,利用低压侧分流电阻器通过每个 MOSFET 桥来监控电流水平。电流检测放大器的增益设置可通过 SPI 或硬件接口进行调整。微控制器连接至 DRV8323R 的 EN_GATE,因此可以启用或禁用栅极驱动输出。
 
此外,DRV8323R 驱动器还集成了一个 600 mA 的降压稳压器,可为外部控制器供电。该稳压器既可以使用栅极驱动器电源,也可以使用单独电源(图 3)。
 
如何匹配门极驱动器,来增强型GaN功率晶体管?
图 3:高集成度栅极驱动器(如 TI 的 DRV8323R)可以减少系统元件数量,降低成本和复杂性,同时节省空间。(图片来源:Texas Instruments)
 
这些栅极驱动器具有多项保护功能,如电源欠压锁定、充电泵欠压锁定、过流监控、栅极驱动器短路检测以及过热关断等。
 
每个 DRV832x 都封装在一个尺寸仅为 5 x 5 - 7 x 7 mm(取决于选件)的芯片中。这些产品可以节省 24 个以上分立元件所需的空间。
 
采用集成式栅极驱动器进行设计为使设计人员快速开始设计,TI 提供了参考设计 TIDA-01485。TIDA-01485 是一个效率达 99%、功率级为 1 千瓦 (kW) 的参考设计,适用于各种应用的三相 36 伏 BLDC 电机,例如以 10 芯锂离子电池供电的电动工具等。
 
该参考设计通过构建此功率级最小的电机控制电路之一,展示了如何使用高度集成的栅极驱动器(如 DRV8323R)在电机控制设计中节省空间。该参考设计实现了基于传感器的控制。
 
该参考设计的主要元件包括 MSP430F5132 微控制器、DRV8323R 栅极驱动器和三个 CSD88599 60 V 半桥 MOSFET 电源模块(图 4)。
 
如何匹配门极驱动器,来增强型GaN功率晶体管?
图 4:TIDA-01485 是一个效率达 99%、功率级为 1 kW 的参考设计,适用于可由 10 芯锂离子电池供电的三相 36 V BLDC 电机。(图片来源:Texas Instruments)
 
虽然栅极驱动器是一个高度集成的??榛饩龇桨?,能够消除分立设计所带来的诸多复杂性,但仍需要做一些设计来打造能够充分发挥其作用的系统。该参考设计为设计人员展示了一个全面的解决方案,可帮助其设计原型。
 
例如,栅极驱动器需要几个去耦电容器才能正常运行。在参考设计中,1 微法 (μF) 电容器 (C13) 实现了低压侧 MOSFET 驱动电压 (DVDD) 的去耦,而该电压来自 DRV8323R 的内部线性稳压器(图 5)。该电容器必须放置在尽可能靠近栅极驱动器的位置,才能最大限度地减小回路阻抗。此外,需要第二个 4.7 μF 电容器 (C10) 对 36 V 电池的直流电源输入 (PVDD) 去耦。
 
如何匹配门极驱动器,来增强型GaN功率晶体管?
图 5:DRV8323R 栅极驱动器应用电路。应尽量减少迹线长度,以限制 EMI。(图片来源:Texas Instruments)
 
二极管 D6 有助于隔离栅极驱动器电源,以防在出现短路情况时电池电压骤降。此二极管非常重要,因为它的存在可确保 PVDD 去耦电容器 (C10) 在短时电压骤降情况下保持输入电压。
 
保持电压可防止栅极驱动器进入不需要的欠压锁定状态。C11 和 C12 是使电荷能够正常运行的关键器件,也应尽可能地将这两个器件放置在靠近栅极驱动器的位置。
 
一般来说,好的设计思路是尽量减少高压侧和低压侧栅极驱动器的回路长度,其主要目的是减少 EMI。高压侧回路是从 DRV8323 GH_X 到功率 MOSFET,并通过 SH_X 返回。低压侧回路是从 DRV8323 GL_X 到功率 MOSFET,并通过 GND 返回。
 
开关时序的重要性
 
如何选择 MOSFET 是关系到 BLDC 电机性能和效率的关键。由于没有两个 MOSFET 系列完全相同,因此每次选择 MOSFET 时都取决于所需的开关时间。即使是稍微弄错时序,也会导致效率低下、EMI 升高以及电机可能出现故障等问题。
 
例如,不正确的时序会引起击穿,这种情况会造成低压侧和高压侧 MOSFET 同时导通,进而导致灾难性短路。其他定时问题包括寄生电容触发瞬变,进而可能损坏 MOSFET。此外,外部短路、焊料桥或 MOSFET 在特定状态下挂起也会引起问题。
 
TI 将其 DRV8323 称为“智能”栅极驱动器,原因是这款驱动器可以为设计人员提供时序及反馈控制,来帮助化解这些问题。例如,该驱动器包括一个内部状态机,可以防止栅极驱动器出现短路、控制 MOSFET 桥的空载时间 (IDEAD) 并防止外部功率 MOSFET 出现寄生导通。
 
此外,DRV8323 栅极驱动器还含有一个用于高压侧和低压侧驱动器的可调节推挽拓扑,可实现外部 MOSFET 桥的强力上拉和下拉,从而避免杂散电容问题??傻髡ぜ髦С指谋浼词闭ぜ缌?(IDRIVE) 和持续时间 (tDRIVE)(无需限流栅极驱动电阻),可对系统进行微调(图 6)。
 
如何匹配门极驱动器,来增强型GaN功率晶体管?
 
图 6:在某个三相 BLDC 电机的 MOSFET 桥中,高压侧 (VGHx) 和低压侧晶体管 (VGLx) 的电压和电流输入。IDRIVE 和 tDRIVE 对于电机是否正常运行及效率非常重要;IHOLD 用于将栅极维持在所需状态;ISTRONG 用于防止低压侧晶体管的栅极至源极电容出现导通。(图片来源:Texas Instruments)
 
IDRIVE 和 tDRIVE 最初应根据外部 MOSFET 的特性进行选择,如栅极到漏极电荷、所需的上升和下降时间等。例如,如果 IDRIVE 太低,MOSFET 的上升和下降时间就会更长,从而导致开关损耗过高。此外,上升和下降时间还(在某种程度上)决定了每个 MOSFET 的续流二极管恢复峰值所需的能量和持续时间,这两个因素可能会进一步降低效率。
 
当更改栅极驱动器状态时,IDRIVE 会应用于 tDRIVE 周期,该周期必须足够长,才能确保栅极电容完全充电或放电。根据经验,选择 tDRIVE 时应确保其大约是 MOSFET 开关上升和下降时间的两倍。请注意,tDRIVE 不会增加 PWM 时间。如果在活动期间收到 PWM 命令,还会终止该周期。
 
在 tDRIVE 周期之后,一个固定保持电流 (IHOLD) 会用于将栅极维持在所需状态(上拉或下拉)。在高压侧导通期间,低压侧 MOSFET 栅极会受到强力下拉,以防晶体管的栅极至源极电容发生导通。
 
固定 tDRIVE 持续时间可确保在故障情况下(如 MOSFET 栅极短路),峰值电流时间受到限制。这可限制能量传递并防止栅极驱动引脚和晶体管受损。
 
结论
 
??榛缁魑扌枋褂弥诙喾至⒃?,因而节省了空间,并增强了新一代紧凑型数控高功率密度 BLDC 电机的优势。这些“智能”栅极驱动器还含有一项技术,不仅能简化设置功率 MOSFET 开关时序的复杂开发过程,还能减轻寄生电容的影响并降低 EMI。
 
尽管如此,还是需要精心选择外围电路,如功率 MOSFET 和去耦电容器。不过如上所示,主流的电机驱动器供应商均会提供参考设计,供开发人员设计自己的原型。
 
 
推荐阅读:
如何匹配门极驱动器,来增强型GaN功率晶体管?
科技赋能数字时代,东芝亮相第二届中国国际进口博览会
模拟电路难度最大:三极管共射极放大电路
“2020深圳慕展“ 倒计时1周年,品牌关键字正式发布 !
很完整的LLC原理讲解,电源工程师收藏有用!
要采购栅极驱动器么,点这里了解一下价格!
特别推荐
技术文章更多>>
技术白皮书下载更多>>
热门搜索

关闭

?

关闭