【导读】以下将介绍12种电源拓扑及输入输出电压关系计算,分别包括:BUCK电路,BOOST电路,BUCK BOOST电路,SEPIC电路,FLYBACK电路等。
1、BUCK电路

输入输出电压关系

开关管电压
二极管反向电压
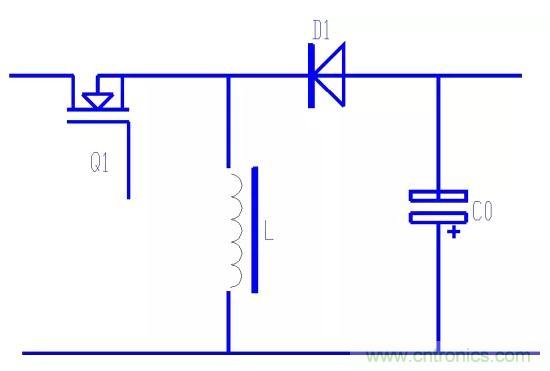
2、BOOST电路

输入输出电压关系

开关管电压
二极管反向电压
3、BUCK BOOST电路

输入输出电压关系

开关管电压
二极管反向电压
4、SEPIC电路

输入输出电压关系

开关管电压
二极管反向电压
5、FLYBACK电路

输入输出电压关系

开关管电压

二极管反向电压

6、FORWARD电路

输入输出电压关系

开关管电压
二极管反向电压

7、2 SWITCH FORWARD电路

输入输出电压关系

开关管电压
二极管反向电压

8、ACTIVE CLAMP FORWARD电路

输入输出电压关系

开关管电压

二极管反向电压

9、HALF BRIDGE电路

输入输出电压关系

开关管电压
二极管反向电压

10、PUSH PULL电路

输入输出电压关系

开关管电压
二极管反向电压

11、FULL BRIDGE电路

输入输出电压关系

开关管电压
二极管反向电压

12、PHASE SHIFT ZVT

输入输出电压关系

开关管电压
二极管反向电压





