桃花源qm花论坛(品茶),凤楼阁论坛官网入口网址,一品楼品凤楼论坛最新动态,风楼阁全国信息2024登录入口

你的位置:首页 > 电源管理 > 正文

总结开关电源电路、原理、经验10条

发布时间:2018-09-28 责任编辑:lina

【导读】在小功率设计中,一般很少用到整流桥的并联,但在某些大功率输出的情况下,不想增添新的器件单个整流桥电流又不满足输入功率要求,就需要用到整流桥的并联了,整流桥的并联不能采用两个整流桥各自整流后直流并联的方式,也就是不能采用图1的方式,因为整流桥没有配对,单纯靠自身的V-I特性,一般是无法均流的,这样就会造成两个整流桥发热不一致。
 
1、整流桥并联
 
在小功率设计中,一般很少用到整流桥的并联,但在某些大功率输出的情况下,不想增添新的器件单个整流桥电流又不满足输入功率要求,就需要用到整流桥的并联了,整流桥的并联不能采用两个整流桥各自整流后直流并联的方式,也就是不能采用图1的方式,因为整流桥没有配对,单纯靠自身的V-I特性,一般是无法均流的,这样就会造成两个整流桥发热不一致。而采用图2的方式,通常认为在一个封装内的两个二极管是非常匹配的,是可以均分电流的,所以采用图2的方式就可以实现整流桥的并联了。
 
总结开关电源电路、原理、经验10条 
 
2、浮地驱动
 
在驱动电路设计中,经常会提到MOS管需要浮地驱动,那么什么是浮地驱动呢?简单的说就是MOS管的S极与控制IC的地不是直接相连的,也就是说不是共地的。以我们常用的BUCK电路为例,如下图:控制IC的地一般是与输入电源的地共地的,而MOS管的S极与输入电源的地之间还有一个二极管,所以控制IC的驱动信号不能直接接到MOS管的栅极,而需要额外的驱动电路或驱动IC,比如变压器隔离驱动或类似IR2110这样的带自举电路的驱动芯片。
 
当然还有另外的方式,那就是采用别的方式给控制IC供电,然后将控制IC的地连接到MOS管的S端,这样就不是浮地了,控制IC的输出就可以直接驱动MOS管。
 
 总结开关电源电路、原理、经验10条
 
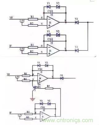
3、滞环比较器
 
在?;さ缏分?,为了防止?;さ缏吩诒;さ愀浇椿卣鸬?,所以一般都增加一定的滞环。
 
在下图中,1M电阻就起到滞环的作用,如果没有1M电阻,很明显,VF电压达到2.5V运放输出低电平,低于2.5V,运放输出高电平。增加1M电阻后,在运放输出低电平时,6脚电平为0.7+(2.5-0.7)*1000/1010=2.48V。当VF低于6脚电平后,7脚输出高电平(如果运放供电15V,7脚输出可按照14V计算)可以计算此时6脚电平为2.5+(14-2.5)*10/1010=2.61V,如果这是一个输入欠压保护电路,且VF为100:1的取样,则当输入电压高于261V,电路正常工作,当电压低于248V才会欠压?;?,这样就增强了保护电路的抗干扰能力。
 
一般经常用到滞环比较器的地方有:过欠压?;さ缏贰⒆频缏返?。
 
 总结开关电源电路、原理、经验10条
 
4、误差放大器输出钳位电路
 
设计电源中,无论是恒压源还是恒流源,只要是闭环控制,总少不了误差放大器,在进入闭环之前,误差放大器输出电压为最高值,正常来说,误差放大器供电一般在15V左右,则误差放大器的输出在开环的时候为14V左右,随着输入信号的增加,达到稳压(稳流)点后,误差放大器从最高点开始降低直到闭环需要的值,在误差放大器输出降低过程中,时间越常自然输出超调越大电路越不容易进入稳定。
 
增加一个二极管+稳压管后,可以在一定程度上改善这个问题,如下图所示,如果稳压管是5V的,那么在开环的时候,误差放大器输出被钳位在6V左右,这样当进入闭环的时候,误差放大器输出就不是从14V开始下降而是从6V左右,降低到闭环需要的电压值自然需要的时间就短,电路就越容易进入稳定。
 
大家可以去看看IC内部的误差放大器输出,无论IC供电电压多少伏,误差放大器输出电压的最大值应该都不会是IC供电电压,而是6V左右吧,不知道是不是也是基于这个原因。
 
 总结开关电源电路、原理、经验10条
 
5、双环控制系统的切换
 
在设计电路中,带有限流功能的恒压源及带有限压功能的恒流源相信大家都不陌生,很多网友在设计电路的时候,有时候会采用下图所示电路,一个稳压环一个稳流环,逐渐增加负载,稳流环输出低电平进入限流,当负载减小退出限流的时候,稳压环需要一个切换时间,那么就出现了两环路都不工作的一个空白区,在这时间内,电路相当于开环,对电路来说,总归不是好事。 但如果第二个电路,就不存在这样的问题,限流的时候,稳流环拉低稳压环的基准,在这个过程中,两个环路都在工作,即使在限流过程中,突然断开负载,由于稳压环一直在工作,所以在很短时间内电路就会进入稳定。而不会出现上述电路的空白区。
 
 总结开关电源电路、原理、经验10条
 
6、漏感的测量
 
在电源变压器设计过程中,相信大家都很清楚变压器的漏感如何测量,很多网友经常在帖子里提到,我的变压器电感1mH漏感600uH,如果你也测量到这种情况,那么最好再确认一下,因为我们知道漏感储存的能量是无法传递到副边的,如果你的变压器参数如上所说,你想想你的变压器的效率会有多少?还有的网友会纳闷,自己绕的变压器明明漏感测试的不大,为什么在应用中会出现那么大的尖峰?因为在实际工作中,不仅仅变压器的漏感在起作用,你的布线电感也在起作用。
 
正确的测试漏感的方法应该是其余器件先不焊,将变压器首先焊接在PCB上,然后用粗短线将MOS管,输出整流二极管短接,将输出滤波电容短接,从输入滤波电容测量进去得到的是输入的漏感。将输入滤波电容短接,从输出滤波电容测量进入,得到的是输出端的漏感,这样的测试方法考虑了PCB的分布电感,更接近实际的情况。
 
7、MOS管的驱动
 
借用一个图,这个图是过欠压、过流?;さ牡缏?,分别通过两个光耦控制驱动信号,正常情况下光耦导通,MOS管导通,出现异常后光耦切断,MOS管断开,这个图至少有两个明显的错误,大家看看在哪里。(R6R7为1k,R25R26为10k)
 
 总结开关电源电路、原理、经验10条
 
8、反馈电路中两个电阻的选择依据
 
以384X电路为例,常用的光藕隔离反馈电路接法有两种,一种是将2脚接地,光藕4脚接1脚,通过拉低1脚的电平来实现稳压。
 
有的人觉得这种方式不合理,会采用下图的方式,这种方式也是一样的道理,这里以下图为例说明电阻R5及R6的选择。
 
电路中,R7、R8接成比例放大,放大倍数为1,也就是R7=R8,电容C2主要起滤波作用,我一般选择的很小100P。如果电流采样信号在0-1V范围内,电路都正常工作,对应COMP端电压,就是就是1V--4.4V(内部二极管压降认为0.7V,1V为PDF提供的最低工作电压)那么折算到R6上电压应该能在0.6V--4V变化。如果光藕传输比为β,则可以得到下面的式子 4≤R6*(V0-2.5-1.1)*β/R5
 
也就是说,当光藕原边流过最大电流的时候,副边电流在R6上的压降应不小于4V。至于R5的选择,我在另一个帖子提到,一般光偶原边电流控制在5mA即可,这样就可以选择R6的值。
 
 总结开关电源电路、原理、经验10条
 
9、小功率反激类电源的调试
 
小功率反激类输出电源,对于经常设计的人来说,基本都是空载或轻载直接上电,由于 已经轻车熟路,所以基本不会有什么问题,主要问题在于参数的优化。但对于菜鸟或新手来说,有时候电路原理还不是很明了,想通过动手来加强印象,如果自己做出来的电源直接上电,估计炸机的可能性会超过一半,所以还是循序渐进好一些。首先,单独给控制IC供电,看看IC工作是否正常,主要看频率及MOS管的驱动信号,如果单独供电,IC都工作不正常的话,你如果直接上电后果是什么不用说了吧?IC单独供电正常后,我一般都是找一个带限流功能的直流输出电源给自己设计的电源供电,然后空载上电,看输出电压是否正常,由于直流输出电源带限流功能,所以即使存在问题也是供电电源限流?;?,空载输出电压正常再逐渐加载。如果没有带限流功能的直流电源,我的意见也不要贸然直接加交流,可以在交流输入端串联一个白炽灯做限流功能,然后看空载是否正常,如果正常后再将白炽灯去掉加交流,这样会安全一些。
 
10、交叉调整率是如何产生的
 
 总结开关电源电路、原理、经验10条
 
上面这个图,如果没有R及L,就是一个很普通的反激电路输出整流的两个绕组,在这里,R为变压器及布线部分的直流阻抗,L为变压器绕组的漏感,N1N2就是理想的变压器绕组了。对于理想的变压器绕组,绕组电压正比于匝比,也即是如果5匝绕组输出5V,那么10匝绕组输出就是10V。
 
如果第一个绕组是稳压5V输出的,在空载情况下,绕组基本没有电流,R1、L1上压降可以不考虑,二极管压降为电流是零时候的压降值。这个时候N1绕组电压可以认为是输出电压5V+二极管压降0.4V。那么10匝绕组的电压就是2*(5+0.4)=10.8V,绕组空载的时候,输出电压为10.4V,随着第二个绕组带载电流增大,电阻R2及L2上压降增加,二极管V2压降也增加,那么C2上电压逐渐开始降低,这个电压的变化为N2绕组的负载调整率,而不是交叉调整率。
 
在辅绕组负载不变的情况下,如果主绕组带载变化,随着电流的增加,R1、L1及V1的压降都会增加,从而引起N1绕组电压的增加(因为要保证C1上电压不变)。假设主绕组带载后N1绕组电压由原来的5.4V变成了6V.那么N2绕组的电压将变成12V,输出电容C2上的电压就会变成11.6V,这个由于主绕组带载而引起的辅绕组电压由10.4V变成了11.6V的情况,就是交叉调整率。
  
 
推荐阅读:
谈谈运放与比较器的本质区别 
50000平米!50000人!1000家企业!92CEF强势登陆上海 
元器件百强企业陕西华星亮相第92届中国电子展 
英国王子亲率展团参展“互联网+”博览会,一展雄厚科技实力 
首届中国“AI+”创新创业大赛将于10月底亮相顺德   
要采购变压器么,点这里了解一下价格!
特别推荐
技术文章更多>>
技术白皮书下载更多>>
热门搜索

关闭

?

关闭