【导读】针对当前市场需求和最新的USB标准,安森美半导体宣布携手伟诠电子合作推出全系列USB PD壁式充电器参考设计,包括支持USB Type-C接口PD 3.0和高通Qualcomm Quick® Charge 3.0TM Class A快充协议的45 W USB PD 3.0电源适配器方案。
USB Type-C、USB PD和QC 3.0简介
USB Type-C 是新一代通用串行总线连接器、端口和电缆规范,支持双向电源和正反逆插,支持更高的充电功率和达10 Gbps的数据传输速率,被越来越广泛地应用于便携式设备。
USB PD全称USB Power Delivery,即USB功率传输协议,支持数据通信和高达100 W的功率传输,启动时默认支持5 V@3A,可根据需要调至27 W、45 W、60 W、100 W等,并支持额外的功率和电压选择。USB PD 3.0是USB-IF组织发布的最新协议,旨在一统快速充电技术规范的可编程电源(PPS,Programmable Power Supply)。USB PD3.0输出电压范围从5V扩展到3 V至21 V,步进调幅电压为20 mV。
QC 3.0是高通第三代快充技术,其支持的总线电压(VBUS) 范围,Class A为3.6 V至12 V,Class B为3.6 V至20 V。QC 3.0在分立模式下等同于QC 2.0,以0 V、0.6 v、3.3 V三级逻辑通过静态D+/D- 值选择VBUS;在连续模式下,新的QC 3.0以200 mV小步幅增加或降低VBUS,让便携式设备选择最适合的电压达到理想充电效率,更具灵活性,其最大负载电流限制为3 A,最高功率可达60 W。高通的快充技术如今已发展到第四代即QC4,电压档细分为以20mV为一档,同时支持USB PD。
45 W USB PD 3.0电源适配器方案实现紧凑、高能效的设计
安森美半导体和伟诠共同推出的45W USB PD 3.0电源适配器方案涵盖5V/3A、9V/3A、12V/3A、15V3A 、20V/2.25A的PD 3.0规格和3.6 V至12 V/3 A的QC 3.0 Class A规格,额定输出功率45 W,平均能效超过90%,待机功耗低于30 mW,符合最新的能效标准,且占板尺寸仅57mmx36mmx19mm,功率密度达1.15W/cm3,此外,该方案还集成全面的?;せ?,包括自适应的输出过压?;?、欠压?;?、过流保护、短路保护、电缆压降补偿、开环?;さ?,在实现高能效和高功率密度的同时确保高可靠性,工程师采用该方案可轻松设计出支持PD 3.0或QC 3.0的高能效、高功率密度和高度可靠的电源适配器,用于智能手机、平板电脑和笔记本电脑等应用。
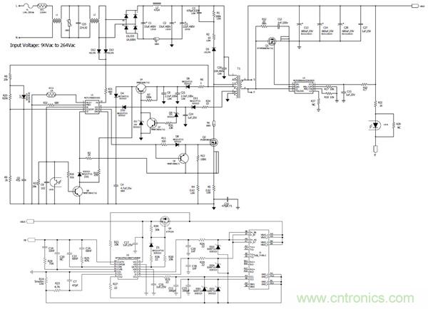
该设计主要采用安森美半导体的初级端高频准谐振反激式PWM控制器NCP1340、次级端同步整流控制器NCP4306、同步FET NTMFS6B03、开关FET ATP104和伟诠的PD3.0协议控制器WT6632F/WT6615F。方案框图如图1所示。

图1:45 W USB PD3.0电源适配器方案框图
准谐振反激+同步整流的架构有利于实现高功率密度和高能效。在该方案中,安森美半导体的NCP1340采用准谐振电流模式控制,工作频率高达150 KHz,集成X电容放电功能和新一代跳周期模式,谷底锁定开关运行机制避免因谷底数不稳定所产生的音频噪声问题,配以同步整流控制器NCP4306,通过超快关断触发、极短导通延时和强大的驱动能力降低整流二极管导通损耗。同步FET NTMFS6B03导通电阻低至4.8 m?,最大限度地降低导通损耗,低门极电荷和电容最大限度地降低驱动损耗。而输出FET采用单P沟道ATPAK功率MOSFET ATP104,具备低导通电阻、大电流、纤薄的封装和4.5 V驱动能力。
伟诠的USB PD控制器WT6632F/WT6615F支持USB PD 3.0规范和QC 3.0,用于USB Type-C DFP下行端口(源)充电应用,通过集成USB PD基带物理层、Type-C检测、并联稳压器、电压和电流检测、负载开关的MOSFET控制器和8位微处理器,最大限度地减少外部元件数,实现小外形和低物料单(BOM)成本,支持3 V至30 V的宽工作电压范围,无需外部LDO,多次可编程的ROM可用于编辑程序代码及用户配置数据。

图2:45 W USB PD3.0电源适配器方案电路原理图
该方案在230 Vac、满载条件下的开关频率高达约130 KHz。
能效和性能测试
我们在90 Vac、115 Vac、230 Vac、264 Vac 条件下,测得该方案于5 V输出(电缆未插入)的待机功耗都低于27 mW,在评估板端测得在115 Vac和230 Vac的条件下,20 V/2.25 A输出的平均能效超过90%。

图3:能效测试曲线
当拔除电缆时, MOSFET快速关断,当再次插入电缆、总线电压Vbus降至5 V时,MOSFET快速导通。此外,我们在上述所有条件下测得的纹波和噪声都低于100 mV, 动态性能出色,散热性良好。


图4:热图像@20V2.25A
现已被安森美半导体收购的Fairchild与伟诠合作推出经实践证实的高能效方案仍将提供给客户,且配备相应的评估板和使用指南:
支持USB PD 2.0的24 W电源适配器方案,输出电压涵盖5 V、9 V、12 V,采用离线准谐振PWM控制器FAN602MX、次级端同步整流控制器FAN6240M6X和伟诠的USB PD控制器WT6630P
支持USB PD 3.0+PPS的25 W电源适配器方案,输出电压涵盖5 V、9 V,采用离线准谐振PWM控制器FAN604HMX、次级端同步整流控制器FAN6240M6X和伟诠的USB PD控制器WT6615F
支持USB PD 3.0+QC 3.0的65 W电源适配器方案,采用离线准谐振PWM控制器FAN604HMX、次级端同步整流控制器FAN6240M6X和伟诠的USB PD控制器WT6632F/WT6615F。
总结
USB Type-C接口和USB PD协议将成为市场的主流。安森美半导体利用在电源半导体领域的专长和伟诠在USB PD领域的领先技术,合作推出全系列USB PD壁式充电器参考设计以满足市场需求。其中,45 W USB PD3.0电源适配器方案,支持USB Type-C PD 3.0和QC 3.0协议,工作频率高达150KHz,功率密度达1.15 W/cm3,待机功耗低于30 mW,完全符合各项能效标准,且具备高达90%的平均能效,和出色的纹波及动态性能,使设计人员能快速设计出支持USB PD 3.0和QC 3.0的紧凑和高能效的电源适配器,用于智能手机、平板电脑和笔记本电脑等应用。此外,该方案还易于扩展输出功率至60 W。



