【导读】电动汽车系统由电动马达、电力转换器和储能器件如锂离子电池组成。这种新的架构系统必须经过优化来最大限度地提高系统效率,使汽车一次充电能够达到最长的行驶距离。电子技术的这些发展为减少交通运输的排放创造了条件。
拯救我们的地球,让地球远离污染!这是世界各地的科学家和有识之士对降低温室气体排放的一致呼声。由化石燃料内燃机驱动的汽车是罪魁祸首。虽然推动汽车行进的替代技术有很多种,但目前唯一可行的方案是:电动汽车。
电动推进技术需要在汽车中集成一种全新架构的动力传动系统,这种新增加的组件要求对相应的系统部件进行多学科的深入研究。电动汽车系统由电动马达、电力转换器和储能器件如锂离子电池组成。这种新的架构系统必须经过优化来最大限度地提高系统效率,使汽车一次充电能够达到最长的行驶距离。电子技术的这些发展为减少交通运输的排放创造了条件。
电动汽车(EV)和混合动力汽车(HEV)
电动汽车(EV)靠电池行驶,混合动力汽车(HEV)也一样,只是它还利用一个化石燃料点火的内燃机作为辅助。给这些汽车供电的技术要想获得成功并拥有美好的未来,能效是关键,因此需要智能的电源管理机制,最大限度地提高将电池能量转换为车轮机械驱动力的效率,从而增加单次充电的行驶距离,同时不增加碳排放,理想情况下更是显著降低碳排放。
电动汽车的碳化硅(SiC)电源
电动汽车的重量、体积和成本以及单次充电的行驶距离与电力转换系统的效率直接相关。SiC电源部件非常适合在汽车常见的高温环境中工作。让我们仔细看看碳化硅电源部件在提高系统效率方面的作用。
更轻的重量意味着里程数的延长。降低电源转换系统的重量、成本和尺寸的一种典型方式是提高开关稳压器的开关频率。我们知道,在较高频率点工作时,电感、电容和变压器等有源元件的尺寸和重量可以缩小。拥抱碳化硅(SiC)解决方案吧。
虽然硅(Si)电源器件也能工作在高频,但SiC的优势是能够处理比Si高得多的电压。SiC是一种宽带隙的半导体器件,而较宽的带隙意味着较高的临界电场(临界电场是关断状态下的阻塞电压)??泶?WBG)SiC器件的高压能力允许它们具有更低的导通电阻,从而实现更快的开关速度和单极性工作状态,部分原理是其载频需要被加速至高得多的速度(更高的动能)来克服更宽的带隙。
虽然砷化镓(GaAs)和氮化镓(GaN)也具有很高的临界电场,也是针对大功率解决方案的改进型器件,但SiC还有其它一些优势,诸如更高的最大工作温度,很高的德拜温度,很高的热传导性(在多晶SiC中),在电场中实现快速开关和低电阻率的高载流子饱和速度,方便生成二氧化硅(SiO2)带来的更低的生产成本,以及很高的阈值能量带来的更具鲁棒性的抗辐射性能。
SiC器件在电动汽车中有许多关键应用。现有的电力牵引驱动装置能够将85%的电能转换为机械能来驱动车轮,这个效率是相当高的,但SiC也能帮助提高效率。电能转换器能够受益于效率的改进,因为它能将电池能量传递给发动机,而且能够在电池充电器电路和任何需要的辅助电源中使用(图1)。

图1:SiC电源器件在电动汽车中有许多用途。
将750V转换到27V供低压电动汽车使用的SiC电源,是用SiC功率器件提高电动汽车效率的很好例子。这种架构将效率从88%提高到了惊人的96%,将尺寸和重量减小了25%,并且与Si解决方案相比不需要用风扇来冷却多余的热量。表1显示了电动汽车SiC功率器件的一些重要应用。表格中提到的参考信息可以通过访问本文末尾的参考文献1找到。
表1,电动汽车电子架构中的一些SiC应用(摘自参考文献1)。

(PCU是指电源控制单元;APS是指辅助电源)
电动汽车的氮化镓电源
氮化镓(GaN)对于电动汽车的电源改进也功不可没。电机驱动和直流/直流控制中广泛使用的IGBT一直是基于硅的产品。这些设计的开关时间通常在10kHz至100kHz数量级,而GaN器件的开关时间可以达到纳秒级,并且能够轻松地工作在200℃的汽车环境下。
就像SiC一样,GaN器件由于具有更高的开关速度,因此也能缩小电源架构中电感、电容和变压器的尺寸,还能因无源器件尺寸的缩小而减少总的体积和重量。
我们将根据电动汽车电池的化学成分分析它们的功效,比如基于锂的化学成分以及具有高能量密度的NiMH。如前面SiC器件部分所述,为了使一次充电能够行驶更长的距离,同样需要提高电源转换架构的效率。
硅器件的开关速度和最小导通电阻已经达到最大极限,GaN似乎是超越这些极限的一种可行的方案。实验表明,如果开关频率可以提高5倍,电感和电容的体积就可以缩至五分之一。今天的GaN技术可以支持很高的速度。
GaN功率器件在4个关键领域表现相当卓越:高温工作,更高的击穿电压,低导通电阻,适合更高工作频率的纳米级开关速度。在这些优势方面GaN与SiC类似,而它们的区别有两点:LED和射频晶体管一直使用GaN;许多硅制造工艺兼容GaN工艺,与SiC较高的基底成本相比,降低了晶圆成本及工艺成本。
由于早在2003年就解决了可靠性问题,因此今天的技术成就了已经投产的第一批GaN高电子迁移率晶体管(HEMT)器件。这些都是常态导通器件,因此0V的栅极电压将形成导通状态,小于0V的任何电压都将使器件关断。早期使用的是SiC基底,一旦Si基底能与GaN完美结合,生产成本就能显著降低。2014年实现的新的级联架构将常通器件变为了常断器件。
自那以后驱动技术得到了长足发展,集成度越来越高,电源逆变器也有了显著进步。GaN器件在电动汽车的电池充电器中也有不凡表现,这些充电器由交流/直流转换器加直流/直流转换器组成。这种组合就是一种功率因数控制器(PFC)(图2)。

图2:典型的电动汽车电源架构(摘自参考文献2)。
利用GaN,加上开关速度更高的GaN HEMT,可以实现更小的无源器件。在更高的频率条件下,用更小的电感可以使电源架构的纹波电流更低,改善了功率因数,并得到体积更小成本更低的电容。更低的纹波电流对电容的应力也更小,从而提高其可靠性和寿命。
过去几年来GaN的可靠性已经被提高到了一个很高的标准,这是GaN在汽车中使用的关键。
利用混合动力汽车传动系统效率降低温室气体排放
目前约72%的交通排放由行驶在道路上的汽车产生。改进混合动力汽车传动系统设计以提高其效率是降低排放的主要手段。一种方法是增强DC-link电压控制架构的效率,这意味着首先需要提高串联式混合动力汽车传动系统的电源转换器效率。
DC-link通常连接三个传动系统:由三相整流器组成的初级电源;由双路有源桥(DAB)直流/直流转换器组成的次级电源;由三相位逆变器组成的推进负载(图3),它们与串联式混合动力汽车相关。

图3:混合动力汽车的传动系统框图(摘自参考文献3)。
在DC-link和电池电压不相等的设计拓扑中,直流/直流转换器中间解决方案是必需的。论文“用于提高串联式混合动力汽车中电源电路效率的电压控制方法”(参考文献3)描述了研究不同架构的许多方法以及用于各种DC-link电压和直流/直流转换器控制的方案。
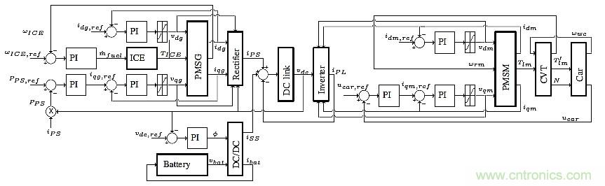
下面将讨论比例控制定律,该定律用于控制动态DC-link电压以实现DAB直流/直流转换器桥栅极开关波形之间的相移。这种转换器位于串联式混合动力汽车传动系统的DC-link和电池之间,如图4所示。在这种情况下,控制器使直流/直流转换器电能损耗及整个传动系统的损耗都变得更低。

图4:控制原理图中的混合动力汽车传动系统互连图。内燃机(ICE)、连续可变变速箱(CVT)、永磁同步发电机(PMSG)或混合动力汽车的初级电源、永磁同步电机(PMSM)或混合动力汽车的推进负载都是图中所示系统的关键部件。(摘自参考文献3)
在这个模型中,柴油机是混合动力汽车的主要动力源,直流电池是次级动力源。管理控制系统(SCS)根据电池电量状态(SOC)和电机负载来控制这两个动力源提供的动力比例。
事实上,在这种串联型混合动力汽车中,DC-link电压将抑制条件施加于与单位调制指数对应的PMSM和PMSG的理想工作区,这样系统就能避免出现导致信号失真并降低系统效率的过调状态。将调制指数保持接近1,可以提高传动系统中电源电路的总效率,从而最大限度地提高逆变器和整流器的效率,而开关过程是其效率损失的主要因素。因此降低开关电压可以提高效率。
这种能够最大限度减小功率损失的永久零压开关(PZVS)机制最适合具有高混合因子的汽车,特别是在城市环境中?;旌弦蜃?HF)是指来自电源的装机功率与总装机功率之比。这个混合因子会影响混合动力汽车中的燃油消耗。
汽车逆变器
主电源逆变器控制着电力传动系统中的电动机,是混合动力汽车/电动汽车中的一个重要部件。电源逆变器就像内燃机汽车中的发动机管理系统(EMS)一样决定着驾驶行为。这种逆变器适用于任何电机,比如同步、异步或无刷电机,由集成的电子PCB板控制。这块PCB板是汽车制造商专门设计的,用于最大限度地减少开关损耗,以及最大限度地提高热效率。逆变器的其它功能是捕获再生制动释放的能量,并反馈给电池充电?;旌隙ζ?电动汽车的行驶距离与主逆变器的效率直接相关(图5)。

图5:混合动力汽车/电动汽车中的英飞凌主逆变器框图。(摘自参考文献4中的英飞凌部分)
双电压电池系统
管理好混合动力汽车和电动汽车中的电池要求使用高压技术。结合了12V和48V电池的双电压系统需要双向的直流/直流转换,如图6所示,目的是?;さ缏罚С旨芄够δ?。

图6:48V到12V的双向直流/直流转换器(摘自参考文献5中的TI部分)。
另外,汽车架构设计中通常有一个单相的3.5kW或7kW板载充电器模块(OBCM),用于从电网给电动汽车或插电式混合动力汽车(PHEV)充电。反之,电动汽车和插电式混合动力汽车可以用作能源,也可在集成有可再生能源的智能电网中用作储能设备。智能电网工作时考虑到了给电动汽车和插电式混合动力汽车智能充放电,这也是OBCM必须是双向直流/直流充电器的原因。
这种设计的最佳架构是升压系列谐振双向拓扑,如图7所示。它工作在谐振频率之上,具有零压开关功能,在最小开关频率点具有最大的功率传送性能。与单向电源流转换器相比,这种技术用MOSFET整流器替代了二极管整流器。这种解决方案也具有较高的效率和较宽的电池容量。图7所示的这种架构的一个主要缺点是整流桥在关断时具有较大的损耗,这一问题在未来的设计中必须解决。

图7:设计师有时使用调制过的DAB转换器控制简单高频隔离,这种架构的优势是器件的应力较低;其主要缺点是,ZVS(零压开关)无法扩展到整个输出范围,特别是在轻负载条件下。这张图显示,升压系列谐振双向转换器是一种更好的架构(摘自参考文献6)。
Delphi集成和布线
Delphi集成了本文讨论的所有元器件和其它一些混合电动汽车功率电子器件 (图8),这令人惊叹。

图8:Delphi在混合动力汽车/电动汽车中实现高度集成(摘自参考文献7)。
混合动力汽车/电动汽车中使用合适的内部连接器也十分重要(图9)。

图9:混合动力汽车/电动汽车的关键要素是将质量最小化。Delphi在小规程电缆技术、绝缘材料和重量更轻的铜替代品(比如铝或一些特殊专有合金)方面有着重要创新(摘自参考文献7中的Delphi部分)。
电力车轮驱动系统
“轮毂电机电动汽车应用中电力驱动系统的设计与实现”(参考文献8)一文推荐了一种适合混合动力汽车和电动汽车的轮毂驱动系统,一种提供计算性能的轮毂驱动混合动力汽车的Matlab SIMULINK模型已开发成功。两个14kWDC无刷直流(BLDC)电机根据文献设计制造而成,安装在混合动力汽车车轮的轮辋内。
另外,两个独立驱动的后轮也安装在菲亚特的Linea车上。通过对方向盘的角度进行检测,电子控制技术取代了机械差动装置。汽车的电力驱动控制系统和电子控制单元(ECU)之间通过CAN总线进行通信。电力驱动后轮和ICE驱动的前轴之间实现了成功的级联。

图10:一个后轮的无刷直流电机图像(摘自参考文献8)。
这种设计选择了带集中线圈的无刷直流电机,因为它具有很低的功率重量比和很高的效率,并且容易控制。

图11:车轮轮辋和电动发电机装置中的直接驱动型无刷直流电机分解图(摘自参考文献8)。
驱动器
无刷直流电机的电力驱动器由一个集成的电源???IPM)、一个8位的微控制器和一个电子控制系统组成。驱动器软件开发用于IGBT换流控制和电机脉宽调制(PWM)电压控制。系统具有光耦隔离、电流和温度保护,而且系统中还嵌入了速度、电流和电压传感器。
综上所述,本文介绍了在电动汽车和混合动力汽车电源管理方面最近几年的一些发展成果。今后肯定还会涌现出更多的开发成果,进一步改进这些系统,使我们的地球受益。
参考文献
- Silicon Carbide Power Electronics for Electric Vehicles, Andrii Stefanskyi, ?ukasz Starzak,Andrzej Napieralski, 2015 Tenth International Conference on Ecological Vehicles and Renewable Energies (EVER)
- Gallium Nitride Semiconductors in Power Electronics for Electric Vehicles: Advantages and Challenges, Adrien Letellier, Maxime R. Dubois, João P. Trovão, Hassan Maher, IEEE 2015
- Voltage Control for Enhanced Power Electronic Efficiency in Series Hybrid Electric Vehicles, Mark Roche, Wassif Shabbir, and Simos A. Evangelou, IEEE 2016
- Infineon main HEV inverter
- Driving the green revolution in transportation, Karl-Heinz Steinmetz, Texas Instruments
- High Efficiency Wide Range Bidirectional DC/DC Converter for OBCM Application, Gang Liu, Dan Li, Jian Qiu Zhang, Min Li Jia, IEEE 2014
- Advancing Automotive Innovation Hybrid & Electric Vehicle Systems, Delphi.
- Design and Implementation of an Electric Drive System for In-Wheel Motor Electric Vehicle Applications, R.Nejat Tuncay, Ozgur Ustun, Murat Yilmaz, Can Gokce, Utku Karakaya, IEEE 2011
本文来源于电子技术设计。
推荐阅读:






