【导读】在供电线路中由于接有较多的感应电动机、电感性负载和高压电容,线路中的电流较线路电压在相位上滞后一个角度,而使线路的功率因素降低。我们有几种改善线路功率因数的方法提供给大家,供大家参考学习!
1、采用同步电动机或异步电动机同步运行提高功率因数。
2、为了改善电力系统和企业的功率因数,变压器不应空载运行或长其处于低负载运行状态。
3、使用高压电容器并接在线路上来改变线路的负载特性,从而提高功率因素。
而对于接上电容器后,将引起电网电压升高,特别是负荷较轻时,在此种情况下,应将部分电容器或全部电容器从电网中断开?;诖嗽颍衷谧爸蒙系缛萜鞯目刂埔丫耆迪?。
并联电容器的补偿方式:
1、个别补偿:个别补偿是对单台用电设备所需无功就近补偿的办法,把电容器直接接到单台用电设备的同一个电气回路,用同一台开关控制,同时投运或断开。这种补偿方式效果最好,电容器靠近用电设备,就地平衡无功电流,可避免无负荷时的过补偿,使电压质量得到保证。
2、分散补偿:分散补偿是将电容器分组安装在配电室或变电所各分路的出线上。它可与工厂部分负荷的变动同时投入或切除,这种补偿方法效果也较好。
3、集中补偿:集中补偿是把电容器集中安装在变电所的一次或二次侧的母线上。这种补偿办法,安装简便,运行可靠,利用率较高,但当电气设备不连续运转或轻负荷时,又无自动控制装置,会造成过补偿,使运行电压抬高,电压质量变坏。
电容器的?;ぃ翰捎米酆媳;て鱌R的?;ぬ匦裕簿褪亲爸蒙嫌玫?40C?;て?。有过流(过电流?;ぶ饕乐构收侠┐蠛头乐构汉?、速断、接地、断路器失灵、过电压?;?过电压?;な欠乐乖诵邢低彻缪刮:Φ缛萜髯榘踩诵械谋;ぷ爸?,当运行电压超过电容器组额定电压的1.1-1.2倍时,使开关跳闸,将电容器组退出运行)、低电压?;?低电压?;ぶ饕欠乐箍赵乇溲蛊饔氲缛萜髯橥焙险?,产生的工频过电压和振荡过电压对电容器的危害。当运行电压低到额定值的65百分数左右时,?;ざ鳎谐缛萜髯?。
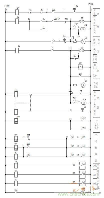
电容器控制柜上元件分析
1、装了三个电流表,A相、C相各装一个,B相是由A、C相合成得来,同样PR综合?;て饕彩怯闪礁鯟T提供电流?;ぶ?。数显表电源是DC220V。
2、电度表的电压是从母线PT引来。
3、本体上1FD、2FD、3FD、三个灯是交流电源,当电容器投运时三个指示灯亮,同时当电容器退出运行时起到放电作用。另外当电容器投入运行后电压表指示大约6千伏左右。
4、控制原理讲解:(1)手动/自动合闸回路、手动/自动跳闸回路。(2)防跳回路的作用。(3)?;ぃ骸缛萜饔氲缁牧?,※电网低电压(F27),※故障跳闸(k86)与综合?;て?PR),※过电压(1kT),通过59A1和59A2继电器来实现。(4)FA、二极管的作用。(5)盘柜上的电源种类(比如1BD、2BD)。(6)2KT与3KT及中间继电器KA之间的配合致使电容器的合闸与分闸。(7)不同装置国产电容器的投退异同之处。
5、分析常见故障:DL辅助接点、行程2LX,HC、HQ线圈烧毁等。
[page]
控制原理
识图:

示意图
1、原理介绍:
以某装置II段电容器控制为例来说明:在电容器的控制原理中加入随电力设备的投入而自动投电容器(见上图)。根据计算,1#、4#、6#电动机,任开两台或以上,电容器自动投上就能够满足电力线路要求。例如:1#、4#电动机启动,2KA、3KA中间继电器线圈得电,其??拥惚蘸?,2KT时间继电器得电,2KT两对延时闭合接点通过延时10min闭合,一对使合闸接触器HC得电,HC去接通合闸线圈使断路器合闸,电容器投入运行。另一对接通3KT时间继电器和1KA中间继电器,1KA??拥惚蘸希1战拥愦蚩?,也同时对3KT时间继电器和1KA中间继电器形成自保,同时3KT时间继电器得电延时断开接点延时0.5s断开,使2KT时间继电器失电,2KT时间继电器两对得电延时闭合失电瞬时打开接点立即打开。保证了有两台电动机启动情况下,电容器自动去合闸只有0.5s时间,也就是只合一次;避免电容器在有故障情况下反复合、跳闸,损坏设备。
2、自动跳闸:
一种是当电容器出现故障,比如短路、接地、过电压,低电压、接地等电容器会启动?;せ芈方刑ⅰ?另一种就是由于负荷发生变化,自动切电容器,避免发生过度补偿,没起到补偿作用。例如:1#、4#、6#电动机,任两台?;?#、4#电机?;?,相应的2KA、3KA中间继电器失电,其??拥愦蚩屑浼痰缙?KA就失电,其??拥阋泊蚩?,常闭接点闭合。其中常闭接点接通了跳闸回路,使跳闸线圈TQ得电,断路器跳闸。同时1KA??拥愦蚩?,3KT时间继电器失电,又恢复到投电容器时的准备状态,随时准备下一次自动投切。
3、继电保护:
采用动作非常准确的ABB SPAJ140C综合?;ぜ痰缙?PR)。以及动作非常准确的过电压?;XEG21电压继电器和MTCV2、 ETR4-70-A时间继电器。
通过以上对电容器原理的分析可以看出电容器在供电线路所起到的作用,对于我们来说就是要注重如何控制和维护,才能更好的保证设备的连续运行。




