【导读】随着大量研究的投入越来越多的领域都出现了逆变电源的身影。尤其是让全世界都十分关注的能源问题和环保问题,逆变电源也正在被用于其中。本文将以实例为大家讲解有关单相正弦波逆变电源设计。
本系统实现输入直流电压15V,输出交流电压有效值10V,额定功率10W,交流电压频率在20至100Hz可步进调整。以MSP430单片机为控制核心,产生SPWM波控制全桥电路,然后经过LC滤波电路得到失真度小于0.5%的正弦波。采用PID算法反馈控制使输出交流电压负载调整率低于1%,采用开关电源作为辅助电源、合理选用MOSFET等使系统效率达到90%,采用输入电流前馈法来估计输出电流以实现过流保护以及自恢复功能。
引言
要求实现单项正弦波逆变电源,输入直流15V,输出交流电压有效值10V,功率10W,且频率20至100Hz步进可调,要求波形无明显失真,负载调整率小于1%,效率尽可能高,系统要具备过流?;ひ约白曰指垂δ?。由于输出功率较小,为了提高系统的效率,我们采用TI提供的MSP430系列超低功耗微控制器来产生SPWM波,配合TI超低导通电阻和快速导通MOSFET,在MOSFET的驱动上使用TI开发的高驱动能力半桥驱动芯片UCC27211。系统简洁明了,以最简单的方法实现了所有的功能,且利用矩阵按键和LCD显示设备为用户提供了良好的交互界面。以下将集中讲述系统的大体框架和具体的实现方法。
1 系统方案
设Ud为直流输入电压,Uo为输出电压。输出电压Uo的展开傅里叶级数为

考虑到系统效率,不需要进行boost升压,可以直接逆变。故本系统结构图如图1所示。SPWM信号控制硬件全桥电路,然后经过LC滤波电路可以得到正弦波。以MSP430单片机为核心的数字控制系统需要采样电流量、控制硬件电路系统以及形成良好的人际交互界面。

图1:系统结构框图
1.1 硬件电路设计
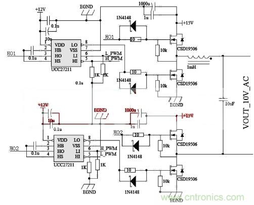
全桥逆变和LC滤波电路如图2所示。L_PWM和H_PWM由43O单片机产生经过6N137隔离进入MOS驱动芯片UCC27211驱动全桥,后级LC滤波器的截止频率为
可以滤除载波频率。考虑到MOS管需要相对较小的导通电阻RDS(on)和较小上升时间和下降时间的,本系统选用CSD19506。本系统需要驱动全桥,为了提高MOSFET的导通速度,降低开关损耗,因而选用TI提供的高速半桥驱动芯片UCC27211。图2是全桥部分电路图。

图2:全桥逆变电路和LC滤波电路
1.2 系统软件设计
软件结构框图如图1,主程序框图如图3。程序执行的流程如下所述:单片机上电之后,系统进行按键、片上ADC12和LCD显示屏初始化,程序查询按键,若有相应按键按下,修改正弦波频率,然后AD采样电流判断是否过流;否则返回继续查询按键。如果输出过流,程序将关闭SPWM输出,延时自恢复;否则返回按键查询。

图3:主程序流程图示意
[page]
2 技术细节
2.1 SPWM波的产生
本系统采用自然采样法产生SPWM波,以正弦波为调制波,等腰三角波为载波进行比较,在两个波形的自然交点时刻控制开关器件的通断。其优点是所得SPWM波形最接近正弦波,但由于三角波与正弦波交点有任意性,脉冲中心在一个周期内不等距,从而脉宽表达式是一个超越方程,若采用实时计算的方式得到SPWM波的话,计算繁琐,非MSP430所能胜任。本系统充分利用MSP430的定时器,搭建了一个简易的DDS;让其计数器作增减计数构成三角波载波,再把正弦波表作为数组预先存入MSP430中,我们只需在定时器中断中更新比较寄存器数值即可得到调制正弦波。由于MSP430定时器自带比较功能,两者比较即可得到SPWM波输出,继而撇开了繁琐的超越方程求解。最终我们利用此方法得到的SPWM波滤波后的正弦波失真度达到了0.5%。图4是自然采样原理图。
图4:SPWM波产生原理图
2.2 效率提高
影响逆变电源效率的因素有很多,比如系统的静态损耗,辅助电源效率过低,构成全桥的MOSFET带来的导通损耗和开关损耗过大以及桥路顺时同时导通带来的损耗等,针对这些问题,我们逐一提出了改善的方法。对于系统的静态损耗,我们采用TI的低静态电流芯片和超低功耗单片机作为系统主控芯片,另外为了降低辅助电源带来的损耗,我们采用开关电源作为系统的辅助电源,最大限度的提高辅助电源的效率;TI最新开发的超低导通电阻MOSFET有助于减少逆变电源开关管的导通损耗,另外其超快的导通速度配合SPWM波死区时间的设定使得全桥的开关损耗大幅度降低。以上措施使得系统在满载时效率高达90%以上。
2.3 输出电压PID调节
由于输入电压随着负载变大会有降低,切系统滤波电感具有电阻成分,这些因素导致在系统开环下负载调整率较大,因此本系统采用闭环反馈调整输出电压稳定在10V。我们选用经典PID反馈调整,对输出电压进行采样,与参考电压比较得到误差电压后进行位移式PID调节,PID运算输出作为SPWM的调制度K,与正弦波表相乘后形成新的波表进行生成SPWM波运算。用此方法后负载调整率降到了1%以下,图5是反馈过程框图。

图5:PID反馈环框图
2.4 输入电流前馈实现过流?;?/div>
由于输出电流是交流,且与系统不共地,为了不增加系统的复杂度,本系统并没有直接测量输出电流来实现过流?;?,而是测量系统的输入电流,由于实际中输入输出满足Pout=Pin*η,而效率虽然随着负载的变化而变化,但是总体来说相对稳定,故可以采用二次拟合得到效率随输入电流变化的关系式,这样可得到输出电流表达式:Iout=Uin*Iin*η/Uout,继而实现输出电流的监测。
3 逆变电源的应用前景
逆变电源具备以下优点:
(1)变频,逆变电源能将市电转换为用户所需频率的交流电。
(2)变相,逆变电源能将单相交流电转转为多相交流电,也能将多相交流电转换为单向交流电。
(3)逆变电源能将直流电转换为交流电,能将低质量的市电转换为高质量的稳压稳频的交流电。
正是由于以上的这些优点,使得逆变电源在生活中得到了广泛的应用。就目前看来逆变电源已经应用于航空,航海,电力,铁路交通,邮电通信等诸多领域。而且随着大量研究的投入越来越多的领域都出现了逆变电源的身影。尤其是让全世界都十分关注的能源问题和环保问题,逆变电源也正在被用于其中。现今最典型的当属太阳能光伏逆变器了,它的应用使太阳能发电直接并入电网成为了可能。总而言之,越来越多的新兴领域都在逆变器的伴随之下诞生,纵观它的发展趋势,我们不难知道其应用前景一片大好。





