桃花源qm花论坛(品茶),凤楼阁论坛官网入口网址,一品楼品凤楼论坛最新动态,风楼阁全国信息2024登录入口

你的位置:首页 > 电源管理 > 正文

一网打尽!快速充电技术大集锦

发布时间:2014-10-28 责任编辑:echolady

【导读】现如今,蓄电池被普遍应用,快速充电技术也逐渐被重视。传统充电技术时间过长,而且损耗电池寿命,已经逐渐淘汰。本文中对快速充电技术进行了总结和归纳,深入探讨了快速充电技术的可行性。

一、快速充电原理

蓄电池的种类很多,目前应用最广的主要是密封铅酸蓄电池和镍镉电池。这2种蓄电池的充放电原理都是一样的,即都是通过化学反应产生正负离子形成电流。

电池在充放电的过程中会产生氧气,在密封式蓄电池中,这些正极产生的氧气可以通过隔膜和气室被负极吸收,整个化学反应形成一个循环的反应形式。就密封式电池而言,它的内压有限,因此负极的吸收速度也是有限的。如果充电电压过高,正极产生氧气的速度过快,负极的吸收速度跟不上氧气的产生速度,长时间之后必然造成电池失水,从而诱发电池的微短路硫酸化等失效现象,损害电池的质量,缩短其使用寿命。同时高速率充电时电池的极化会造成电池内部压力上升,电池温度上升,电池内阻升高,这不仅会缩短电池寿命,而且有可能对电池造成永久性伤害。蓄电池的这一化学反应原理是研究制定快速充电方法的根本。一方面,快速充电要尽量加快电池的化学反应,使充电速度得到最大的提高;另一方面,又要保证负极的吸收能力,使其能够跟得上正极氧气产生的速度,同时要尽可能消除电池的极化现象。

提高蓄电池的化学反应速度有2种方式,一是改进蓄电池的结构以降低其内阻和提高反应离子的扩散速度,二是改进蓄电池的充电方法。本文中对充电方法作了重点论述。

二、快速充电方法

不同种类的蓄电池,具有不同的充放电曲线,其相应的充电方法也有很大的不同。在研究具体的充电方法时,要考虑到这一点以选择合适的方法。 以铅酸蓄电池为例,传统的充电方法(恒流充电或恒压充电)由于本身的弊端,已基本被淘汰。现行的充电方法大都是使其充电曲线尽可能地模拟蓄电池的最佳充电曲线。 60年代中期,美国科学家马斯(J.A.MAS)提出了以最低出气率为前提的蓄电池可接受的充电电流曲线,即任一时刻蓄电池能接受的充电电流为 I=I0expAt 式中:I0为初始充电电流;A为充电接受比;t为充电时间。

图1示出蓄电池的最佳充电曲线??梢钥闯?,充电电流随时间按指数规率下降。

一网打?。】焖俪涞缂际醮蠹? /></div>
<div style=图1:蓄电池的最佳充电曲线
 
1)如果充电电流工作在N区,则电流过大,会导至温升,在充电电压过高时会有大量气体析出,会对电池造成损坏。
2)如果充电电流工作在M区,是可接受的,但充电时间不能达到最短。
3)如果充电电流沿着曲线轨道变化,是理想的充电状态。实验证明,如果充电电流按这条曲线变化,可以大大缩短充电时间,并且对电池的容量和寿命也没有影响。这条充电曲线即为最佳充电曲线。

分级定流充电法和脉动式充电法的基本思想就是使其充电曲线尽可能地模拟最佳充电曲线。图2是分级定流充电法中三级充电法的充电曲线图,图3是脉动式充电曲线图。在目前蓄电池充电机的市场中,分级定流充电法得到了广泛地应用。脉动式充电法大多数是采用脉冲充电法和分级定流充电法相结合的方法,将充电过程曲线分为几段,每段分别采取恒流脉冲充电或恒压脉冲充电。

一网打??!快速充电技术大集锦
图2:蓄电池的三级充电法
一网打??!快速充电技术大集锦
图3:蓄电池的脉冲充电法
 
[page]
厦门大学的陈体衔教授近2年提出间歇充电法,其特点是将恒流充电段改为限压变电流间歇充电段。充电前期的恒电流充电段采用最佳充电电流,获得绝大部分充电量;充电后期采用定电压充电,获得过充电量,将电池恢复至完全放电态。图4是采用变电流间歇充电法的电压为6V、容量为4Ah的完全放电态电池(荷电态为0)的充电曲线。这一曲线形象地表明了变电流间歇充电的过程。

一网打??!快速充电技术大集锦
图4:变电流间歇充电曲线
 
笔者以变流间歇充电为基础,提出了变压间歇充电法。这种充电方法是把变流间歇充电中的变流改为变压,通过间歇停充,使蓄电池化学反应产生的氧气有时间被重新化合吸收掉,从而减轻了蓄电池的内压,使蓄电池可以吸收更多的电量。变压充电更符合蓄电池的最佳充电曲线。这是因为:
1)蓄电池的容量在使用大电压恒充后已经得到很大的补充,再次充电时使用同样的电压恒充,电池本身的接受能力已有了一定的限制,充电效率会下降。采用降低一级的电压进行恒充,就等于是在电池已经降低接受能力的情况下用最适宜此时接受 能力的电流充电,因此充电效果显然是最好的。

一网打??!快速充电技术大集锦
图5:蓄电池的等效模型

2)在研究充电动态特性时,可以将电池近似地看为一个大 电容和一个小电阻,用图5的简单模型表示。其中:U是充电电压,IC是充电电流。 ICRs+UC=U 其中 IC=CdUC/dtUC=a+bexp(-t/T) 则 IC=dexp(-t/T) 其中:a,b,d为常数;T为时间常数,T=RsC。在恒压充电期间,电池等效内阻Rs近似不变,则充电电流按指数规律衰减。 图6是变压间歇充电的曲线图,和图1相比较可以看到,这种充电曲线能够充分模拟最佳充电曲线。试验结果验证,这种充电方法的确能够有效地提高充电的速度和效率。

一网打?。】焖俪涞缂际醮蠹? /></div>
<div style=图6:变电压间歇充电曲线
 
3)从工程角度来看,恒压控制更容易实现。

三、快速充电电源

目前市场上有许多充电集成电路,但大多是针对小功率充电器的,大功率充电器则需要自行设计相应的充电电源。传统的充电电源主要是相控电源,因为包含工频变压器造成电源本身体积较大,且功率损耗也很大。开关电源由于开关频率比较高,所以有体积小、重量轻、损耗小和效率高等特点。开关电源的发展非常迅速,其应用也日益广泛,有逐步取代传统电源的趋势。

笔者根据系统的要求,设计了30kHz的高频开关电源作为充电电源。高频电源中的损耗主要有导通损耗、开关损耗、截止损耗和磁芯损耗,其中导通损耗和开关损耗占据很大的比重。为了有效地降低开关损耗和导通损耗,选择IGBT作为功率开关管。IGBT是一种新型复合器件,它集双极型功率晶体管和MOSFET的优点于一体,具有电压型控制、输入阻抗高、驱动功率小、控制电路简单和元件容量大等优点。功率开关管的驱动电路选用专用的IGBT驱动集成电路EXB841,用于驱动大容量、高速IGBT(容量在300A,1200V以下,频率在40kHz以下)的专用驱动芯片;它由放大部分、过流?;げ糠趾?V电源基准部分组成。过流?;げ糠质迪止骷觳夂脱邮北;すδ?,能够提供+15V和-5V2种电压,以满足IGBT开通时所需的正偏压和关断时所需的负偏压。

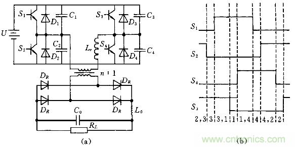
在系统中,设计了移相式零电压全桥逆变电路,其电路原理图和波形图见图7。这种变换器是在恒频变换器和移相控制谐振变换器两者的基础上发展起来的,它利用变压器的漏感和开关管的寄生电容来实现零电压;采用移相控制,每相桥臂的导通相差一个移相角。系统中采用的移相控制芯片是美国Unitrode公司生产的UC3875。

一网打??!快速充电技术大集锦
图7:移相式零电压开关的全桥变换器结构(a)和控制波形(b)
 
同普通的全桥电路相比,电路中增加了一个谐振电感Lr,在4个功率开关管上并联了一个电容Ci(i=1,2,3,4),Ci含开关器件的寄生电容。开关管的控制波形如图7(b)所示。其中的3,1,4,2段即死区时间,除死区时间外,电路中总是有2个开关管同时导通,共有4种组合:2和3,3和1,1和4,4和2;周而复始地工作。其中的2和3,1和4组合为全桥逆变电路,输出能量;3和1,4和2不输出能量。调节这2类组合的时间比例,即调节移相角,就可以实现输出信号的调节。电路的谐振发生在4种组合相互转换的死区时间内,每一开关周期有4次。

逆变电路参数的不同,使相位超前的桥臂开关S1和S2容易实现零电压导通,而相位滞后的桥臂开关S3和S4不太容易实现零电压导通。这就要求相应电感的选取要符合一定的条件,以满足系统谐振的要求。
[page]
进行了电源移相控制测试试验(图8)。试验结果表明,在负载一定的情况下,移相控制角由0~180°的调整,可以线性地调整电源输出电压。当移相控制角为0°时,电源输出电压为0,充电电源停止输出电流;当移相控制角为180°时,电源输出电压和输入电压基本一致,此时充电电源的输出电压最大。

经过功率变换器后的输出波形见图9(a),通过高频变压器后的波形与其相同。经整流输出后的波形如图9(b),是移相控制角为90°,变换器前置直流电压50V时的情况,这种情况下的输出电压波形接近占空比为50%的方波。

一网打尽!快速充电技术大集锦
图8:移相控制角与输出功率和输出电压的关系 (a)功率变换器输出波形(变压器次级输出波形)(b)电源高频整流输出波形
一网打?。】焖俪涞缂际醮蠹? /></div>
<div style=图9:测试试验中的输出波形
 
四、模糊控制器结构设计

系统采用了变压间歇充电法,可以适时转变充电及其间歇过程。系统通过实时控制其充电间歇过程采集蓄电池端电压。当蓄电池达到预定的停充电压时,停止充电并间歇预定的时间,然后系统调整进入下一阶段的充电过程。恒压充电过程,采用笔者提出的模糊控制方法,即在每一个恒压阶段,根据输入变量的变化进行模糊推理,决定输出变量的变化量,使充电电压保持恒定。

模糊控制器的基本结构见图10。选择蓄电池端电压的误差e和误差变化率e作为模糊控制器的输入量,选择移相控制角作为输出变量。系统通过实时采集蓄电池的端电压,计算出误差和误差变化率,经折算后判断其所处的状态,进行模糊推理,再经清晰化,获得控制量U,通过调整移相控制角的大小,即可调整充电电压的大小。整个设计过程包括3个部分:精确模糊化,模糊推理和控制量的清晰化。

一网打??!快速充电技术大集锦
图10:蓄电池模糊控制器的基本结构图
 
关于精确模糊化,在此作一说明。本系统选定蓄电池端电压Ud的误差e(e=Ur,Ur为给定电压)及误差变化率e 作为模糊控制器的输入变量,移相控制角作为模糊控制器的输出语言变量。由于误差和误差变化率实际变化范围很大,需将它们转换到固定区域内。端电压在充电过程中总处于上升阶段,因此e的变化范围只选正半部分;考虑到误差变化率在接近出气点时数值很大,模糊语言变量可以考虑再增加PVL(正向非常大的变化)。因此e的语言变量选 PS,PM,PL,PVL;e? 的语言变量选NS,ZE,PS,PM,PL,PVL。再根据实际情况,确定输入语言变量的量化因子,输出语言变量的比例因子和隶属函数。

总结

快速充电的实现与充电效果密不可分,充电系统的设计需要以充电对象和适合的充电方法为依据,再根据系统要求的集成电路,确定充电电路和合适的充电电源,这样才能有效地实现快速充电的目的。

相关阅读:

分享:单机快速充电器和充电电池的电路设计
揭秘:快速充电真的是“电池杀手”吗?
基于LTC4156可快速充电的大功率充电器设计

要采购开关么,点这里了解一下价格!
特别推荐
技术文章更多>>
技术白皮书下载更多>>
热门搜索

关闭

?

关闭