【导读】全桥式变压器开关电源也属于双激式变压器开关电源。它同时具有推挽式变压器开关电源电压利用率高,又具有半桥式变压器开关电源耐压高的特点。因此,全桥式变压器开关电源经常用于工作电压高,输出大功率大的场合。本章将介绍全桥式变压器开关电源工作原理,相关计算将在下一章进行讲解。
1-8-3-1.全桥式变压器开关电源的工作原理
图 1-47 是全桥式变压器开关电源工作原理图。图中,K1、K2、K3、K4 是4 个控制开关,它们被分成两组;K1 和K4 为一组,K2 和K3 为另一组??氐缭垂ぷ鞯氖焙颍苁且蛔榻油?,另一组关断,两组控制开关轮流交替工作;T 为开关变压器,N1 为变压器的初级线圈,N2 为变压器的次级线圈;Ui 为直流输入电压,R 为负载电阻;uo 为输出电压,io 为流过负载的电流。

从图1-47 原理图中可以看出,控制开关K1 和K4 与控制开关K2 和K3 正好组成一个电桥的两臂,变压器作为负载被跨接于电桥两臂的中间。因此,我们把图1-47 的电路称为全桥式开关电源电路。
图 1-47 中,当控制开关K1 和K4 接通时候,电源电压Ui 被加到变压器初级线圈N1 绕组的a、b 两端,同时,由于电磁感应的作用在变压器次级线圈N2 绕组的两端也会输出一个与N1 绕组输入电压Ui 成正比的电压,并加到负载R 的两端,使开关电源输出一个正半周电压。
当控制开关控制开关K1 和K4 由接通转为关断的时候,控制开关K2 和K3 则由关断转为接通,电源电压Ui 被加到变压器初级线圈N1 绕组的b、a 两端;同理,由于电磁感应的作用在变压器次级线圈N2 绕组的两端也会输出一个与N1 绕组输入电压成正比的电压,并加到负载R 的两端,使开关电源输出一个负半周电压。
全桥式变压器开关电源工作原理与推挽式变压器开关电源以及半桥式变压器开关电源的工作原理是很相似的,因此,分析方法也基本相同。下面我们进一步详细分析全桥式变压器开关电源的工作原理。
前七期阅读:
专题:陶显芳老师30年经验大分享,开关电源设计那些事儿
http://www.5r3h.cn/special/181
【连载7】陶显芳老师谈开关电源原理与设计
http://www.5r3h.cn/power-art/80021940
[page]
当控制开关K1 和K4 接通时候,电源电压Ui 被加到变压器初级线圈N1 绕组的a、b 两端,在变压器初级线圈N1 绕组中将有电流经过,通过电磁感应会在变压器的铁心中产生磁场,并产生磁力线;同时,在初级线圈N1 绕组的两端要产生自感电动势e1,在次级线圈N2 绕组的两端也会产生感应电动势e2;感应电动势e2 作用于负载R 的两端,从而产生负载电流。
因此,在初、次级电流的共同作用下,在变压器的铁心中会产生一个由流过变压器初、次级线圈电流产生的合成磁场,这个磁场的大小可用磁力线通量(简称磁通量),即磁力线的数目φ 来表示。
如果用φ1 来表示变压器初级线圈N1 绕组电流产生的磁通量,用φ 2 来表示变压器次级线圈电流产生的磁通量,由于变压器初、次级线圈电流产生的磁场方向总是相反,则在控制开关K1 和K4接通期间,由流过变压器初、次级线圈电流在变压器铁心中产生的合成磁场的总磁通量φ 为:
其中变压器初级线圈电流产生的磁通φ1 还可以分成两个部分,一部分用来抵消变压器次级线圈电流产生的磁通φ2,记为φ10,另一部分是由励磁电流产生的磁通,记为Δφ1。显然φ10 =-φ2,Δφ1 = φ。即:变压器铁心中产生的磁通量φ,只与流过变压器初级线圈中的励磁电流有关,与流过变压器次级线圈中的电流无关;流过变压器次级线圈中的电流产生的磁通,完全被流过变压器初级线圈中的另一部分电流产生的磁通抵消。
根据电磁感应定律可以对变压器初级线圈N1 绕组回路列出方程:

上式中,e1 为变压器初级线圈产生的电动势,Uab为电源加于变压器初级线圈N1 绕组两端的电压,Uab= Ui ,dφ/dt变压器铁心中磁通的变化率。
同样,可以对变压器次级线圈N2 绕组回路列出方程:

上式中,(Up)为开关变压器次级线圈N2 绕组正激输出电压的幅值,用括弧匡住来表示。由于流过开关变压器初级线圈N1 绕组的励磁电流或开关变压器铁心中的磁通是线性变化的,所以我们可认为开关变压器次级线圈N2 绕组正激输出电压是一个方波。方波的幅值Up 与半波平均值Upa以及有效值Uo 三者完全相等。
根据(1-180)式和(1-181)式可以求得:

(1-182)式就是全桥式变压器开关电源正激输出时的电压关系式。上式中,(Up)为开关变压器次级线圈N2 绕组正激输出电压的幅值;Ui 为开关变压器初级线圈N1 绕组的输入电压;n 为变压器次、初级线圈的变压比,即:开关变压器次级线圈输出电压与初级线圈输入电压之比,n 也可以看成是开关变压器次级线圈N2 绕组与初级线圈N1 绕组的匝数比,即:n = N2/N1。
[page]
由此可知,在控制开关K1 和K4 接通期间,全桥式变压器开关变压器次级输出的正激电压幅值只与输入电压和变压器的次/初级变压比有关系。
同理我们也可以求得,当控制开关K2 和K3 接通时,开关变压器N2 线圈绕组输出的正激电压幅值(Up-)为:

上式中的负号表示e2 的符号与(1-182)中的符号相反,(Up-)表示与(Up)的极性相反,因为Uab=-Uba。
这里还需指出,(1-182)式和(1-183)式列出的计算结果,并没有考虑控制开关K1 和K4 或K2 和K3 关断瞬间,励磁电流存储的能量产生反电动势的影响。当控制开关K1 和K4 或K2 和K3关断瞬间,流过开关变压器初级线圈的励磁电流由最大值突然下降为零,使开关变压器铁心中的磁通量也要跟着产生变化;即:开关变压器的初、次级线圈中都会产生感应电动势,这种感应电动势是励磁电流存储于关变压器铁心中的磁能量产生的;这种感应电动势对于变压器次级线圈电压输出绕组来说,属于反激式输出。即:全桥式变压器开关电源同时存在正、反激电压输出。
反激式电压产生的原因是因为K1 和K4 或K2 和K3 接通瞬间变压器初级或次级线圈中的电流初始值不等于零,或磁通的初始值不等于零。
实际上,全桥式变压器开关电源的反激式输出电压部分是不能忽略的。全桥式变压器开关变压器次级线圈的输出电压应该同时包括两部分,正激输出电压和反激输出电压。
因此,图1-47 中,当控制开关K1 和K4 关断,K2 和K3 接通瞬间,开关变压器次级线圈输出电压应该等于正激电压与反激电压之和。正激电压的计算可由(1-182)式和(1-183)式给出,反激电压的计算可由(1-67)或(1-68)式给出。关于纯电阻负载反激式输出电压的计算,请参考前面《1-5-1.单激式变压器开关电源的工作原理》章节中的相关内容分析,这里不再赘述。
根据(1-67)式:

可求得,开关变压器次级线圈N2 绕组产生的反激式输出电压为:

上式中,[uo] 表示开关变压器次级线圈N2 绕组输出的反激式电压,[i2] 表示开关变压器次级线圈N2 绕组输出反激式电压对负载R 产生的电流。
另外根据(1-183)式求得的结果,开关变压器次级线圈N2 绕组产生的正激式输出电压为:

上面两式中,[uo] 表示开关变压器次级线圈N2 绕组产生的反激式输出电压,(uo)表示开关变压器次级线圈N2 绕组产生的正激式输出电压。
[page]
因此,开关变压器次级线圈输出电压uo 等于正激电压(uo)与反激电压[uo]之和,即:

(1-186)式就是全桥式变压器开关电源在负载为纯电阻时,输出电压uo 的表达式。由(1-186)式可以看出,当t = 0 时,即:控制开关K1 关断瞬间,输出电压有最大值:

从(1-187)式可以看出,在控制开关K1 和K4 关断瞬间,当变压器次级线圈回路负载开路,或负载很轻的时候,变压器次级线圈回路会产生非常高的反电动势。
但在实际应用中,并不完全是这样。因为,当控制开关K1 和K4 关断瞬间,控制开关K2 和K3 也会同时接通,此时开关变压器初级线圈N1 绕组同时也被接到另一个电路中,即:原来电源Ui 是通过K1 和K4 把电压加到开关变压器初级线圈N1 绕组a、b 的两端,对开关变压器进行供电;
当K2 和K3 接通后,电源Ui 则通过K2 和K3 把电压加到开关变压器初级线圈N1 绕组b、a 的两端,开关变压器初级线圈N1 绕组产生的反电动势首先要通过K2 和K3 对电源Ui 进行供电,然后电源Ui 才通过初级线圈N1 绕组b、a 的两端对关变压器进行供电。
这样,就相当于通过控制开关K2 和K3 与K1 和K4 不停地对开关变压器初级线圈N1 绕组进行换相的同时,电源在开始对变压器供电的时候,也对反电动势进行限幅。因此,变压器次级线圈N2 绕组输出电压uo 中的反激式输出电压 [uo],并不会像(1-186)和(1-187)算式所表达的结果那么高。
另外,全桥式变压器开关电源与其它双激式开关电源一样,在设计的时候一般都把开关变压器的伏秒容量取得很大,励磁电流取得很小,反电动势(反激输出电压)的半波平均值还是远远小于正激电压的半波平均值。因此,反电动势电压的幅度可能很高,但能量不会很大,即:反电动势脉冲的宽度很窄。
所以,(1-186)和(1-187)式所表示的结果,可看成是全桥式变压器开关电源在输出电压中含有毛刺(输出噪音)的表达式。
根据上面分析,在一般情况下,全桥式变压器开关电源的输出电压uo,主要还是由(1-181)、(1-182)、(1-183)等式来决定。即:全桥式变压器开关电源的输出电压uo,主要由开关变压器次级线圈N2 绕组输出的正激电压来决定。
在实际应用中,为防止变压器初级线圈产生的反电动势把开关器件击穿,降低开关器件半导通状态期间的损耗和全桥式变压器开关电源输出电压波形的反冲幅度,一般可在图1-47 中4 个控制开关,每个控制开关的两端都并联一个阻尼二极管,请参考图1-29 和图1-38 及相关说明。全桥式变压器开关电源的交流输出波形与推挽式变压器开关电源以及半桥式变压器开关电源的交流输出波形也基本相同,请参考图1-28 和图1-37及相关说明。
[page]
1-8-3-2.整流输出全桥式变压器开关电源
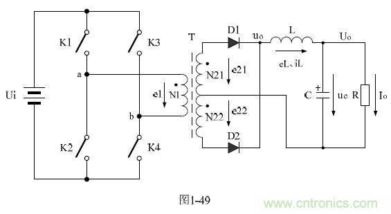
图 1-48 是全波整流输出全桥式变压器开关电源工作原理图;图1-49 是输出电压可调的全桥式变压器开关电源工作原理图。


相关阅读:
工程师实战经验:PSR开关电源设计的“独特”方法
http://www.5r3h.cn/power-art/80022036
大牛独创(五):反激式开关电源设计方法及参数计算
http://www.5r3h.cn/power-art/80021975
由简到难,大师教你一步一步设计开关电源
http://www.5r3h.cn/power-art/80021972
PCB布局该这么做!150W LED驱动电源拆解学习
http://www.5r3h.cn/power-art/80021947



