【导读】TI 推出 TPS40422 双相单输出或双独立输出PMBus同步降压控制器,在双输出电压情况下,采电压模式控制加上DCR电路电流侦测模式应用没有电路控制不稳定的情形。
TPS40422 是一款双相单输出或双输出具有PMBus接口的同步降压控制器。4.5V~20V输入操作电压,200K~1MHz的操作频率,最低输出电压可至600mV。在双输出电压情况下,采电压模式控制其特色在于较佳的噪声免疫能力、加上DCR电路电流侦测模式应用没有电路控制不稳定的情形。在双相单输出电压情况下,内建电流分享回路确保每一通道都能够均流
产品特色
输入电压范围: 4.5VDC ~ 20VDC
输出电压范围: 0.6V ~ 5.6V
额定输出电流: Up to 20A@每通道
输出模式: 180°相移独立双出电压 或 交错相移单一输出电压
额定操作频率: 可编程200KHz ~ 1MHz
电压操作模式:参考电压: 600mV(±0.5%)@0℃ ~ 85℃
支持预偏置输出电压 。
PMBus具有:
上下调幅每阶2mV 。
输出电压/ 输出电流监控 。
可程序编写输出过电压/ 输出低电压/ 输出过电流/ IC 过温度?;さ?。
可程序柔启动时间 与 开/关机延迟时间 。
支持100KHz ~ 400KHz 汇流通道需求 。
包装: QFN-40Pin, 6m * 6m

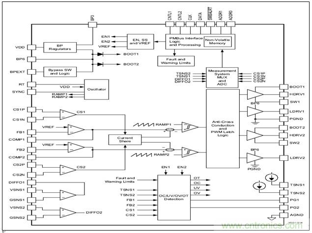
图1:产品方块图

图2:TPS40422 展示板
电气规格:
输入电压: 8V ~ 14V
输出电压信道-1: 1.2V
输出电流通道-1: 20A
输出电压信道-2: 3.3V
输出电流通道-2: 15A
操作电流: 460KHz
输出通道-1效率: 90%(typ)@Vin=8V, Io1=10A
输出通道-2效率: 93%(typ)@Vin=8V, Io1=8.5A

图3:电气规格
应用领域: Server System , Industrial Power.




