中心议题:
- MOSFET逆变??榈牡缙杓?/strong>
- MOSFET逆变??橛τ玫奈侍饪悸?/strong>
本文介绍新型的MOSFET逆变???,用于驱动风扇和水泵中的小型直流无刷电机。这种功率??榧闪?个MOSFET和相应的高压栅极驱动电路 (HVIC)。通过使用专门设计的MOSFET和HVIC,该??槟芴峁┳钚〉墓暮妥罴训牡绱偶嫒?(EMC) 特性。本文将探讨这种逆变??樵诘缁τ弥兴婕暗姆庾吧杓啤OSFET和HVIC,并着重讨论其中的功率损耗、电磁干扰和噪声问题。
MOSFET逆变??榈牡缙杓?
对于小型电机驱动系统,MOSFET在功耗、成本和性能方面较其它功率开关管更具优势。MOSFET的正向特征电阻为欧姆级 (见图1(a)) ;其导通损耗与漏极电流的平方成正比,当漏极电流低于1A时,其导通损耗低于额定功率相同的IGBT的导通损耗,这是因为IGBT在通态时存在阈值电压,该电压随逆变输出功率的下降而显著增加。大多数空调使用的风扇电机功率在50W以下;在这个功率级别上,基于MOSFET的逆变器的效率高于IGBT。
至于其反向特性 (参见图1(a)),MOSFET中固有的体二极管可充当IGBT逆变器中的快速恢复二极管 (FRD) ;即可以通过电子扩散过程实现快速而平滑的恢复特性,同时节省了引线框内芯片的占用空间。由于MOSFET比一般FRD尺寸大,其反向压降小,而且在栅极为高时,该压降甚至会更小,这是因为MOSFET沟道本身就允许双向电流。

[page]
MOSFET的另一个优势是其耐用强度。它比IGBT的耐用强度高;与额定功率相同的其它器件相比,具有更宽的安全运行区 (SOA)。本文所介绍逆变模块中的MOSFET在典型的运行条件 (Vcc=15V, Vdc="300V", Tc="25"℃) 下,都能承受80ms的短路电流 (见图2)。而且,在出现电涌时,基于MOSFET逆变器的抵御能力优于额定电压相同的IGBT方案,这已被开关器件的雪崩额定电压值所证实。因此,在220V下可采用额定电压为500V的MOSFET,而在相同条件下采用IGBT,其额定电压则需要达到600V。但是,传统的MOSFET开关速度极高。MOSFET通常用于快速开关转换器,如AC/DC或DC/DC电源,这些应用场合要求栅极电荷Qg尽可能少,以降低开关损耗。不过,在电机驱动应用中,这种快速特性没有用处,尤其是高的dV/dt值还会引起电磁干扰。稳定性与最佳性能不易兼顾.

通常,增加栅极阻抗会降低MOSFET的开关速度。在如图3(a)所示的半桥电路中,如果高压侧MOSFET的栅极阻抗 (在HVIC中实现) 大,将会存在一定的短路电流;这个电流是上面那个MOSFET导通时的密勒电容Cgd感应产生的,不严重时一般不会察觉。但是,正如图3(b)所示,这种异常行为会增加逆变开关的损耗 (导通损耗),并最终减弱系统的额定功率和稳定性。在这样的瞬态过程中,要降低开关速度,同时又不失稳定性,上方那个MOSFET的Vgs应小于阈值电压Vth?;痪浠八担詈猛ü鹘贖VIC的关断阻抗来保证系统的稳定性,防止因电压变化而感应短路电流。但这会增加MOSFET的关断dV/dt值。

除了稳定性外,在确定栅极电阻时,还应考虑空载时间和延迟时间之类的运行要求。电压源逆变器的空载时间会降低输出电压的质量,进而降低电机的转速性能。而且,这个问题会随开关频率的增大而进一步恶化。消费电子应用中的开关频率一般在16kHz以上,这是为了防止可听见音频带 (人耳可听到的频带) 噪声;系统开发人员一般都希望将系统的空载时间设计为1ms。1ms的理论极限 (控制器可设置的最小值) 可由公式 (1) 计算。
Tdead=max(Toff,LS-Td(on),HS,Toff,HS-Td(on),LS)………… (1)
这里,Td(on)为导通时的传送延迟 (从输入信号脉冲的50%起到电流达到稳定所需的时间) ;Toff为关断时的传送延迟 (从输出信号脉冲的50%起到整流换向完毕所需的时间)。下标HS和LS分别表示高压侧和低压侧MOSFET。要满足空载时间要求,可延长Td(on),即增加导通栅极电阻。但这种方法不适用于通过检测直流通道电流来测量三相电流的系统,因为这种系统的一个关键要求是导通延迟要小。当输出脉冲宽度小于功率器件的导通延迟时,不能用电流检测技术来测量逆变器的输出电流。增大导通延迟会增加电流检测的不确定性,尤其是在调制指数小的低速运行情况下。因此,增加导通延迟虽能缩短空载时间,但却会减弱电机的低速性能。
上述问题不能通过调节某一时刻的栅极电阻来解决。为了获得最佳的性能 (最佳空载时间、最佳延迟时间),同时又保持稳定性 (防止dV/dt感应出短路电流),必须针对电机定 制MOSFET。除调节栅极电阻外,还需要优选MOSFET的Qg和Vth。在本文介绍的逆变模块中,MOSFET的Qg比值 (即Qgd/Qgs) 被设置为2.0左右,以防止在最坏的情况下出现短路电流。根据这个电荷值确定出适合的栅极电阻范围。功率MOSFET的延迟时间是Vth的对数函数。因此,Vth的变化范围对确定最坏情况的延迟时间和空载时间有很大作用。在满足这些要求的同时,输出电压变化 (dV/dt) 应当小,以降低电磁干扰。图1(a)和(b)所示的开关特性是满足如下条件时测试的结果:dV/dt=2kV/ms,空载时间=1.0ms,导通延迟时间=2.5ms (延迟时间是在最坏的运行情况下,并考虑栅极电阻和其它器件参数的离差后,从输入信号脉冲中心到建立电流稳定所需的时间)。我们已通过适当选择栅极导通电阻和阈值电压达到了这些条件。
除了这些可预先确定的特性外,用户还可控制模块的开关速度。象其它SPM系列一样,本文介绍的这种??樵诟哐共郙OSFET上提供开放源极输入端,允许用户加入自己的阻抗单元来控制高压侧MOSFET的开关速度,从而在开关损耗与电磁干扰之间作出最佳平衡。
[page]
MOSFET逆变模块的应用问题考虑
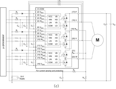
图4给出了本模块的一个应用示例。在图4(a)和(b) 的模拟中,假设结区温度Tj保持为125℃;该温度为本??榈淖畲蠊ぷ鹘崆露?。通过这项模拟,肯定当??橥饪俏露瓤刂圃?00℃并采用空间向量调制 (SVPWM) 时,输出功率可大于Pout=100W,并允许Pd=16W的功率损耗。根据这些信息,我们利用一台130W BLDC电机(正弦反电动势) 和图4(c)所示的电路,对??榈亩疃üβ式醒橹な笛?。实验中采用的散热片有效表面积约为100cm2。采用该散热片后,??樵?0kHz SVPWM下可向电机输出150W的功率;热功耗为12W。而此时??榈耐饪俏露任?6℃,MOSFET结区温度为104℃,环境温度27℃。在同样条件下采用图4(d)所示的非连续PWM时,由于有效开关频率降低,??榈墓目纱锏?W,而逆变器效率可达到95%。此时,??榈耐饪俏露任?2℃,结区温度为82℃(已考虑电机铁芯的损耗),逆变器的损耗为整个系统功耗的27%



MOSFET逆变器的另一个优点是图4(e)所示的自举电压(阴极输出电压)。从图4(e)可以看出,电机的工作频率为10Hz。图中画出了自举电压和逆变器输出电流。当电流为正时,自举电压VBS维持在VCC=15V附近,但当电流为负时,VBS就下降到接近10V。这是由于不同电流方向采用不同的充电机制所造成 (参见图5)。当输出电流为正时,电流要么流经高压侧MOSFET,要么流经低压侧体二极管。在这种情况下,当低压侧体二极管导通时,将对自举电容CBS充电 (参见图5(a))。此时,对CBS的充电电压可由公式(2)表示。
Vchg = VCC + Vf - (RBS + REH) Ichg - VDbs …………(2)
其中,VDbs是跨过阴极输出二极管的电压。如果充电电流小,Vchg仅仅提高Vf -VDbs;该差值最多为1V,它反映如图1(b)所示的低压侧体二极管上的压降。但当输出电流为负时,充电电压将由公式(3)表示。
Vchg = VCC + Rds(on)Io - (RBS + REH) Ichg - VDbs …………(3)
这里,Io为输出电流。如果电流是负的,充电电压Vchg将随输出电流大幅下降,这是低压侧MOSFET作为主用开关时MOSFET的正向压降所致。这个自举电压是高压侧MOSFET的栅极驱动电源,且仅在电流为正时有意义。当电流为正时,由于MOSFET的Vf小,自举电压变化不大,因而无需大的自举电容。只需用较小的自举电容就可维持所需的自举电压,这个电压仅在电流为正时用来维持HVIC的待机电流。在过调高速电机运行情况下,高压侧MOSFET在输出频率的半个周期内全导通。例如,若采用单脉冲模式 (或6级阶梯波模式) 的PWM进行调制,输出频率为100Hz,则高压侧MOSFET的导通时间可持续5ms。在此期间,不可能一直对自举电容充电,而自举电容的自举电压随HVIC待机电流的变化可按公式(4)计算。
ΔVBS =Δ tIQBS / CBS………… (4)
这里,IQBS为HVIC的待机电流,并忽略了CBS本身的漏电流。假设最大待机电流为100mA,CBS为1mF,那么,自举电压在5ms内的变化 芕BS也只有0.5V。这意味着,采用1mF的陶瓷电容就足以维持这种MOSFET逆变器在整个运行过程中所需的自举电压。
[page]

除了自举电路问题外,采用HVIC还会引起许多别的问题;尤其当VB电平低于地电平时最为显著。在HVIC中,高压侧栅极单元是用p-n结隔离的,而输入信号要通过额定电压为625V的电平漂移MOSFET传输到高压侧单元。为了降低信号传输期间的功耗,将开关信号转换成置位复位脉冲;该脉冲触发对应电平漂移MOSFET和高压侧单元中的置位复位(SR)闩锁电路。当VS低于 -5V时,电平漂移MOSFET不能传送触发信号到高压侧逻辑电路。而且,若VB小于0V,VB与逻辑地之间的寄生二极管将会导通;这会产生过量的电流,从而破坏HVIC。在实际应用中,当负载电流非常大,或有冲击电涌噪声施加在VB或VS端时,VB可能在很短时间内被拉到0V以下。除了对HVIC本身造成破坏外,还会使HVIC出现误操作或闩锁现象。当HVIC出现闩锁时,其行为将不可预测,而且,即使在恢复正常状态后,也可能被电源端之间的过量电流损坏。这类现象与HVIC的设计规则紧密相关,在设计阶段就应排除这种隐患。当HVIC产生误操作时,误操作导致的非正常关断可能中断正常的控制动作,但不大可能导致整个系统的破坏。然而,如果高压侧SR闩锁电路因电涌噪声而异???,高压侧功率MOSFET将处于非控导通状态,且不能在输入信号的脉冲负沿到来时复位。这种行为很可能在逆变器的某一管脚上造成短路,进而破坏功率???。为了防止这种现象,设计模块的HVIC时,我们针对可能出现的工作和环境条件,将出现误操作的可能性降到最低。同时,当过量的电涌或冲击噪声施加在器件上时,电平漂移单元和SR闩锁电路被设计成具有关断优先的特性。
结论
本文讨论了面向小功率电机驱动应用的新型高集成、低噪声MOSFET逆变???。该模块专为100W无刷直流内置电机驱动系统而开发。本文还讨论了该??樗捎玫姆庾凹际酢OSFET和HVIC,以及其应用特点。






