- 电容式接近开关及其应用
- 利用电容式接近开关的感应灵敏度
- 选用优质器件
1 引 言
随着我国经济的快速发展,现代城市人口的增加、城市范围的扩大,能源紧张问题越来越突出了。特别是水资源,它与工农业生产以及人民的生活息息相关,由于一些地区以前无计划性地乱的开采,出现了缺水的现象。如何有效地管理和节约用水是当务之急。本文利用电容式接近开关和其它器件设计了一种控制水龙头开与关的系统。本系统具有控制灵敏、使用方便、工作寿命长的特点。
2 电容式接近开关介绍
电容式接近开关属于一种具有开关量输出的位置传感器,它的测量头通常构成电容器的一个极板,而另一个极板是物体的本身,当物体移向接近开关时,物体和接近开关的介电常数ε发生变化,使得和测量头相连的电路状态也随之发生变化,由此便可控制开关的接通和关断。被这种接近开关的检测物体,并不限于金属导体,也可以是绝缘的液体或粉状物体,在检测较低介电常数ε的物体时,可以顺时针调节多圈电位器(位于开关后部)来增加感应灵敏度,一般调节电位器使电容式的接近开关在0.7-0.8Sn(Sn为电容式接近开关的标准检测距离)的位置动作。这里选用的是浙江省洞头县光电开关厂生产的CLG型M18×70标准结构的开关。它的外型图与尺寸标示图分别如图1与图2所示。

图1 CLG型M18×70电容式接近开关外型图

图2 CLG型M18×70标准结构开关外部尺寸图
操作参数如表1所示。

部分常用材料介电常数如表2所示。

系统组成框图如图3所示,从框图可以看出控制信号的流程:当人或其它物体接近电容式接近开关时,等效电容的容量值会发生变化,从而改变LC振荡器的振荡频率,F/V电路将LC振荡器输出的频率量转化成电压量后,交给信号处理电路,该部分将电压信号进行一系列的处理(包括:放大、整形等)后传给开关量变换电路,开关量转换电路实际上是A/D转换器,它将模拟电压转换为数字量,水龙头控制电路由开关量转换电路的输出量控制,它产生控制信号控制水龙头的开与关。本系统设计成当人接近水龙头一定距离时,水龙头自动开启,离开一定距离后水龙头自动关闭。

图3 控制系统组成框图
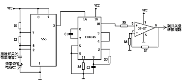
3.1部分关键电路介绍振荡电路与F/V变换电路及信号处理部分
连线图如图4所示,由555定时器组成的振荡器,它的振荡频率为:f=1/0.69*(R1+2*R2)*(C//CT),C就是电容式接近开关的等效电容值,CT为频率调节电容,通过C的变化从而使振荡频率变化,将此种变化传给F/V电路,引起F/V电路的输出电压变化。由锁相环CD4046组成的F/V变换电路将频率值变成电压值后,经精密运放OP-07线性放大后输入到开关量转换器(A/D转换器)的输入端。

图4 振荡电路与F/V部分及信号处理电路连线图
A/D转换器将模拟信号转换成数字信号后,输入到水龙头控制电路的输入端,由水龙水控制电路控制水龙头的开与关,这些电路简单,这里限于篇幅,不作介绍。
3.2 系统安装要求
安装要求示意图如图5所示,图中S1表示检测面与支架的间距,要求≥1Sn,S2表示检测面与背景的间距,要求≥3Sn,S3表示并列安装间距,要求≥5Sn,S4表示检测面与侧壁的间距,要求≥3Sn。(Sn为电容式接近开关的标准检测距离)

图5系统安装尺寸图
4 结 束 语
由于本系统可利用电容式接近开关的感应灵敏度可以调节的特点,所以可以方便地选人控制水龙头开与关的距离。它的实用性、可操作性很强。由于选用的都是优质器件,它的性能价格比高,并且具有通用性(只要改变被控制对象,再作必要的设置,就能变为其它的功能电路)。它己被做成了产品,正在批量生产。从目前使用的情况看,效果良好,性能稳定。当然,由于开发时间仓促,系统设计还有不少需要完善的地方。不管怎样,它被推广使用的价值很高。





