中心议题:
- OLED显示器的供电方案
解决方案:
- 升压转换器的选型
- 双输出电压的选择
- 故障检测
- 时钟同步设计
- 软启动控制和输入电压断开
因为目前许多OLED显示器被用于便携应用,因此功耗特别重要。本文介绍OLED显示器的节能供电方案,主要内容包括:升压转换器的选型、双输出电压的选择、故障检测、时钟同步设计、软启动控制和输入电压断开、满足功能要求的OLED器件等。
有机发光二极管显示器(OLED)是一种即将给显示器产业带来革命性变化的新兴技术。OLED采用的有机材料在有电流流过时会发光,OLED与目前的LCD技术相比具有许多优点。其中一个优点是容易制造,最终可形成更低成本的显示器。性能的优势包括更快的响应时间、更宽的视角、更低的功耗和更亮/更高对比度的图像。最核心的优点是OLED采用一种自发光技术,因此不需要背光。这不仅能节省功耗,而且可以实现只有1mm厚度的显示器。
与LCD显示器相似,OLED显示器提供无源矩阵和有源矩阵两种配置。在采用无源矩阵时,显示器被连接成为二极管栅格,每个二极管构成一个独立的OLED像素。可以使用外部驱动电路一次点亮一行栅格。相反,有源矩阵显示器内含晶体管,像素可以被连续点亮。然而OLED与LCD不同的是,OLED采用电流驱动矩阵模式,这会增加有源矩阵设计的复杂性,因此目前大批量的OLED仍采用无源矩阵产品(PMOLED)。这些PMOLED可用于各种设备,包括蜂窝电话、汽车立体声音响、MP3播放器和其它消费类产品。
OLED显示器的供电
因为目前许多OLED显示器被用于便携应用,因此功耗特别重要。任何电源芯片都必须工作在最高效率,以尽可能节省功率,延长电池寿命,特别是在显示器不工作的时候。
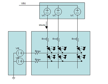
OLED显示器的电源要求与许多因素有关。由于显示器是电流驱动的,因此峰值电流要求取决于同一时间被点亮的像素总数量以及驱动它们的最大电流值。显示驱动电路也会消耗部分电流。电压要求取决于二极管的前向压降、显示器内部互连(往往呈现阻性)的压降以及显示器驱动器所需的所有压降(见图1)。

图1:OLED显示器驱动
在本例中,所需的最大电压由以下公式给出:
![]()
其中:V二极管是二极管的前向压降;I二极管是流经二极管的电流;Rcol是列连接的电阻;Rrow是行金属的电阻;VCD是列驱动器所需的开销;VRD是行驱动器所需的开销;在典型应用中,VIN大约为20V。
峰值电流等于:
![]()
其中:I二极管是流经二极管的电流;X像素是一次点亮的像素数量;ICD是供给列驱动器的电流;IRD是供给行驱动器的电流。
[page]
便携显示器的节能
对于带LCD显示器的便携式设备来说,如果一段时间不工作,常见的做法是关掉背光灯,几秒钟后再把显示器完全断电。而OLED显示器没有背光灯,因此一段时间不工作后通常屏幕就会暗下来,再过一段时间断电。从公式1可以看出,如果减少显示器的电流,所需的最大电压也会降低。在供电电压恒定的典型应用中,这一额外电压将降在列驱动器上,从而造成额外的功耗和能源浪费。通过减少供电电压,这一能量就不会再消耗在列驱动器上,系统效率也就得到了提高。
OLED电源芯片
目前市场上已经有专门给便携式设备中的PMOLED显示器供电的新型器件。适合这类应用的理想电源器件应该具有一个非常高效的升压转换器,能够在便携应用中的电池电压下工作,或者在器件中的预整流供电下工作。输出负载断开和低待机电流等功能对降低显示器不被照明时电池的漏电有很重要的作用。理想的器件还要求外部元件少和封装尺寸小,以尽可能减小目前紧凑型手持设备的外形尺寸。
升压转换器
使用的升压转换器应该能在2.4V到5.5V电压范围内工作。这一范围覆盖了锂离子电池的全部输入范围,还应能在预整流的3V或5V轨下工作。这类应用要求的输出电压范围是12~25V。最优化的电源芯片设计还将集成升压FET和肖特基二极管,从而减少对外部元件的需求。1.2A FET一般支持高达28V的输出电压,效率可达90%。
为了使升压电路工作在最佳状态下,选择正确的元件非常重要。需要考虑的主要元件是电感和输出电容,因为它们将影响到升压控制环路的稳定性。一些升压转换器采用的外部补偿电路同样需要合理选择补偿元件。另外一种方法是采用内部补偿网络。这种设计要求电感和电容值在一定范围内,设计手册中通?;崽峁┍砀癜镏≡衿骷5绺兄到跋斓降绺谐叽?。为了实现较小的器件尺寸,推荐使用能与3.3UH的小电感工作的器件。然而,低的电感值可能导致器件工作在不连续的模式,从而增加输出纹波。因此最好选择能保持连续工作模式的电感值。选择的电感还必须能够承受应用要求的峰值和平均电流。这些值由以下公式得到:


其中:ΔIL是电感电流的纹波峰峰值,单位是A;L是电感值,单位是H;FOSC是开关频率。
输出电容的选择原则是确保升压环路的稳定工作。输出电容容量越高,输出电压的纹波就越小。具体选择时需要在纹波和元件数量/成本之间做出折衷。输入端电容用于将输入电流和经过电阻的开关电流隔离。在本应用中,推荐使用10~15UF范围的电容。
双输出电压选择
如上所述,当OLED工作在暗的模式时可以通过降低输出电压显著地节省功耗。因此为OLED电源选择的最佳电源芯片应包含能够提供这一功能的电路。采用两条独立的反馈路径就可实现这一功能,而且这两条反馈路径可以通过简单的逻辑输入进行选择。因此通过这种方法就可简单地实现PMOLED中使用的亮→暗→关节电技术。
输出电压由连接在输出引脚和反馈参考引脚间的分压器进行设置。反馈电压与内部设置的参考电压比较后用于控制输出电压。输出电压的精度取决于反馈参考电压的精度和反馈网络中使用的电阻值。
典型的反馈电压是1.15V±2%。当选择引脚(SEL)设置为低时,FB0反馈引脚就与参考电压进行比较,FB1引脚接地,用以提供反馈参考地。当SEL为高时,FB1用作参考电压,FB0接地。输出电压可用公式5和公式6计算:
当SEL=0时,

当SEL=1时,

故障检测
为保护IC和外部元件,集成众多?;さ缏芬卜浅V匾U庑┕δ苡Πǎ?br />
1. 欠压闭锁,确保器件只在输入电压大于最小要求电压时才工作;
2. 过流?;?,监视开关电流,将电流限制在器件允许的最大电流值以下;
3. 过压闭锁,当输出电压超过器件允许的最大值时,器件停止工作;
4. 过温?;?,当裸片温度超过预设最大值时关闭器件。
[page]
时钟同步
在便携式设备中,时钟噪声和串扰将成为主要考虑的因素。将开关设备与外部时钟同步从而将所有时钟锁定于单一频率,有助于产品设计师减少这些问题。对于时钟没有问题的设备来说,电源也应能自己同步。在1MHz范围内的高频率时钟可提供最佳的效率,也有助于减小器件尺寸。一个高效的IC应能够自同步于1MHz时钟,也能通过将该时钟连接到同步输入引脚,方便地与600KHz和1.4MHz之间的外部时钟同步。
软启动控制和输入电压断开
当电源芯片刚开始工作时,电流需要对系统中的电容充电,从而产生明显的输入电流需求。如果这个电流太高,电池电压就会降低,从而导致系统中的器件进入复位状态,或产生错误的操作。为了克服这一缺点,在启动时应采用软启动机制来限制电流。此时IC的电流是缓慢增长的,直到达到满电流负荷。这种机制在如今许多升压转换器中很常见。
为了进一步改进电池寿命,升压电路的输入端集成的分断开关非常有用。当器件不工作时,这个开关将打开从而断开与OLED显示器、驱动器和反馈网络的连接,因而不会有漏电流。在这种断电模式下,内部IC的功耗会降至最小。
当器件工作时,负载连接到输入端,从输入到输出建立了一条直流通路,在输入电容充电时将形成很大的电流尖峰。分断开关也应提供软启动模式,在输出电容充电时限制电流,从而进一步加强在其它直流/直流转换器中常见的软启动机制。
满足功能要求的OLED器件
OLED显示器只是提出特殊的电源芯片和新增功能要求的众多新技术之一。正在开发的许多新型IC可满足这些挑战。IntELSIL公司的ISL97702只是这些类型产品中的一个例子,它具有软启动控制、输入电压断开和其它适合该应用的功能。ISL97702中使用的复杂控制机制代表了目前先进电源芯片的优秀例子,它完全可以满足紧凑型手持设备对OLED供电的要求。这种器件的典型电路如图2所示。

图2:典型的ISL97702电路
图3是ISL97702的软启动操作过程。

图3:ISL97702的软启动
在A部分,通过限制流过分断开关的电流来减少负载电容充电时的浪涌电流;在B部分,升压转换器的开始电流限制在25%;在C部分,电流限制设在50%;在D部分电流限制为75%;在E部分,电流限制为100%。





