- 多路开关系统设计
- 系统工作原理
- 控制单元采用C8051F920 单片机
- 系统硬件的电路设计
- 无线电发射系统是以Si4010 为核心来设计
相对于有线遥控,无线??夭皇芫嗬氲挠跋?,完全消除了拖缆式??刈爸盟吹墓收弦迹嗣堑娜粘9ぷ骱蜕畲戳烁嗟谋憷?。随着数字处理技术的快速发展,无线数字通信技术日趋成熟,其抗干扰能力强和易于对数字信号进行各种处理等优点,使得无线遥控系统的抗干扰性能逐步提高,安全性能大大改善。目前的无线遥控领域主要有超声波??亍⒑焱庀咭?丶拔尴叩缫??。相对于超声波??睾秃焱庀咭??,无线电遥控是利用无线电信号在空气中传播,根据无线电波的频率来遥控,可穿透一定的障碍物,传播距离较远,因此成为无线??亓煊虻氖籽?,在国防、军事、科研和日常工作生活领域应用越来越广。
采用Silicon Laboratories 研制的无线发射芯片Si4010、无线接收芯片Si4313和C8051F920 单片机设计并制作的频率为433.92 MHz 的无线电??囟嗦房叵低常峁辜虻?,性能稳定,控制方便,适用于含有较多受控电器的场合,并可实现多路多功能控制。
1 系统工作原理
无线电遥控多路开关系统由无线电发射电路和无线电接收控制电路两大部分组成。系统组成框图如图1 所示。

图1 系统组成框图
开关系统工作原理是首先通过按键电路输入所需控制开关电路的位号,同时启动指令编码电路,指令编码电路在内部电路的控制下产生带有地址编码信息和开关状态信息的编码脉冲信号,该脉冲信号对载波信号进行调制,调制后载波信号经放大和调谐由射频发射电路发射出去。无线电接收电路接收到载波调制信号后,由解调解码电路对载波调制信号进行解调得到编码脉冲信号,再进行编码地址确认,确认是否为本??乜叵低车刂贰H绻邮盏降男藕诺刂仿胗氡净刂繁嗦胂嗤?,则对编码脉冲信号进行译码并输出数据,由单片机电路控制相应的开关电路动作。否则,不进行译码,单片机控制电路不响应,开关电路无任何动作。
2 硬件介绍
2.1 Si4010 简介
Silicon Laboratories 的Si4010 射频发射器为单芯片??豂C,仅需一个外部旁路电容、一块印制电路板、电池和一个带按键的外壳便能构成完整的无线电??仄?。采用专利高可靠性的无晶体振荡器架构,无需外部时钟源,也不受冲击和震动影响。其载波频率精确度在商业温度范围内为±150 ppm,在工业温度范围内则可达±250 ppm,它的精确度比传统的(SAW)发射器高出两倍,且无需使用外部晶体振荡器。具备自动天线调谐,该功能可最大化发射距离,提供稳定的输出功率,有效减少对遥控器的不利影响。包含一个嵌入式兼容8051 微控制器,内具1 个4 kB 的RAM、1 个8 kB 的一次性编程(OTP)非易失性内存、1 个128 位EEPROM 以及用于函数库(library)功能的12 kB ROM,该微控制器上的数字外围功能包括触控唤醒GPIO、1 个专利技术的可提供100 万次读写寿命的20 位EEPROM、1 个LED 驱动器、1 个休眠定时器、1 个调试器, 以及1 个可提供安全单向链路的高速128位高级加密标准(AES)加速器。Si4010 的工作电压范围为1.8~3.6 V,可提供超低的电流消耗(小于10nA 的待机电流和小于20 mA 的峰值电流)以及低功耗触控唤醒模式。支持FSK、OOK 调制模式,支持PCB 环形天线, 工作频带为27~960 MHz,芯片内部还包含LDO、温度传感器及低电压检测报警等。
2.2 Si4313 简介
Silicon Laboratories 的Si4313 芯片是单端通用ISM 频段接收器, 工作频率为240~960 MHz,可编程接收频率带宽为2.6~260 kHz, 接收灵敏度为-118 dBm, 数据速率为0.2~128 kb/s,采用FSK、GFSK 和OOK 调制方案,支持调频、单电容调谐网络,支持PCB 环形天线,工作电源电压为1.8~3.6 V,具备超低功耗、高灵活低关机模式。内部功能包括:唤醒计时器、自动频率校准、前端码侦测、无线电信号强度检测、集成电压调节器、片内振荡器、64 kB FIFO 等。
[page]
3 系统硬件电路设计
3.1 无线电发射系统
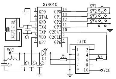
无线电发射系统主要由按键电路、编码调制电路、无线电发射电路组成。无线电发射系统的电路原理图如图2 所示。

图2 发射系统电路原理图
无线电发射系统是以Si4010 为核心来设计。Si4010 的4 个输入输出端口与按键直接相连,内部电路可直接采集按键状态信息。Si4010 的信号差分输出端TXM、TXP 分别与环形天线的两端连接,环形天线直接印制在PCB 板上,减少了发射系统体积。采用C2 接口编程,Si4010 的C2DATA、C2CLK 端口与JTAG 接口的4 个端口相连。C3、C4、C5组成电源滤波电路。发光二极管提供按键动作指示,当有按键按下时,放光二极管亮,没有按键按下,放光二极管灭。无线电发射系统的主要功能是在Si4010 内部MCU的控制下采集按键电路的状态信息, 实现数据加密和编码,再进行FSK 调制,调制后信号经放大调谐,由环形天线发射出去。
3.2 无线电接收系统
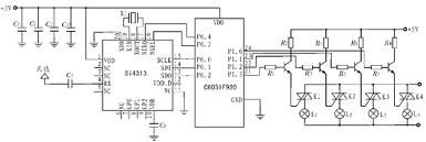
无线电接收系统主要由无线电接收电路、解调解码、单片机控制电路及开关电路组成。无线电接收系统电路原理如图3 所示。

图3 接收系统电路原理图
接收解调电路采用与射频发射??橄嗯涮椎奈尴呓邮招酒琒i4313 来实现??刂频ピ捎肅8051F920 单片机。
Si4313 的RX 端口经电容C1与天线相连, 接收遥控调制载波信号。Si4313 与单片机之间的通信是通过SPI 总线实现,SPI 总线读写操作由以下几部分组成:读写标志(1 bit),地址(7 bits)和数据(8 bits)。读写标志位指示当前操作是读还是写;7 位地址指示操作对象, 可寻址128 个8 位控制寄存器中的任意一个; 数据域包含写入或读出的Si4313 内部寄存器的内容。Si4313 的SCLK、SDI、SDO、nSEL、nIRQ 端口分别与单片机的P0.0~P0.4 端口相连。SCLK 为时钟接口;SDI为串行数据写入端口, 由单片机对Si4313 进行数据写入;SDO 为串行数据输出端口,解调后数字信号由此端口输出至单片机。单片机P1.0~P1.3 为控制端口,与开关电路相连。
无线电接收系统的主要功能是接收??卦夭ǖ髦菩藕牛獾鹘饴氲缏范缘髦菩藕沤獾骱徒饴?,串行输出至单片机,由单片机进行数据处理,再通过控制端口控制开关电路相应的开关动作。
4 系统软件介绍
软件编程采用??榛杓扑枷耄低持懈髦饕δ苣?榫喑啥懒⒌挠τ煤芍鞒绦虻饔?。
[page]
4.1 发射系统软件
无线电发射系统的软件设计主要通过C2 接口编程实现Si4010 内部集成的8051MCU 对无线发射电路的状态进行控制。包括芯片初始化程序,键盘扫描及读取程序,射频参数设置程序,无线发射程序等。发射系统软件流程如图4 所示。

图4 发射系统软件流程图
4.2 接收系统软件
无线电接收控制系统的软件基于C8051F920 单片机设计,通过C2 编程实现单片机对开关电路的状态控制。单片机采样到有效中断请求信号,便执行中断服务子程序,在中断服务子程序中, 单片机将根据I/O 端口获得的数据执行相应的子程序,从而实现对开关电路的控制。接收系统软件流程如图5 所示。

图5 接收系统软件流程图
5 结束语
本文采用低价位、超低功耗单芯片无线??豂C 及单片机设计可编程无线电??囟嗦房叵低常哂谐杀镜?、体积小、功耗低、抗干扰能力强、??鼐嗬朐?、可靠性高等特点。经在实验室软、硬件综合测试,接收解调电路对发射电路??匦藕沤邮战獾髡?,开关电路动作到位,无线电??乜叵低车亩嗦范喙δ芸刂普???山徊酵乒阌τ茫诠ひ瞪?、安防监控、智能家居等领域应用前景广阔。




