- 基于智能电池充电器性能测试的研究
- 利用定电压电子负载的原理
- 通过对定电压电子负载的研制
1引言
众所周知,要保证蓄电池的正常寿命,就必须给蓄电池提供其可接受且科学的充电电流,智能充电器就是在这种背景下发展起来的。而一台智能电池充电器是否达到了设计指标,理论上可以用真实的二次电池来测试,但这种方法是一个冗长且很难操作的过程,在研究和生产中是不符合实际情况的,定电压电子负载就可以很好地解决这个问题。
2定电压电子负载的研制
2.1定电压电子负载的原理
电子负载是利用大功率半导体器件吸收电源提供的电流,转换成热能,从而达到模拟负载的电源测试仪器。定电压(CV)电子负载的工作原理如图1所示。它将从电源吸收足够的电流来控制其输出电压达到设定值,因而它可以模拟蓄电池的端电压,可快速、准确地测试智能电池充电器的输出特性,另外它也可使用于测试电源的限流特性。

(a)电子负载的原理(CV)(b)输出特性
图1电子负载的原理及输出特性
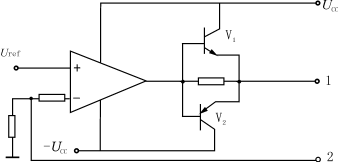
2.2定电压电子负载的研制
JTU—100型电子负载的原理图如图2所示,它最大可以吸收10A的电流,图中V1、V2为调整管,Uref为可调基准源,1、2为输出端,调节Uref的大小,不管负载如何变化,都可以在1、2端得到设定的电压。

图2JTU-100型电子负载的原理图
[page]3智能电池充电器的性能测试研究
图3是开发的一种智能电池充电器的原理框图,它满足12VVRLA蓄电池在循环使用条件下的充电要求,设计指标为:

图3智能电池充电器的原理框图
(2)当Ub>14.2V时,充电电流随电池电压的升高而线性减小。
(3)当Ub≥15.5时,以10mA左右的电流给蓄电池充电,用以补偿蓄电池自放电的电流。
(4)充电阈值电压温度补偿系数为-23mV/℃(12VVRLA蓄电池)
测试步骤如下:
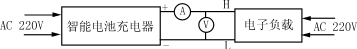
①给JTU—100型电子负载接上电源,并将输出调整到13.5V。
②按图4接线。
③先打开电子负载的开关,再打开智能电池充电器的开关,电流表显示为2A,电压表显示为13.5V。
④逐渐增加电子负载的输出电压,当电压大于14.2V时,输出电流逐渐减小,当电子负载的输出电压升至15.5V时,电流降至10mA左右。
⑤逐渐减小电子负载的输出电压,电流表的读数线性增加,当输出电压小于14.2V时,电流表的读数增至2A并维持不变。
⑥为了测出充电阈值电压的温度补偿是否达到设计指标,将智能电池充电器的温度传感器放到恒温箱中,测出该温度下的充电曲线。测量结果如图5所示。
4结论
电子负载的出现将会促进电源技术的进一步发展,定电压电子负载是人们研制智能化电池充电器不可缺少的测试仪器。
图4电池充电器测试接线图

图5几种温度下的充电曲线






